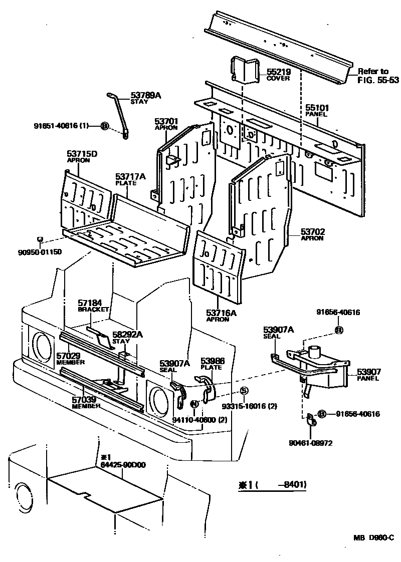
FRONT FENDER APRON & DASH PANEL

53701APRON SUB-ASSY, FRONT FENDER, RH
53702APRON SUB-ASSY, FRONT FENDER, LH
53715DAPRON, FENDER SIDE, RH
W/COOLER
W/COOLER
53789ASTAY, FRONT FENDER APRON
53907PANEL SUB-ASSY, AIR INLET
53907ASEAL, AIR INLET PANEL
L=340
53986PLATE, AIR INLET GUARD
55101PANEL SUB-ASSY, DASH
W/COOLER
W/COOLER
55219COVER, MASTER CYLINDER
5553COWL PANEL & WINDSHIELD GLASS
57029MEMBER SUB-ASSY, FRONT CROSS, UPPER
57039MEMBER SUB-ASSY, FRONT CROSS, LOWER
57184BRACKET, HOOD LOCK SUPPORT
58292ASTAY, BRAKE TUBE CONNECTOR
6442590D00PLUG, LUGGAGE COMPARTMENT DOOR, RH
main64425-90D00
9046108972
main90461-08972
9095001150
main90950-01150
9165140616
main91651-40616
9165640616
main91656-40616
9331516016
main93315-16016
9411040600
main94110-40600
23 parts on this diagram · 1 diagram in section