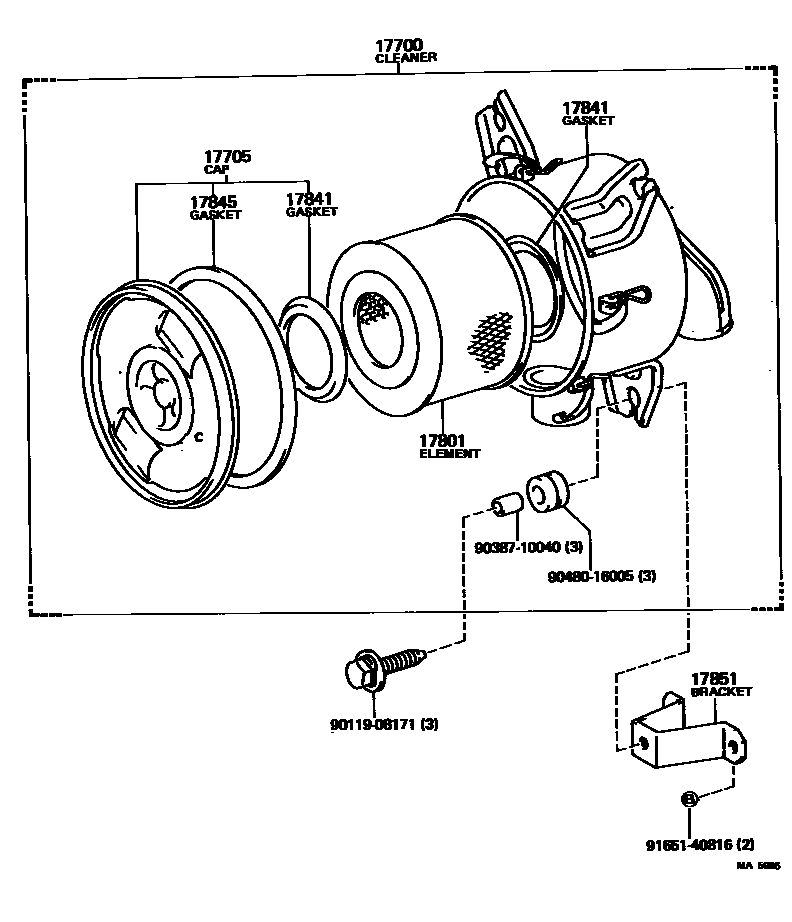
AIR CLEANER

17700CLEANER ASSY, AIR
17705CAP SUB-ASSY, AIR CLEANER
17801ELEMENT SUB-ASSY, AIR CLEANER FILTER
17841GASKET, FILTER ELEMENT
17845GASKET, AIR CLEANER CAP
17851BRACKET, AIR CLEANER SUPPORT
9011908171
main90119-08171
9038710040
main90387-10040
9048016005
main90480-16005
9165140816
main91651-40816
10 parts on this diagram · 2 diagrams in section