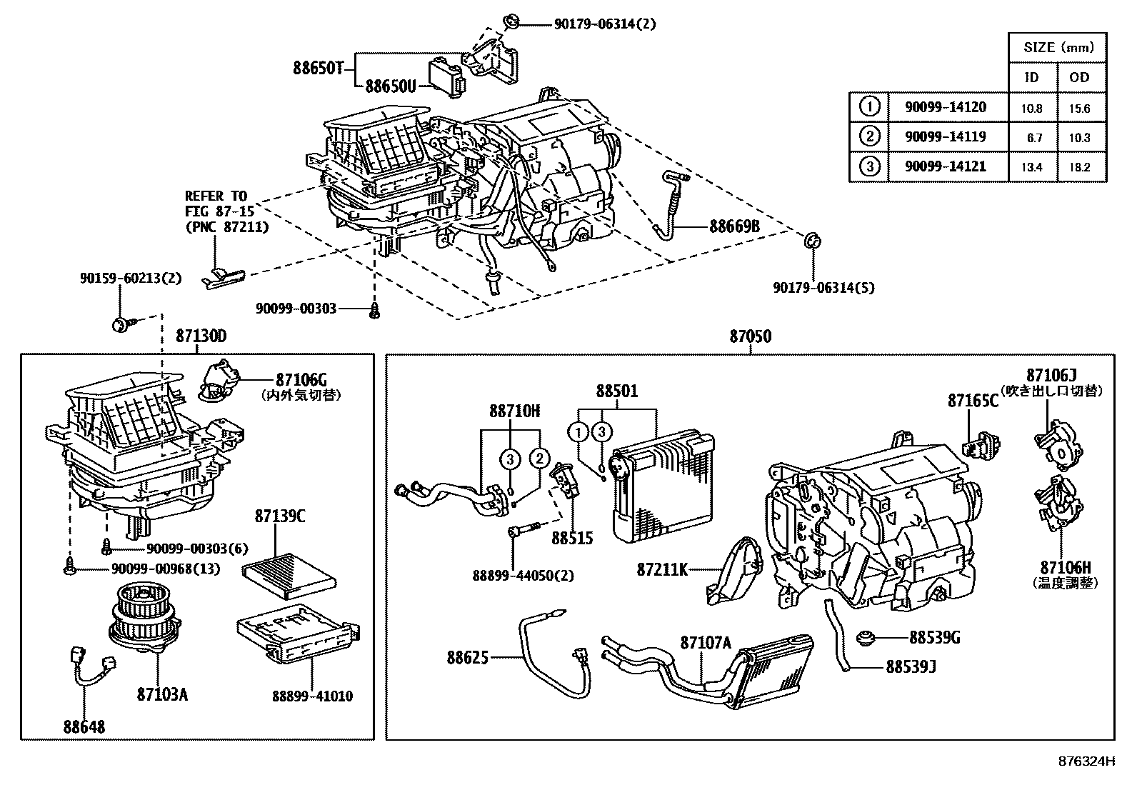
HEATING & AIR CONDITIONING - COOLER UNIT

87050RADIATOR ASSY, AIR CONDITIONER
87103AMOTOR SUB-ASSY, COOLING UNIT, W/FAN
87106GSERVO SUB-ASSY, DAMPER(FOR BLOWER)
87106HSERVO SUB-ASSY, DAMPER(FOR AIRMIX)
87106JSERVO SUB-ASSY, DAMPER(FOR MODE)
87107AUNIT SUB-ASSY, HEATER RADIATOR
87130DBLOWER ASSY
87139CFILTER, CLEAN AIR
8715HEATING & AIR CONDITIONING - CONTROL & AIR DUCT
87165CCONTROL, BLOWER MOTOR
87211KDUCT, AIR
88501EVAPORATOR SUB-ASSY, COOLER, NO.1
88515VALVE, COOLER EXPANSION
88539GGROMMET (FOR COOLER UNIT DRAIN HOSE)
88539JHOSE, DRAIN COOLER
88625THERMISTOR, COOLER, NO.1
88648WIRING, COOLER, NO.1
88650TAMPLIFIER ASSY, AIR CONDITIONER (FOR 2-WAY COMPRESSOR)
88650UINVERTER ASSY, AIR CONDITIONER
88669BHOSE, COOLER AIR
88710HTUBE & ACCESSORY ASSY, AIR CONDITIONER
8889941010COVER, EVAPORATOR
main88899-41010
8889944050COVER, EVAPORATOR
main88899-44050
9009900303
main90099-00303
9009900968
main90099-00968
9009914119
main90099-14119
9009914120
main90099-14120
9009914121
main90099-14121
9015960213
main90159-60213
9017906314
main90179-06314
30 parts on this diagram · 3 diagrams in section