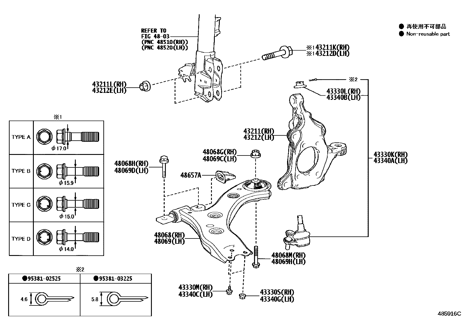
FRONT AXLE ARM & STEERING KNUCKLE

43211KNUCKLE, STEERING, RH
43211KBOLT (FOR STEERING KNUCKLE RH)
43211LNUT (FOR STEERING KNUCKLE RH)
43212KNUCKLE, STEERING, LH
43212DBOLT (FOR STEERING KNUCKLE LH)
43212ENUT (FOR STEERING KNUCKLE LH)
43330KJOINT ASSY, LOWER BALL, FRONT RH
43330LNUT, CASTLE (FOR FRONT LOWER BALL JOINT RH)
43330MBOLT (FOR FRONT LOWER BALL JOINT RH)
43330SNUT (FOR FRONT LOWER BALL JOINT RH)
43340AJOINT ASSY, LOWER BALL, FRONT LH
43340BNUT, CASTLE (FOR FRONT LOWER BALL JOINT LH)
43340CBOLT (FOR FRONT LOWER BALL JOINT LH)
43340GNUT (FOR FRONT LOWER BALL JOINT LH)
4803FRONT SPRING & SHOCK ABSORBER
48068ARM SUB-ASSY, FRONT SUSPENSION, LOWER NO.1 RH
48068GNUT(FOR FRONT SUSPENSION LOWER ARM NO.1 RH)
48068HBOLT(FOR FRONT SUSPENSION LOWER ARM NO.1 RH)
48068MBOLT(FOR FRONT SUSPENSION LOWER ARM NO.2 RH)
48069ARM SUB-ASSY, FRONT SUSPENSION, LOWER NO.1 LH
48069CNUT(FOR FRONT SUSPENSION LOWER ARM NO.1 LH)
48069DBOLT(FOR FRONT SUSPENSION LOWER ARM NO.1 LH)
48069HBOLT(FOR FRONT SUSPENSION LOWER ARM NO.2 LH)
48657ASTOPPER, FRONT LOWER ARM BUSH
9538102525
main95381-02525
9538103225
main95381-03225
26 parts on this diagram · 1 diagram in section