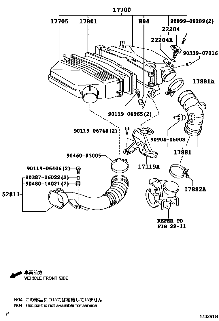
AIR CLEANER

17119ABRACKET, AIR CLEANER
17705CAP SUB-ASSY, AIR CLEANER
17801ELEMENT SUB-ASSY, AIR CLEANER FILTER
17881HOSE, AIR CLEANER, NO.1
17881ACLAMP(FOR AIR CLEANER HOSE, NO.1)
17882HOSE, AIR CLEANER, NO.2
17882ACLAMP(FOR AIR CLEANER HOSE, NO.2)
2211
22204METER SUB-ASSY, INTAKE AIR FLOW
22204ARING, O(FOR INTAKE AIR FLOW METER)
52811DUCT, COOL AIR INTAKE, NO.1
9009900289
main90099-00289
9011906406
main90119-06406
9011906768
main90119-06768
9011906965
main90119-06965
9033907016
main90339-07016
9038706022
main90387-06022
9046083005
main90460-83005
9048014021
main90480-14021
9090406008
main90904-06008
21 parts on this diagram · 3 diagrams in section