E
EPC Data

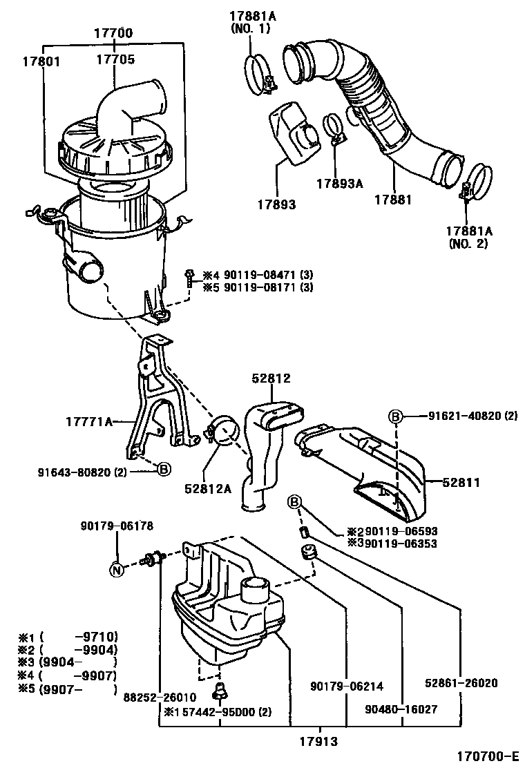
AIR CLEANER

Parts diagram
17700CLEANER ASSY, AIR
main17700-54830i199706-199802
main17700-54831i199802
main17700-67100i199704-199802
main17700-67101i199802-199907
main17700-67102i199907
main17700-75090i199706-199802
main17700-75091i199802
main17700-75100i199704-199802
main17700-75101i199802
17705CAP SUB-ASSY, AIR CLEANER
main17705-54340i199706
main17705-75070i199704-199907
main17705-75080i199704-199802
main17705-75081i199802
17771ABRACKET, AIR CLEANER
main17771-75010i199704
17801ELEMENT SUB-ASSY, AIR CLEANER FILTER
main17801-54140i199704
main17801-67020i199704
17881HOSE, AIR CLEANER, NO.1
main17881-67080i199704
main17881-75050i199706
main17881-75100i199704
17881ACLAMP(FOR AIR CLEANER HOSE, NO.1)
main90460-96001i199704
main90467-58002i199704
main96111-10780i199706
main96111-10800i199706
main96111-10850i199704
main96111-10850i199706
main96111-10900i199704
17893RESONATOR, INTAKE AIR
main17893-67010i199704
17893ACLAMP, HOSE
main96111-10560i199704
17913DUCT, COOL AIR INTAKE, NO.3
main52830-26030i199704
52811DUCT, COOL AIR INTAKE, NO.1
main52811-26040i199704
52812DUCT, COOL AIR INTAKE, NO.2
main52812-26060i199704
52812ACLAMP, HOSE(FOR COOL AIR INTAKE)
main90460-95001i199706
main96111-10830i199704
main96111-10830i199706
5286126020COLLAR, COOL AIR INTAKE
5744295D00PLUG, STEP PANEL HOLE
8825226010CUSHION, VACUUM PUMP
9011906353
9011906593
9011908171
9011908471
9017906178
9017906214
9048016027
9162140820
9164380820

24 parts on this diagram · 5 diagrams in section

AIR CLEANER — Toyota Parts Diagram with OEM Numbers & Prices | EPC Data