E
EPC Data

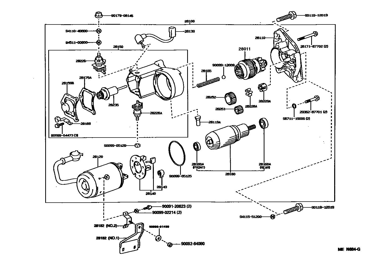
STARTER

Parts diagram
28011CLUTCH SUB-ASSY, STARTER
main28011-26042i198908-199808
12V 1.0KW
main28011-54010i200108-200408
main28011-54070i198908-199308
12V 2.0KW
main28011-54260i199808-199907
12V 2.2KW
main28011-54360i199205-199308
main28011-54380i199308-199808
12V 2.0KW
main28011-67020i199308-199907
12V 2.7KW
main28011-67030i199308-199907
12V 2.2KW
main28011-70020i199907-200501
12V 1.0KW
main28011-76070i199205-199907
12V 1.4KW
28100STARTER ASSY
main28100-54070i198908-199205
main28100-54110i198908-199205
main28100-54170i199205-199308
main28100-54210i198908-199205
main28100-54220i198908-199205
main28100-54230i198908-199205
main28100-54240i198908-199205
main28100-54250i199205-199308
main28100-54260i200011-200408
main28100-54290i199205-199308
main28100-54300i199205-199308
main28100-54320i199308-199903
main28100-54330i199907-200011
main28100-54340i199803-199808
main28100-54350i199205-199308
main28100-54360i199205-199308
main28100-54380i199702-199803
main28100-54400i199308-199508
main28100-54410i199308-199702
main28100-54420i199308-199508
main28100-54430i199907-200408
main28100-54470i199907-200304
main28100-67020i199308-199508
main28100-67030i199308-199508
main28100-67040i199508-199509
main28100-67050i199808-199907
main28100-67070i199907-200408
main28100-75010i198908-199308
main28100-75020i198908-199308
main28100-75030i198908-199205
main28100-75040i198908-199205
main28100-75050i199205-199308
main28100-75060i199205-199308
main28100-75070i199308-199808
main28100-75080i199308-199508
main28100-75090i199308-199907
main28100-75100i199308-199508
main28100-75150i199808-199907
28110HOUSING ASSY, STARTER DRIVE
main28110-54380i199308-199808
12V 2.0KW
main28110-67020i199308-199508
12V 2.7KW
main28110-67030i199308-199508
12V 2.2KW
main28110-67040i199907-200408
12V 2.7KW
main28110-67050i199508-199907
12V 2.2KW
main28110-75010i198908-199308
12V 1.0KW
main28110-75030i198908-199205
12V 1.4KW
main28110-75050i199205-199308
12V 1.4KW
main28110-75070i199308-199808
12V 1.0KW
main28110-75090i199308-199907
12V 1.4KW
main28110-75150i199808-199907
12V 1.0KW
main28115-54011i198908-199907
12V 2.7KW
main28115-54070i198908-199308
12V 2.0KW
main28115-54260i199808-199907
12V 2.2KW
28119COVER, STARTER END FRAME
main28119-47070i198908-199008
main28199-46080i199508-199608
12V 2.2KW
main28199-54190i199008-199907
12V 2.7KW
28119ACOVER, STARTER END FRAME
main28119-46080i199205-199308
12V 2.0KW
main28199-46080i199008-199907
12V 2.7KW
main28199-72020i198908-199205
12V 2.0KW
main28199-74110i199608-199907
12V 1.4KW
main28199-77090i198908-199008
12V 2.0KW
28120YOKE ASSY, STARTER
main28120-15090i198908-199205
12V 1.4KW
main28120-26071i198908-199808
12V 1.0KW
main28120-54070i198908-199308
12V 2.0KW
main28120-54230i198908-199308
12V 2.0KW
main28120-54260i200011-200408
12V 2.2KW
main28120-54380i199308-199702
12V 2.0KW
main28120-54410i199308-199702
12V 2.0KW
main28120-56081i199907-200408
12V 2.7KW
main28120-56231i199308-199407
12V 2.7KW
main28120-64040i199907-200011
12V 2.2KW
main28120-66040i200108-200501
12V 1.2KW
main28120-67020i199907-200408
12V 2.7KW
main28120-70050i199808-199907
12V 1.0KW
main28120-74070i199205-199402
12V 1.4KW
28139WIRE, LEAD, NO.1(FOR STARTER)
main28139-54070i198908-199205
12V 2.0KW
main28139-54171i199808-199907
12V 2.2KW
main28139-54250i199205-199411
12V 2.7KW
main28139-54251i200108-200408
12V 2.7KW
main28139-54380i199308-199808
12V 2.0KW
main28139-67020i199308-199508
12V 2.7KW
main28139-67030i199308-199411
12V 2.2KW
main28139-67031i199411-199508
12V 2.2KW
main28139-77110i198908-199205
12V 2.7KW
28140HOLDER ASSY, STARTER BRUSH
main28140-15090i198908-199205
12V 1.4KW
main28140-26070i198908-199808
12V 1.0KW
main28140-54070i198908-199308
12V 2.0KW
main28140-54380i199308-199808
12V 2.0KW
main28140-64040i199907-200408
12V 2.2KW
main28140-70020i199907-200501
12V 1.0KW
main28140-76070i199205-199907
12V 1.4KW
main28140-77090i200108-200408
12V 2.7KW
28143SPRING, STARTER BRUSH
main28143-54380×4i199308-199808
12V 2.0KW
main28143-70020×4i199808-199907
12V 1.0KW
main28143-76060×4i199308-199508
12V 1.4KW
main90099-17112×4i198908-199907
main90099-17115×4i199907-200408
12V 2.2KW
28150SWITCH ASSY, MAGNET STARTER
main28150-41060i198908-199308
12V 1.0KW
main28150-45050i198908-199205
12V 1.4KW
main28150-54070i199205-199308
12V 2.0KW
main28150-54110i199205-199308
main28150-54181i199205-199308
12V 2.0KW
main28150-54190i199205-199308
12V 2.7KW
main28150-54210i198908-199308
main28150-54220i198908-199205
12V 2.7KW
main28150-54260i199808-199907
12V 2.2KW
main28150-54290i199205-199308
main28150-54320i200305-200408
12V 2.7KW
main28150-54330i199907-200408
12V 2.2KW
main28150-54340i199803-199808
12V 2.0KW
main28150-54380i199308-199803
12V 2.0KW
main28150-54400i199308-199508
main28150-54430i199903-199907
12V 2.7KW
main28150-67020i199308-199508
12V 2.7KW
main28150-67030i199308-199508
12V 2.2KW
main28150-67040i199508-199509
12V 2.7KW
main28150-67050i199508-199907
12V 2.2KW
main28150-67070i199907-200408
12V 2.7KW
main28150-75020i198908-199308
main28150-75040i198908-199205
main28150-75050i199205-199308
12V 1.4KW
main28150-75060i199205-199308
main28150-75070i199308-199808
12V 1.0KW
main28150-75080i199308-199508
main28150-75090i199308-199402
12V 1.4KW
main28150-75100i199308-199402
main28150-75101i199402-199508
main28150-75130i199402-199907
12V 1.4KW
main28150-75150i199907-200501
12V 1.0KW
28159BCOVER, MAGNET SWITCH
main28159-10040i199808-199907
12V 1.0KW; 12V 2.2KW
main28159-17030i199907-200408
12V 2.7KW
main28159-54170i199010-199308
12V 2.0KW
main28159-54380i199308-199808
12V 2.0KW
main28159-55050i199907-200501
12V 1.4KW
main28159-56310i200108-200408
12V 2.7KW
28160ARMATURE ASSY, STARTER
main28160-15091i198908-199205
12V 1.4KW
main28160-26071i198908-199808
12V 1.0KW
main28160-54071i198908-199308
12V 2.0KW
main28160-54140i198908-199907
12V 2.7KW
main28160-54160i198908-199308
main28160-54330i199907-200011
12V 2.2KW
main28160-54380i199308-199808
12V 2.0KW
main28160-64041i200011-200408
12V 2.2KW
main28160-70050i199808-199907
12V 1.0KW
main28160-72051i198908-199308
main28160-74070i199205-199907
12V 1.4KW
main28160-75060i199205-199308
28160ABEARING, STARTER ARMATURE
main28253-45020i198908-199808
main28253-54070i198908-199308
main28253-54330i199907-200011
12V 2.2KW
main90099-10107i199907-200408
main90099-10113i198908-199808
main90099-10119i199907-200408
main90099-10131i199308-199508
main90099-10138i198908-199308
main90099-10139i198908-199308
main90099-10143i198908-199205
main90099-10144i198908-199205
main90099-10196i199907-200501
main90099-10197i199907-200308
main90099-10208i199308-199808
main90099-54120i199608-199907
28165SPRING, STARTER MAGNET SWITCH RETURN
main28165-26040i198908-199808
12V 1.0KW
main28165-76070i199308-199907
12V 1.4KW,2.0KW
main28165-77090i198908-199907
12V 2.7KW
28169CLAMP, STARTER MOTOR LEAD WIRE
main28169-10040i198908-199010
12V 1.0KW
main28169-54070i199010-199308
12V 1.0KW,2.0KW
main28169-54260i199808-199907
12V 2.2KW
main28169-54380i199308-199808
12V 1.4KW,2.0KW
main28169-55050i199907-200308
12V 1.4KW
28175AGASKET, MAGNET SWITCH COVER
main28175-10040i198908-199010
12V 1.0KW; 12V 2.0KW
main28175-54380i199308-199808
12V 2.0KW
main28175-55050i199907-200501
main28175-56310i198908-199010
12V 2.7KW
28182STAY, STARTER COMMUTATOR END FRAME
main28182-54230i198908-199308
main28182-54410i199308-199702
main28182-67020i199308-199508
main28183-54230i198908-199308
main28183-54260i200011-200408
12V 2.2KW
28226STARTER KIT, BATTERY TERMINAL
main28226-17030i200101-200308
main28226-22050i200008-200501
main28226-54080i198908-199101
12V 2.0KW
main28226-54250i198908-199308
12V 2.7KW
main28226-54300i198908-199101
main28226-54320i200103-200408
main28226-54330i199907-200408
12V 2.2KW
main28226-54340i199803-199808
12V 2.0KW
main28226-54350i199101-199308
12V 2.0KW
main28226-54360i199205-199308
main28226-54380i199308-199803
12V 2.0KW
main28226-54400i199308-199508
main28226-56270i199101-199308
main28226-56330i199608-199806
main28226-64200i199308-199907
12V 1.4KW
main28226-64230i199308-199508
main28226-70040i199308-199808
12V 1.0KW
main28226-72050i198908-199308
main28226-72080i198908-199308
12V 1.0KW
main28226-72170i199308-199508
main28226-76070i199205-199308
12V 1.4KW
main28226-76100i199308-199907
12V 2.2KW
28226ASTARTER KIT, MOTOR TERMINAL
main28226-54100i198908-199101
12V 2.0KW
main28226-54220i198908-199907
12V 2.7KW
main28226-72010i199101-199808
12V 1.0KW,2.0KW,2.2KW
main28226-74070i199205-199907
12V 1.4KW
28228AROLLER, STARTER CLUTCH
main28228-26040×5i198908-199907
12V 2.0KW; 12V 2.2KW
main28228-56080×5i199907-200408
12V 2.7KW
28229ARETAINER, STARTER IDLE GEAR
main28229-26040i198908-199308
12V 1.0KW; 12V 2.0KW
main28229-56080i199907-200408
12V 2.7KW
main28229-74070i199808-199907
12V 2.7KW
28235PLUNGER, MAGNET SWITCH
main28235-17030i199907-200408
12V 2.7KW
main28235-35080i199808-199907
12V 1.0KW; 12V 2.2KW
main28235-54380i199308-199808
12V 2.0KW
main28235-55050i199205-199907
12V 1.4KW
28251PINION, STARTER DRIVE
main28251-15090i198908-199205
main28251-54070i198908-199308
main28254-54380i199308-199808
12V 2.0KW
28252GEAR, STARTER IDLE
main28254-45020i198908-199808
12V 1.0KW
main28254-54070i198908-199308
12V 2.0KW
main28254-64040i199308-199907
12V 2.2KW
main28254-64130i199308-199808
12V 2.0KW
main28254-74070i200108-200501
main28254-77090i198908-199907
12V 2.7KW
2817187702BOLT, STARTER
2936287701
9009120623
9009264080
9009901499
9009902214
9009904473
9009905125
9009905129
9009912009
9011912019
9017908146
9411040800
9411551200
9451100800
9671119006

40 parts on this diagram · 13 diagrams in section

STARTER — Toyota Parts Diagram with OEM Numbers & Prices | EPC Data