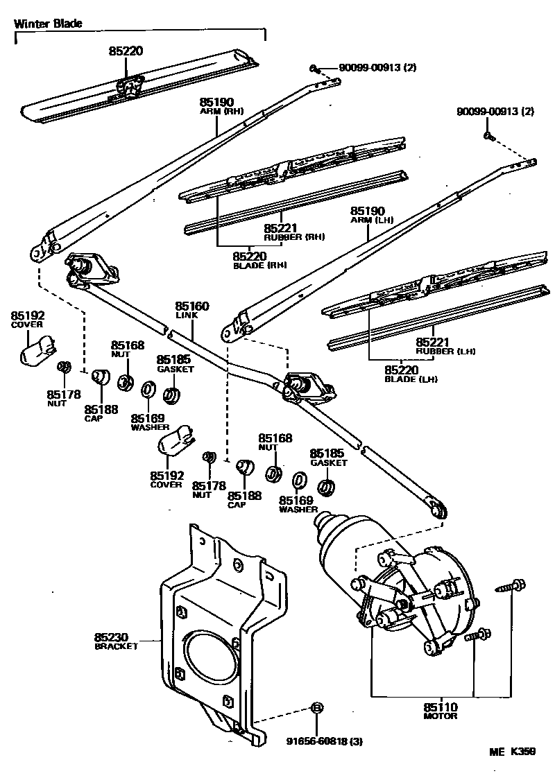
85110MOTOR ASSY, WINDSHIELD WIPER
main85110-95J09iLH66..05S;LH66..(DX,SGL)..08S;LH5#,61,71,YH5#,6#,71198708-198908 main85110-95J11iLH51; LH56,61,71,YH5#,6#,71; LH66198708-198808 85160LINK ASSY, WINDSHIELD WIPER
main85160-95J00iLH66..05S;LH66..(DX,SGL)..08S;LH5#,61,71,YH5#,6#,71198708-198908 85168NUT, WINDSHIELD WIPER LINK PIVOT
main85168-95J00×2iLH66..05S;LH66..(DX,SGL)..08S;LH5#,61,71,YH5#,6#,71198708-198908 85169WASHER, WINDSHIELD WIPER LINK PIVOT, NO.1
main85169-95J00×2iLH66..05S;LH66..(DX,SGL)..08S;LH5#,61,71,YH5#,6#,71198708-198908 85178NUT (FOR FRONT WIPER ARM SETTING)
main90179-08026×2iLH66..05S;LH66..(DX,SGL)..08S;LH5#,61,71,YH5#,6#,71198708-198908 85185GASKET
main85185-95J00×2iLH66..05S;LH66..(DX,SGL)..08S;LH5#,61,71,YH5#,6#,71198708-198908 85188CAP, WINDSHIELD WIPER PIVOT, NO.1
main85135-95J00×2iLH66..05S;LH66..(DX,SGL)..08S;LH5#,61,71,YH5#,6#,71198708-198908 85190ARM ASSY, WINDSHIELD WIPER
main85190-95J06iLH66..05S;LH66..(DX,SGL)..08S;LH5#,61,71,YH5#,6#,71198708-198908 main85210-95J03iLH66..05S;LH66..(DX,SGL)..08S;LH5#,61,71,YH5#,6#,71198708-198908 85192COVER, WINDSHIELD WIPER ARM
main85195-95J00×2iLH66..05S;LH66..(DX,SGL)..08S;LH5#,61,71,YH5#,6#,71198708-198908 85220BLADE ASSY, WINDSHIELD WIPER
main85220-12560iLH66..05S;LH66..(DX,SGL)..08S;LH5#,61,71,YH5#,6#,71198708-198908 main85220-14170iLH66..05S;LH66..(DX,SGL)..08S;LH5#,61,71,YH5#,6#,71198708-198908 main85220-16580iLH66..05S;LH66..(DX,SGL)..08S;LH5#,61,71,YH5#,6#,71198708-198908 main85220-32350iLH66..05S;LH66..(DX,SGL)..08S;LH5#,61,71,YH5#,6#,71198708-198908 85221BLADE, WINDSHIELD WIPER
main85221-12230iLH66..05S;LH66..(DX,SGL)..08S;LH5#,61,71,YH5#,6#,71198708-198908 main85221-30110iLH66..05S;LH66..(DX,SGL)..08S;LH5#,61,71,YH5#,6#,71198708-198908 85230BRACKET ASSY, WINDSHIELD WIPER
main85109-95J00iLH66..05S;LH66..(DX,SGL)..08S;LH5#,61,71,YH5#,6#,71198708-198908