E
EPC Data

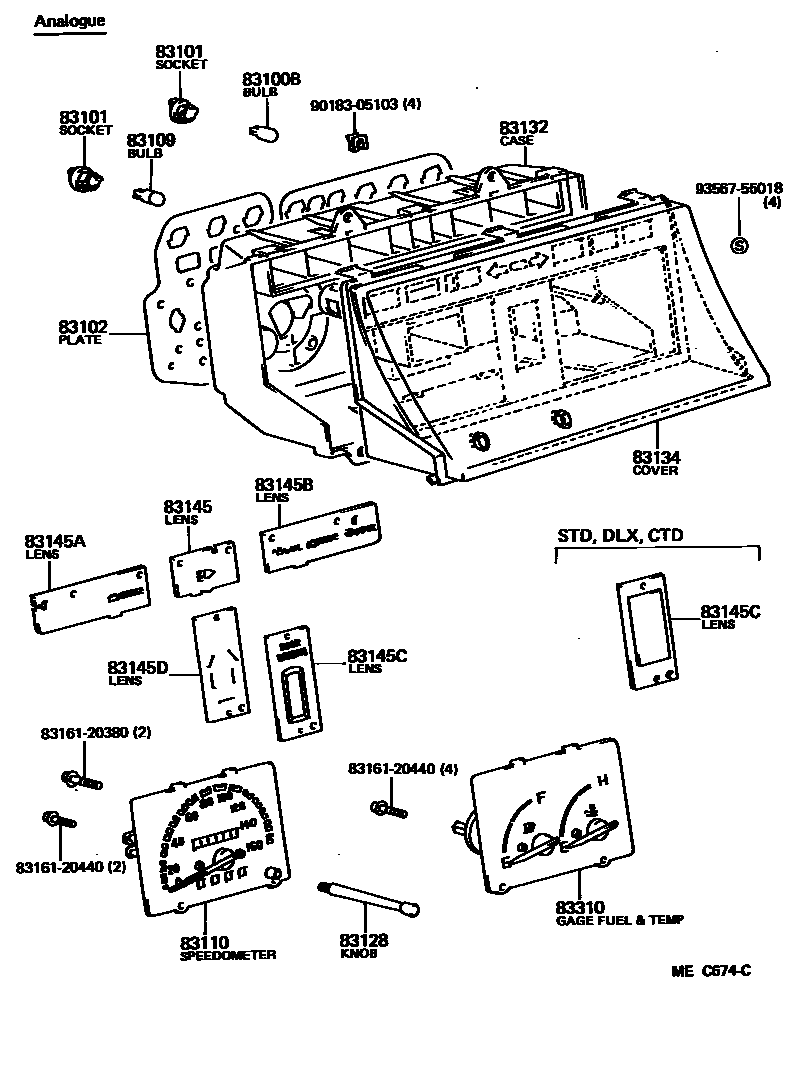
METER

Parts diagram
83100BBULB, COMBINATION METER, NO.1
main90981-11018×3i198508-198708
main99132-12034×16i198212-198708
83101SOCKET SUB-ASSY, COMBINATION METER BULB
main83101-14040×21i198212-198508
BULB:12V 1.4W; W/*DS,BULB:12V 1.4W
main83101-20040×15i198212-198708
BULB:12V 3.4W
main83101-20070×4i198508-198708
W/GREEN CAP,BULB:12V 3.4W
83102PLATE SUB-ASSY, COMBINATION METER CIRCUIT, NO.1
main83247-95J00i198212-198508
main83247-95J01i198212-198508
main83247-95J02i198212-198508
main83247-95J03i198212-198508
main83247-95J07i198212-198708
main83247-95J08i198212-198708
main83247-95J12i198508-198708
main83247-95J13i198508-198708
main83247-95J14i198508-198708
main83247-95J15i198508-198708
main83247-95J16i198508-198708
main83247-95J17i198508-198708
83109BULB, COMBINATION METER, NO.2
main83109-24030×4i198508-198708
83110SPEEDOMETER ASSY
main83110-20881i198212-198403
main83110-95J00i198212-198508
main83110-95J01i198212-198508
main83110-95J17i198403-198508
main83110-95J18i198403-198508
main83110-95J21i198508-198708
main83110-95J22i198508-198708
main83110-95J23i198508-198708
main83110-95J24i198508-198708
main83110-95J25i198508-198708
main83110-95J26i198508-198708
83128KNOB, TRIP COUNTER
main83128-95J00i198212-198708
main83128-95J01i198212-198708
83132CASE, COMBINATION METER
main83132-95J00i198212-198508
main83132-95J01i198212-198705
main83132-95J02i198508-198708
LPG PACKAGE; W/O FUEL WARNING
main83132-95J03i198508-198708
main83132-95J04i198508-198708
83134COVER, COMBINATION METER, NO.1
main83134-95J00i198212-198708
main83134-95J01i198212-198708
main83134-95J02i198508-198708
main83134-95J04i198212-198708
main83134-95J06i198508-198708
83145LENS, METER, NO.1
main83145-95J01i198212-198508
TURN & BEAM
main83145-95J10i198508-198708
TURN & BEAM
83145ALENS, METER, NO.2
main83145-95J00i198212-198508
main83145-95J05i198401-198708
main83145-95J18i198508-198708
main83145-95J19i198508-198708
main83145-95J20i198508-198708
main83145-95J22i198508-198708
83145BLENS, METER, NO.3
main83145-95J02i198508-198708
main83145-95J03i198212-198508
main83145-95J21i198508-198708
main83145-95J23i198508-198708
main83145-95J30i198608-198708
83145CLENS, METER, NO.4
main83145-95J14i198212-198708
BLIND
main83145-95J15i198212-198508
DOOR WARNING
83145DLENS, METER, NO.5
main83145-95J04i198212-198508
DOOR WARNING
83310GAGE ASSY, FUEL RECEIVER
main83243-95J00i198212-198508
main83243-95J07i198212-198508
main83243-95J08i198212-198508
main83243-95J09i198508-198708
LPG PACKAGE; W/O FUEL WARNING
main83243-95J10i198508-198708
main83243-95J11i198508-198708
main83243-95J12i198508-198708
main83243-95J13i198508-198708
main83310-22050i198212-198403
main83310-95J00i198403-198708
8316120380CASE, COMBINATION METER MIRROR, NO.1
8316120440CASE, COMBINATION METER MIRROR, NO.1
9018305103
9356755018

18 parts on this diagram · 5 diagrams in section

METER — Toyota Parts Diagram with OEM Numbers & Prices | EPC Data