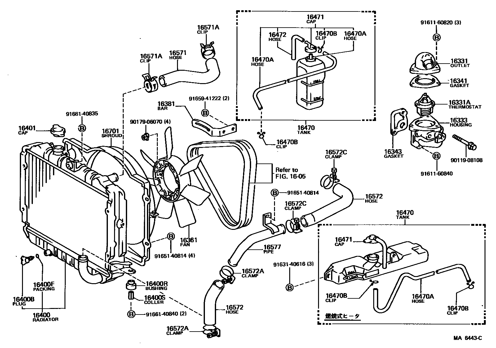
RADIATOR & WATER OUTLET

1605V-BELT
16331OUTLET, WATER
W/*ODAC
16331ATHERMOSTAT
16333HOUSING, WATER OUTLET
16341GASKET, WATER OUTLET
16343GASKET, WATER OUTLET HOUSING
16361FAN
NO.1
NO.2
16381BAR, FAN BELT ADJUSTING
16400RADIATOR ASSY
16400BPLUG, RADIATOR DRAIN COCK
16400FPACKING(FOR RADIATOR DRAIN COCK)
16400RBUSHING(FOR RADIATOR)
16400SCOLLAR(FOR RADIATOR)
16401CAP SUB-ASSY, RADIATOR
16470TANK ASSY, RADIATOR RESERVE
16470AHOSE OR PIPE(FOR RADIATOR RESERVE TANK)
16470BCLAMP OR CLIP(FOR RADIATOR RESERVE TANK HOSE)
16471CAP SUB-ASSY, RESERVE TANK
COLD SPEC
*CH
16472HOSE, BREATHER
16571HOSE, RADIATOR, INLET
16571ACLAMP OR CLIP, HOSE(FOR RADIATOR INLET)
16572HOSE, RADIATOR, OUTLET
WATER PUMP SIDE
WATER PUMP SIDE
WATER PUMP SIDE
RADIATOR SIDE
RADIATOR SIDE
16572ACLAMP OR CLIP, HOSE(FOR RADIATOR OUTLET NO.1)
16572CCLAMP OR CLIP, HOSE(FOR RADIATOR OUTLET NO.2)
PIPE SIDE
WATER PUMP SIDE
16577PIPE, RADIATOR, NO.7
16701SHROUD SUB-ASSY, FAN
9011908108
main90119-08108
9017906070
main90179-06070
9161160820
main91611-60820
9161160840
main91611-60840
9163140616
main91631-40616
9165140814
main91651-40814
9165941222
main91659-41222
9166140835
main91661-40835
9166140840
main91661-40840
35 parts on this diagram · 5 diagrams in section