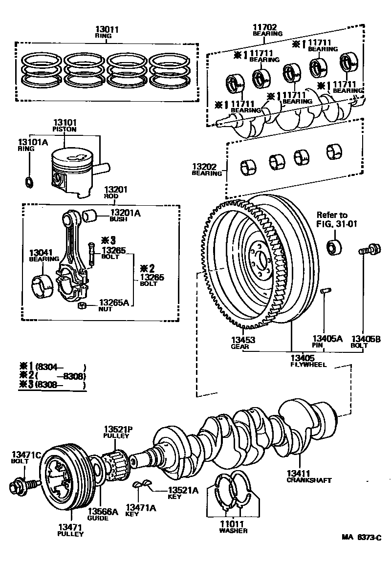
CRANKSHAFT & PISTON

11011WASHER SET, CRANKSHAFT THRUST
11702BEARING SET, CRANKSHAFT
STD
U/S 0.05
U/S 0.25
U/S 0.50
11711BEARING, CRANKSHAFT
MARK"1",MARK 1
MARK"2",MARK 2
MARK"3",MARK 3
MARK"1",MARK 1
MARK"2",MARK 2
MARK"3",MARK 3
13011RING SET, PISTON
STD
STD
STD,LPG PACKAGE
O/S 0.50
O/S 0.50
O/S 0.50,LPG PACKAGE
O/S 0.75,LPG PACKAGE
O/S 0.75,LPG PACKAGE
O/S 1.00,LPG PACKAGE
13041BEARING, CONNECTING ROD
MARK"1",MARK 1
MARK"2",MARK 2
MARK"3",MARK 3
MARK"1",MARK 1
MARK"2",MARK 2
MARK"3",MARK 3
MARK"1",MARK 1
MARK"2",MARK 2
MARK"3",MARK 3
MARK"6",MARK 6
MARK"7",MARK 7
MARK"8",MARK 8
13101PISTON SUB-ASSY, W/PIN
STD
STD
O/S 0.50
O/S 0.50
13101ARING, HOLE SNAP(FOR PISTON PIN)
13201ROD SUB-ASSY, CONNECTING
13201ABUSH(FOR CONNECTING ROD SMALL END)
13202BEARING SET, CONNECTING ROD
U/S 0.25
U/S 0.50
13265BOLT, CONNECTING ROD
13265ANUT, HEXAGON(FOR CONNECTING ROD BOLT)
13405FLYWHEEL SUB-ASSY
13405APIN, STRAIGHT(FOR FLYWHEEL)
13405BBOLT, FLYWHEEL SETTING
13411CRANKSHAFT
13453GEAR, FLYWHEEL RING
N=115
13471PULLEY, CRANKSHAFT
13471AKEY, CRANKSHAFT(FOR CRANKSHAFT PULLEY SET)
13471CBOLT(FOR CRANKSHAFT PULLEY SET)
13521GEAR OR SPROCKET, CRANKSHAFT TIMING
N=18
13521AKEY(FOR CRANKSHAFT TIMING GEAR)
13521PPULLEY, CRANKSHAFT TIMING
13566AGUIDE, TIMING BELT
3101CLUTCH & RELEASE FORK
25 parts on this diagram · 2 diagrams in section