E
EPC Data

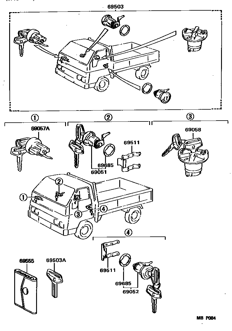
LOCK CYLINDER SET

Parts diagram
69051CYLINDER & KEY SET, DOOR LOCK, RH
main69051-95403i198708-199505
69052CYLINDER & KEY SET, DOOR LOCK, LH
main69052-95403i198708-199505
main69052-95405i198708-199309
69057ACYLINDER & KEY SET, IGNITION SWITCH LOCK
main69057-95412i198708-199505
69058CYLINDER & KEY SET, FUEL FILLER LID
main69058-95400i198708-199505
main69058-95406i198708-199505
69503CYLINDER SET, LOCK
main69503-95452i198708-199505
main69503-95453i198708-199309
main69503-95456i198708-199505
69503AKEY, BLANK
main90999-00066i198708-199505
main90999-00129i198708-199505
69511RETAINER, FRONT DOOR LOCK CYLINDER
main69511-32010i198708-199309
main69511-95400i198708-199309
main69511-95400i198708-199505
69555COVER, KEY
main69555-20010i198708-199505
69685PAD, LOCK CYLINDER
main69513-32010i198708-199505

9 parts on this diagram · 1 diagram in section

LOCK CYLINDER SET — Toyota Parts Diagram with OEM Numbers & Prices | EPC Data