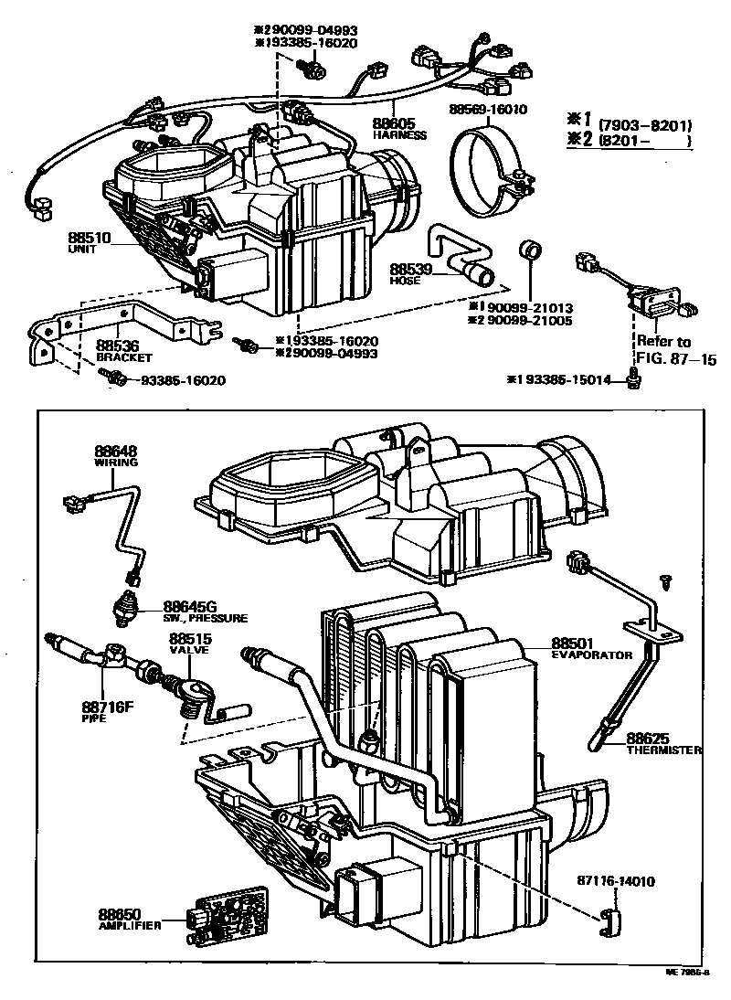
HEATING & AIR CONDITIONING - COOLER UNIT

8715HEATING & AIR CONDITIONING - CONTROL & AIR DUCT
88501EVAPORATOR SUB-ASSY, COOLER, NO.1
OKINAWA SPEC
88510UNIT ASSY, COOLER
OKINAWA SPEC
88515VALVE, COOLER EXPANSION
88536BRACKET, COOLING UNIT, NO.1
88539HOSE, COOLER UNIT DRAIN, NO.1
88605HARNESS SUB-ASSY, COOLER WIRING, NO.1
88625THERMISTOR, COOLER, NO.1
88648WIRING, COOLER, NO.1
88650AMPLIFIER ASSY, COOLER STABILIZER
88716FPIPE, COOLER REFRIGERANT LIQUID, F
8711614010SPRING, HEATER CASE FASTENING
main87116-14010
8856916010CLAMP (FOR COOLER RELAY)
main88569-16010
9009904993
main90099-04993
9009921005
main90099-21005
9009921013
main90099-21013
9338515014
main93385-15014
9338516020
main93385-16020
19 parts on this diagram · 1 diagram in section