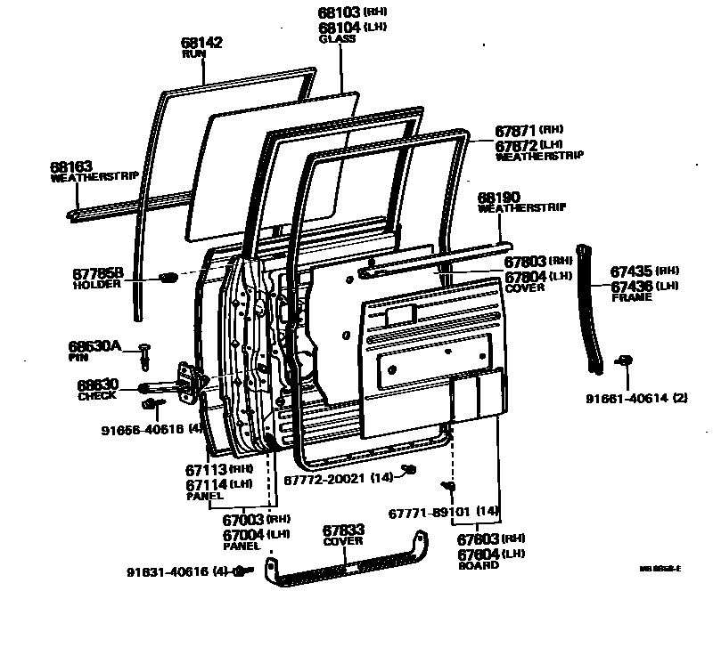
REAR DOOR PANEL & GLASS

67003PANEL SUB-ASSY, REAR DOOR, RH
67004PANEL SUB-ASSY, REAR DOOR, LH
67113PANEL, REAR DOOR, OUTER RH
67114PANEL, REAR DOOR, OUTER LH
67435FRAME, REAR DOOR WINDOW LOWER, RH
67436FRAME, REAR DOOR WINDOW, LOWER LH
67603BOARD SUB-ASSY, REAR DOOR TRIM, RH
BLACK,BLACK
BLACK,BLACK
BEIGE,BEIGE
67604BOARD SUB-ASSY, REAR DOOR TRIM, LH
BLACK,BLACK
BLACK,BLACK
BEIGE,BEIGE
67785BHOLDER, DOOR LOCKING BUTTON COLLAR(FOR REAR DOOR)
BLACK,BLACK
BLACK,BLACK
BEIGE,BEIGE
67803COVER SUB-ASSY, REAR DOOR SERVICE HOLE, RH
67804COVER SUB-ASSY, REAR DOOR SERVICE HOLE, LH
67833COVER, REAR DOOR SERVICE HOLE
67871WEATHERSTRIP, REAR DOOR, RH
67872WEATHERSTRIP, REAR DOOR, LH
68103GLASS SUB-ASSY, REAR DOOR, RH
68104GLASS SUB-ASSY, REAR DOOR, LH
68142RUN, REAR DOOR GLASS
68163WEATHERSTRIP, REAR DOOR GLASS, OUTER
68190WEATHERSTRIP ASSY, REAR DOOR GLASS, INNER
RH
LH
68630CHECK ASSY, REAR DOOR
68630APIN(FOR REAR DOOR CHECK)
6777189101WEATHERSTRIP, BACK DOOR TRIM, RH
main67771-89101
6777220021WEATHERSTRIP, BACK DOOR TRIM, LH
main67772-20021
9163140616
main91631-40616
9165640616
main91656-40616
9166140614
main91661-40614
26 parts on this diagram · 1 diagram in section