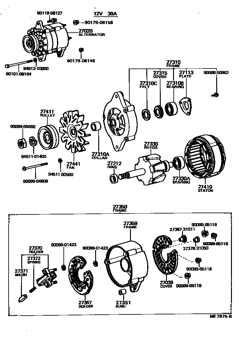
ALTERNATOR

27020ALTERNATOR ASSY
12V 30A
12V 40A
12V 40A
27039COVER, ALTERNATOR REAR END
12V 30A
12V 40A
12V 40A
27113PLATE, BEARING RETAINER, ALTERNATOR
12V 30A
12V 40A
27212RING, SPACE(FOR ALTERNATOR ROTOR)
12V 40A
12V 30A
27310FRAME ASSY, DRIVE END, ALTERNATOR
12V 40A
12V 30A
12V 40A
27310ACOLLAR OR NUT(FOR ALTERNATOR DRIVE END FRAME)
12V 40A
12V 30A
12V 40A
27310BBEARING(FOR ALTERNATOR DRIVE END FRAME)
12V 30A
12V 40A
12V 40A
27310CFELT(FOR ALTERNATOR DRIVE END FRAME)
12V 40A
12V 30A
27315COVER, ALTERNATOR FELT, INNER NO.1
12V 40A
12V 30A
27330ROTOR ASSY, ALTERNATOR
12V 30A
12V 40A
12V 40A
27330ABEARING(FOR ALTERNATOR ROTOR)
12V 40A
12V 40A
12V 30A
27350FRAME ASSY, RECTIFIER END
12V 30A
12V 40A
27351BUSH(FOR ALTERNATOR RECTIFIER END FRAME)
12V 30A
12V 40A
27357HOLDER, ALTERNATOR, W/RECTIFIER
12V 30A
27359FRAME, ALTERNATOR RECTIFIER END
12V 40A
12V 30A
12V 40A
27370HOLDER ASSY, ALTERNATOR BRUSH
12V 30A
27371BRUSH, ALTERNATOR
12V 30 & 40A
27372SPRING, ALTERNATOR BRUSH
12V 30 & 40A
27410STATOR ASSY, ALTERNATOR
12V 30A
12V 40A
12V 40A
27411PULLEY, ALTERNATOR
12V 30A
12V 40A
27441FAN, ALTERNATOR
12V 30A
12V 40A
2737831050INSULATOR, ALTERNATOR, NO.1
main27378-31050
2738731011INSULATOR, TERMINAL
main27387-31011
9009900862
main90099-00862
9009901423
main90099-01423
9009904808
main90099-04808
9009905060
main90099-05060
9009905118
main90099-05118
9009905119
main90099-05119
9010108164
main90101-08164
9011908127
main90119-08127
9017906158
main90179-06158
9017908146
main90179-08146
9451100500
main94511-00500
9451101400
main94511-01400
9461210800
main94612-10800
36 parts on this diagram · 3 diagrams in section