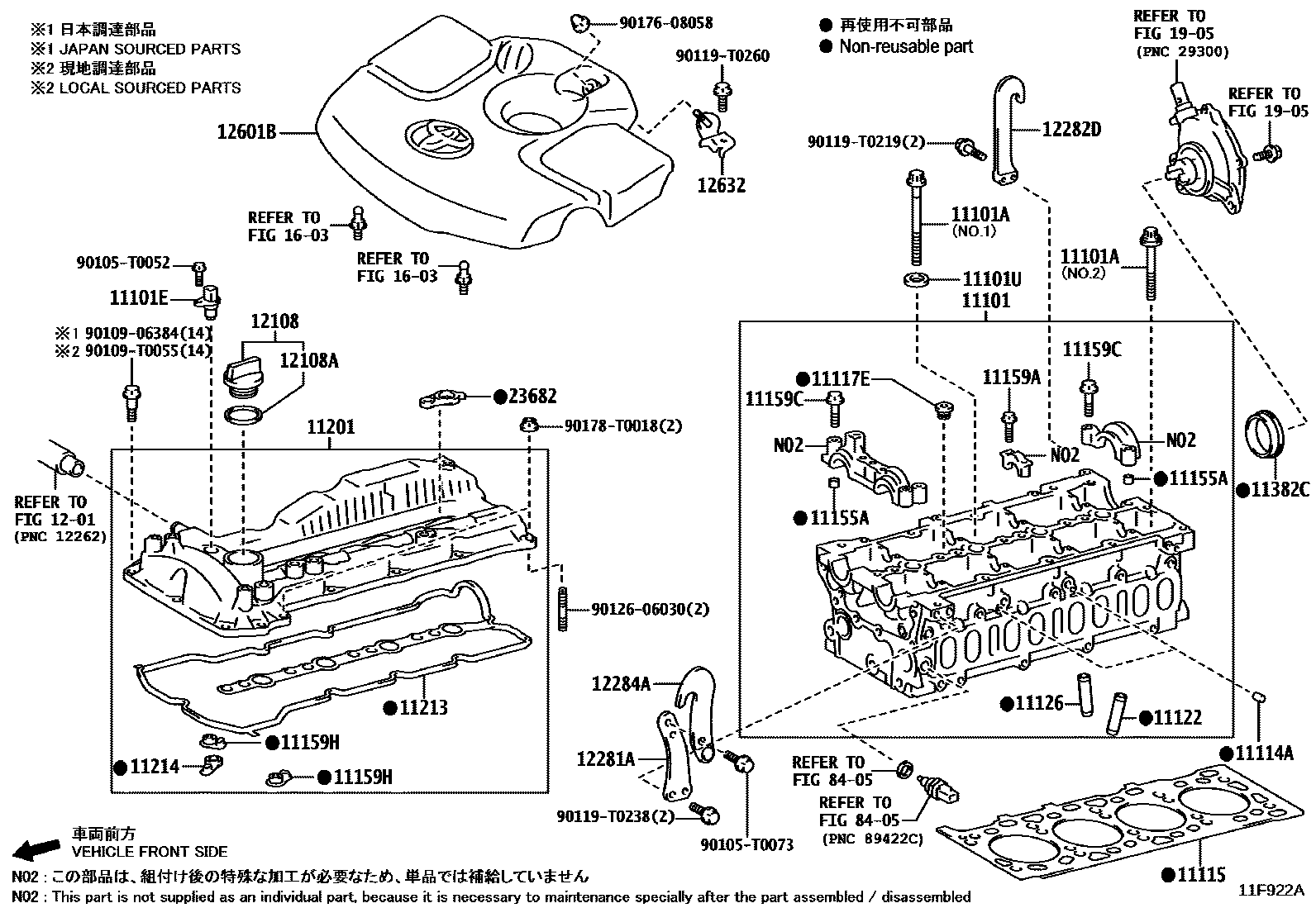
CYLINDER HEAD

11101HEAD SUB-ASSY, CYLINDER
11101ABOLT(FOR CYLINDER HEAD SET)
11101ESENSOR, CAM POSITION
11101USPACER(FOR CYLINDER HEAD SET BOLT)
11114APIN, STRAIGHT
11115GASKET, CYLINDER HEAD
11117EPLUG, W/HEAD STRAIGHT SCREW, NO.1
11122BUSH, INTAKE VALVE GUIDE
11126BUSH, EXHAUST VALVE GUIDE
11155APIN, RING W/HEAD
11159ABOLT(FOR HEAD TO CAMSHAFT BEARING CAP)
11159CBOLT(FOR HEAD TO CAMSHAFT BEARING CAP)
11159HGASKET, CAMSHAFT BEARING CAP OIL HOLE
11201COVER SUB-ASSY, CYLINDER HEAD
11213GASKET, CYLINDER HEAD COVER
11214GASKET, CYLINDER HEAD COVER, NO.2
11382CRETAINER, CAMSHAFT OIL SEAL
1201VENTILATION HOSE
12108CAP SUB-ASSY, OIL FILLER
12108AGASKET(FOR OIL FILLER CAP)
12281AHANGER, ENGINE, NO.1
12282DHANGER, ENGINE, NO.2
12284AHANGER, ENGINE, NO.1 UPPER
12601BCOVER SUB-ASSY, ENGINE, NO.1
12632BRACKET, ENGINE COVER, NO.2
1603RADIATOR & WATER OUTLET
1905VACUUM PUMP
23682GASKET, NOZZLE HOLDER
8405ELECTRONIC CONTROLED DIESEL (ECD)
90105T0052
main90105-T0052
90105T0073
main90105-T0073
9010906384
main90109-06384
90109T0055
main90109-T0055
90119T0219
main90119-T0219
90119T0238
main90119-T0238
90119T0260
main90119-T0260
9012606030
main90126-06030
9017608058
main90176-08058
90178T0018
main90178-T0018
39 parts on this diagram · 1 diagram in section