E
EPC Data

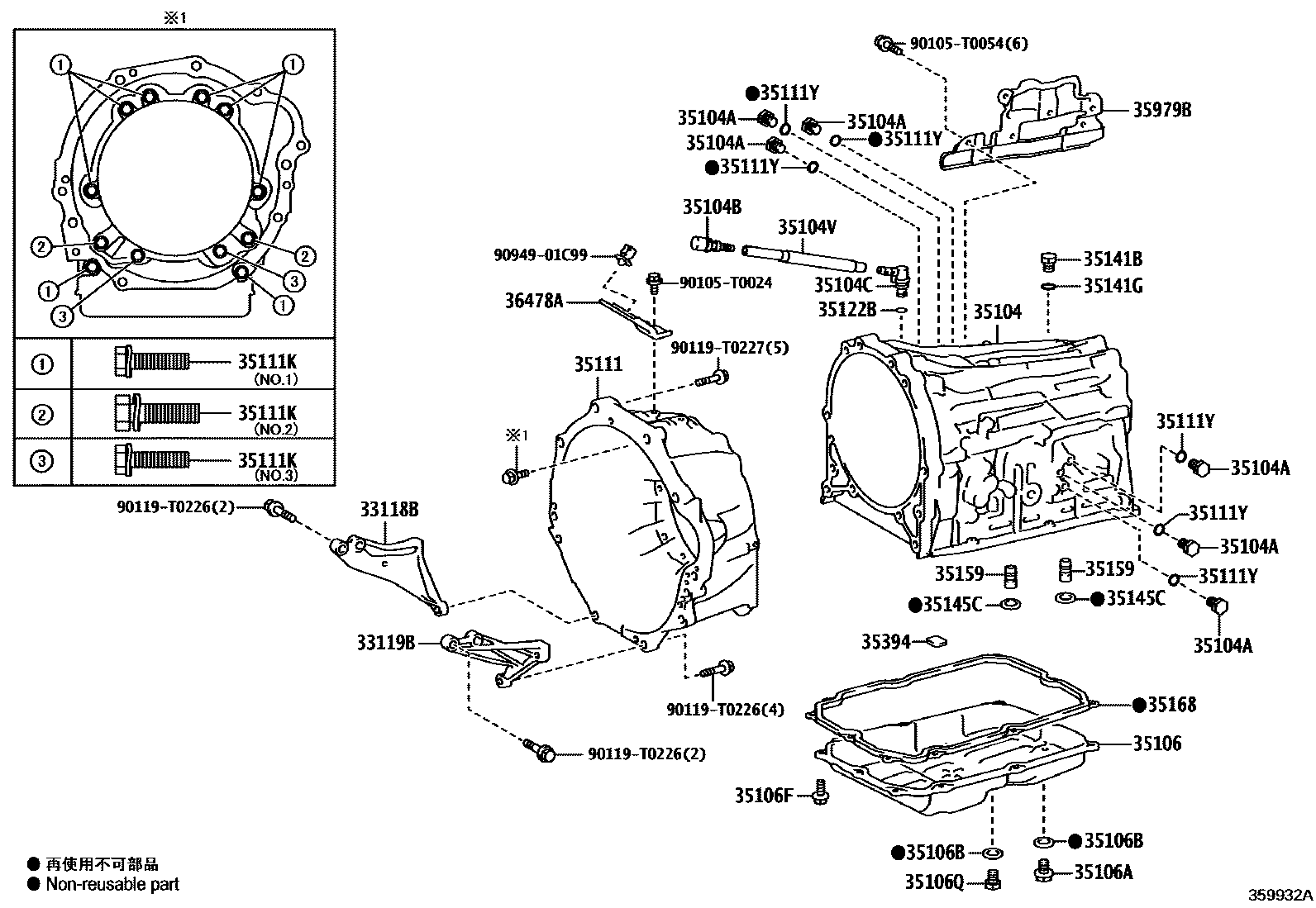
TRANSMISSION CASE & OIL PAN (ATM)

Parts diagram
33118BPLATE, STIFFENER, RH(ATM)
main33118-0K030i201708-202005
33119BPLATE, STIFFENER, LH(ATM)
main33119-0K020i201708-202005
35104CASE SUB-ASSY, AUTOMATIC TRANSMISSION
main35104-0K010i201708-202005
35104APLUG, AUTOMATIC TRANSMISSION CASE
main90341-08001i201708-202005
35104BPLUG, BREATHER, NO.1 (ATM)
main90930-03211i201708-201912
main90930-03211i201912-202005
main90930-T3004i201912-202005
35104CPLUG, BREATHER, NO.2 (ATM)
main90930-03220i201708-201912
main90930-03220i201912-202005
main90930-T3006i201912-202005
35104VHOSE (FOR BREATHER PLUG)
main90447-11080i201708-202005
35106PAN SUB-ASSY, AUTOMATIC TRANSMISSION OIL
main35106-0K010i201708-202005
35106APLUG SUB-ASSY, DRAIN (ATM)
main90341-10011i201708-202005
35106BGASKET, DRAIN PLUG (ATM)
main35178-30010i201708-202005
35106FBOLT (FOR AUTOMATIC TRANSMISSION OIL PAN)
main90119-06A02i201708-202005
35106QPLUG (FOR AUTOMATIC TRANSMISSION OIL PAN)
main90341-10021i201708-202005
35111HOUSING, AUTOMATIC TRANSMISSION
main35111-0K010i201708-202005
35111KBOLT (FOR TRANSMISSION HOUSING & CASE SETTING)
main90119-08C62i201708-202005
main90119-10232i201708-202005
main90119-10947i201708-202005
main90119-12378i201708-202005
35111YRING, O (FOR AUTOMATIC TRANSMISSION CASE)
main90301-T0067i201708-202005
35122BRING, O (FOR AUTOMATIC TRANSAXLE BREATHER TUBE UNION)
main90301-T0070i201708-202005
35141BPLUG (FOR AUTOMATIC TRANSMISSION CASE)
main90341-14011i201708-202005
35141GRING, O (FOR AUTOMATIC TRANSMISSION CASE)
main90301-T0069i201708-202005
35145CGASKET, TRANSAXLE CASE
main35145-60020i201708-202005
35159GASKET, BRAKE DRUM
main35159-0K010i201912-202005
main35159-71010i201708-201911
35168GASKET, AUTOMATIC TRANSMISSION OIL PAN
main35168-0K010i201912-202005
main35168-71010i201708-201912
main35168-71010i201912-202005
35394MAGNET, OIL CLEANER (FOR TRANSMISSION)
main35394-30011i201708-202005
35979BINSULATOR, TRANSMISSION, RH
main35979-0K010i201708-202005
36478ABRACKET, TRANSMISSION BREATHER
main36478-0K060i201708-202005
90105T0024
90105T0054
90119T0226
90119T0227
9094901C99

29 parts on this diagram · 1 diagram in section

TRANSMISSION CASE & OIL PAN (ATM) — Toyota Parts Diagram with OEM Numbers & Prices | EPC Data