E
EPC Data

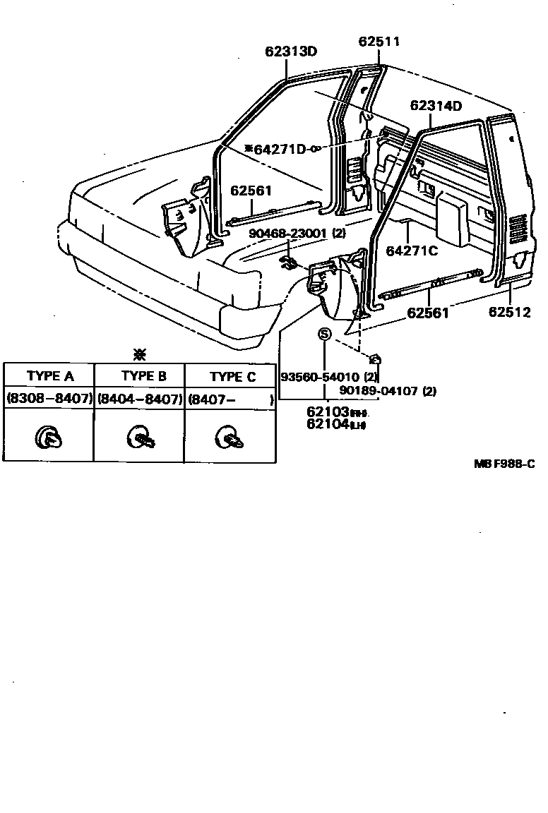
INSIDE TRIM BOARD

Parts diagram
62103BOARD SUB-ASSY, COWL SIDE TRIM, RH
main62101-89104-03i198311-198608
GRAY,GRAY,TRIM1#
main62101-89104-04i198311-198608
BLUE,BLUE,TRIM8#
main62101-89104-05i198608-198903
BEIGE,BEIGE,TRIM4#
main62101-89104-06i198311-198608
BROWN,BROWN,TRIM4#
main62101-89104-13i198608-198903
GRAY,GRAY,TRIM1#
main62101-89104-14i198608-198808
BLUE,BLUE,TRIM8#
62104BOARD SUB-ASSY, COWL SIDE TRIM, LH
main62102-89105-03i198311-198608
GRAY,GRAY,TRIM1#
main62102-89105-04i198311-198608
BLUE,BLUE,TRIM8#
main62102-89105-05i198608-198903
BEIGE,BEIGE,TRIM4#
main62102-89105-06i198311-198608
BROWN,BROWN,TRIM4#
main62102-89105-13i198608-198903
GRAY,GRAY,TRIM1#
main62102-89105-14i198608-198808
BLUE,BLUE,TRIM8#
62313DTRIM, FRONT DOOR OPENING, RH
main62310-89101-03i198711-198903
GRAY,GRAY,TRIM1#
main62310-89101-05i198711-198903
BEIGE,BEIGE,TRIM4#
main62313-89109-03i198311-198403
GRAY,GRAY,TRIM1#
main62313-89109-04i198311-198403
BLUE,BLUE,TRIM8#
main62313-89109-06i198311-198403
BROWN,BROWN,TRIM4#
main62313-89110-03i198403-198608
GRAY,GRAY,TRIM1#
main62313-89110-04i198403-198608
BLUE,BLUE,TRIM8#
main62313-89110-05i198608-198808
BEIGE,BEIGE,TRIM4#
main62313-89110-06i198403-198608
BROWN,BROWN,TRIM4#
main62313-89110-13i198608-198808
GRAY,GRAY,TRIM1#
main62313-89110-14i198608-198808
BLUE,BLUE,TRIM8#
62314DTRIM, FRONT DOOR OPENING, LH
main62313-89109-03i198311-198403
GRAY,GRAY,TRIM1#
main62313-89109-04i198311-198403
BLUE,BLUE,TRIM8#
main62313-89109-06i198311-198403
BROWN,BROWN,TRIM4#
main62313-89110-03i198403-198608
GRAY,GRAY,TRIM1#
main62313-89110-04i198403-198608
BLUE,BLUE,TRIM8#
main62313-89110-05i198608-198808
BEIGE,BEIGE,TRIM4#
main62313-89110-06i198403-198608
BROWN,BROWN,TRIM4#
main62313-89110-13i198608-198808
GRAY,GRAY,TRIM1#
main62313-89110-14i198608-198808
BLUE,BLUE,TRIM8#
main62320-89101-03i198711-198903
GRAY,GRAY,TRIM1#
main62320-89101-05i198711-198903
BEIGE,BEIGE,TRIM4#
62511BOARD, QUARTER INSIDE TRIM, RH
main62511-89104-03i198311-198508
LIGHT GRAY,GRAY,TRIM1#
main62511-89104-04i198311-198508
LIGHT BLUE,BLUE,TRIM8#
main62511-89104-05i198608-198808
BEIGE,BEIGE,TRIM4#
main62511-89104-06i198311-198508
LIGHT BROWN,BROWN,TRIM4#
main62511-89104-13i198508-198608
GRAY,GRAY,TRIM1#
main62511-89104-14i198508-198608
BLUE,BLUE,TRIM8#
main62511-89104-16i198508-198608
BROWN,BROWN,TRIM4#
main62511-89104-23i198608-198808
GRAY,GRAY,TRIM1#
main62511-89104-24i198608-198808
BLUE,BLUE,TRIM8#
main62511-89111-03i198405-198608
GRAY,GRAY,TRIM1#
main62511-89111-04i198405-198608
BLUE,BLUE,TRIM8#
main62511-89111-05i198608-198903
BEIGE,BEIGE,TRIM4#
main62511-89111-06i198405-198608
BROWN,BROWN,TRIM4#
main62511-89111-13i198608-198903
GRAY,GRAY,TRIM1#
62512BOARD, QUARTER INSIDE TRIM, LH
main62512-89104-03i198311-198508
LIGHT GRAY,GRAY,TRIM1#
main62512-89104-04i198311-198508
LIGHT BLUE,BLUE,TRIM8#
main62512-89104-05i198608-198808
BEIGE,BEIGE,TRIM4#
main62512-89104-06i198311-198508
LIGHT BROWN,BROWN,TRIM4#
main62512-89104-13i198508-198608
GRAY,GRAY,TRIM1#
main62512-89104-14i198508-198608
BLUE,BLUE,TRIM8#
main62512-89104-16i198508-198608
BROWN,BROWN,TRIM4#
main62512-89104-23i198608-198808
GRAY,GRAY,TRIM1#
main62512-89104-24i198608-198808
BLUE,BLUE,TRIM8#
main62512-89111-03i198405-198608
GRAY,GRAY,TRIM1#
main62512-89111-04i198405-198608
BLUE,BLUE,TRIM8#
main62512-89111-05i198608-198903
BEIGE,BEIGE,TRIM4#
main62512-89111-06i198405-198608
BROWN,BROWN,TRIM4#
main62512-89111-13i198608-198903
GRAY,GRAY,TRIM1#
62561PROTECTOR, ROCKER PANEL, INNER FRONT
main62561-89102i198311-198808
main62561-89103i198405-198903
RH
64271CTRIM, BACK PANEL
main64271-89106-03i198311-198508
LIGHT GRAY,GRAY,TRIM1#
main64271-89106-04i198311-198508
LIGHT BLUE,BLUE,TRIM8#
main64271-89106-06i198311-198508
LIGHT BROWN,BROWN,TRIM4#
main64271-89112-03i198508-198608
GRAY,GRAY,TRIM1#
main64271-89112-04i198508-198608
BLUE,BLUE,TRIM8#
main64271-89112-05i198608-198808
BEIGE,BEIGE,TRIM4#
main64271-89112-06i198508-198608
BROWN,BROWN,TRIM4#
main64271-89112-13i198608-198808
GRAY,GRAY,TRIM1#
main64271-89112-14i198608-198808
BLUE,BLUE,TRIM8#
64271DCLIP(FOR BACK PANEL TRIM)
main90467-08015-13i198407-198508
LIGHT GRAY,GRAY,TRIM1#
main90467-08015-15i198608-198808
BEIGE,BEIGE,TRIM4#
main90467-08015-23i198508-198608
GRAY,GRAY,TRIM1#
main90467-08015-24i198407-198508
LIGHT BLUE,BLUE,TRIM8#
main90467-08015-26i198407-198508
LIGHT BROWN,BROWN,TRIM4#
main90467-08015-33i198608-198808
GRAY,GRAY,TRIM1#
main90467-08015-34i198508-198608
BLUE,BLUE,TRIM8#
main90467-08015-36i198508-198608
BROWN,BROWN,TRIM4#
main90467-08015-44i198608-198808
BLUE,BLUE,TRIM8#
main90467-08056-03i198404-198407
TYPE B,LIGHT GRAY,LIGHT GRAY,TRIM1#
main90467-08056-04i198404-198407
TYPE B,LIGHT BLUE,LIGHT BLUE,TRIM8#
main90467-08056-06i198404-198407
TYPE B,LIGHT BROWN,LIGHT BROWN,TRIM4#
main90467-10044-04i198311-198407
TYPE A,LIGHT BLUE,BLUE,TRIM8#
main90467-10044-06i198311-198407
TYPE A,LIGHT BROWN,BROWN,TRIM4#
main90467-10044-13i198311-198407
TYPE A,LIGHT GRAY,GRAY,TRIM1#
9018904107
9046823001
9356054010

12 parts on this diagram · 3 diagrams in section

INSIDE TRIM BOARD — Toyota Parts Diagram with OEM Numbers & Prices | EPC Data