E
EPC Data

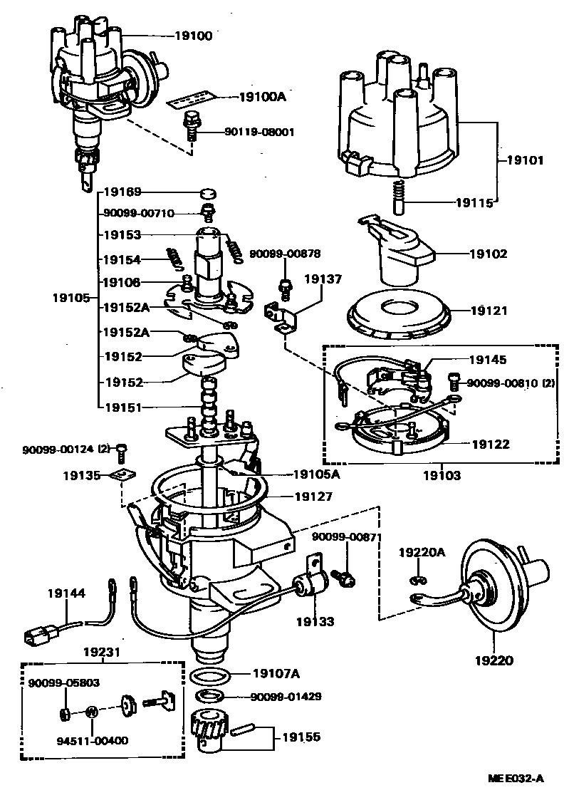
DISTRIBUTOR

Parts diagram
19100DISTRIBUTOR ASSY
main19030-71060i198608-198903
main19030-72010i198411-198808
LPG PACKAGE,3YP
main19030-73010i198608-198903
main19100-71010i198311-198608
19100ATAPE, SEALING
main90919-24004i198411-198808
LPG PACKAGE,3YP
19101CAP SUB-ASSY, DISTRIBUTOR
main19101-71010i198411-198808
LPG PACKAGE,3YP
main19101-71020i198311-198608
19102ROTOR SUB-ASSY, DISTRIBUTOR
main19102-16040i198608-198903
main19102-33012i198311-198608
main19102-63010i198411-198808
LPG PACKAGE,3YP
19103BREAKER SUB-ASSY, DISTRIBUTOR
main19103-26211i198311-198608
19105GOVERNOR SUB-ASSY
main19105-71011i198311-198608
main19105-71060i198608-198903
main19105-72010i198411-198808
LPG PACKAGE,3YP
19105AWASHER(FOR GOVERNOR SHAFT THRUST)
main90099-01385i198311-198608
main90099-01386i198311-198608
main90099-01387i198311-198608
main90099-01412i198311-198608
main90099-01486i198608-198903
main90099-01487i198608-198903
main90099-01488i198608-198903
main90099-01489i198608-198903
main90099-01492i198411-198808
main90099-01493i198411-198808
main90099-01494i198411-198808
main90099-01495i198411-198808
19106CAM SUB-ASSY, DISTRIBUTOR
main19106-18030i198311-198312
main19106-88220i198312-198608
19107ARING, O, DISTRIBUTOR HOUSING
main90099-14020i198411-198808
LPG PACKAGE,3YP
19115PIECE, DISTRIBUTOR CAP, CENTER
main19115-50010i198311-198608
main19115-63010×2i198411-198808
LPG PACKAGE,3YP
main19115-71010×2i198608-198705
19121COVER, DUST PROOF
main19121-38030i198311-198608
main19121-63010i198608-198903
NO.1
main19121-63040i198608-198903
NO.2
main19121-63090i198608-198903
NO.1
19122PLATE, STATIONARY, DISTRIBUTOR
main19122-26210i198311-198312
main19122-26211i198312-198608
19127PACKING, DUST PROOF
main19127-15010i198311-198608
main19127-63010i198608-198903
NO.1
main19127-63020i198608-198903
NO.2
19133CONDENSER, DISTRIBUTOR
main90099-52059i198311-198608
19135PLATE, HOLDER
main90099-02198×2i198311-198608
19137SPRING SUB-ASSY, DAMPER
main19137-33012i198311-198608
19144LEAD, DISTRIBUTOR BREAKER
main19144-34180i198311-198608
main19144-71011i198411-198808
LPG PACKAGE,3YP
main19144-71061i198608-198903
main19144-73011i198608-198903
19145POINT, DISTRIBUTOR
main19145-26060i198311-198608
19151SHAFT, GOVERNOR
main19151-71010i198608-198903
main19151-71020i198311-198608
19152WEIGHT, GOVERNOR
main19152-44170×2i198311-198312
main19152-63010×2i198411-198508
LPG PACKAGE,3YP
main19152-71010×2i198508-198808
LPG PACKAGE,3YP
19152ARING, SNAP(FOR GOVERNOR WEIGHT)
main90099-07109×2i198311-198312
main90099-07122×2i198411-198808
LPG PACKAGE,3YP
19153SPRING, GOVERNOR, A
main19153-71011i198311-198312
main19153-71012i198312-198608
main19153-71060i198608-198903
main19153-72010i198411-198808
LPG PACKAGE,3YP
19154SPRING, GOVERNOR, B
main19153-71011i198311-198312
main19153-71012i198312-198608
main19153-71060i198608-198903
main19154-72010i198411-198808
LPG PACKAGE,3YP
19155GEAR, SPIRAL, DISTRIBUTOR
main19195-71010i198411-198808
LPG PACKAGE,3YP
main19195-71011i198311-198608
19169STOPPER, CAM GREASE
main19169-32010i198411-198705
LPG PACKAGE,3YP
main19169-63011i198705-198808
LPG PACKAGE,3YP
19220ADVANCER ASSY, VACUUM, DISTRIBUTOR
main19220-71011i198311-198608
main19220-71060i198608-198903
main19220-72010i198411-198808
LPG PACKAGE,3YP
19220ARING, SNAP(FOR DISTRIBUTOR VACUUM ADVANCER)
main90099-07109i198311-198608
19231TERMINAL, DISTRIBUTOR
main19231-24140i198311-198608
9009900124
9009900710
9009900810
9009900871
9009900878
9009901429
9009905803
9011908001
9451100400

37 parts on this diagram · 3 diagrams in section

DISTRIBUTOR — Toyota Parts Diagram with OEM Numbers & Prices | EPC Data