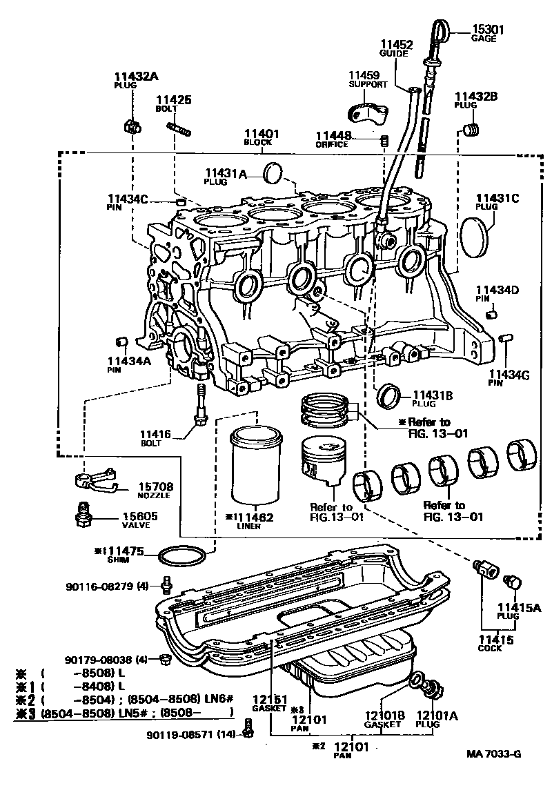
CYLINDER BLOCK

11401BLOCK SUB-ASSY, CYLINDER
sub11401-59236
sub11401-59246
LPG PACKAGE,3YP
sub11401-79086
sub16268-73021
sub16268-73031
sub16268-73051
sub16268-73070
sub87208-28021
sub87208-89126
sub11401-79088
11416BOLT(FOR CRANKSHAFT BEARING CAP SET)
LPG PACKAGE,3YP
*12-1.25PX80-24
11425BOLT, STUD(FOR OIL FILTER)
L=36,S=11&14
11431APLUG, TIGHT, NO.1(FOR CYLINDER BLOCK)
LPG PACKAGE,3YP
OD=25
11431BPLUG, TIGHT, NO.2(FOR CYLINDER BLOCK)
LPG PACKAGE,3YP
OD=35
11431CPLUG, TIGHT, NO.3(FOR CYLINDER BLOCK)
LPG PACKAGE,3YP
OD=50
11432APLUG, W/HEAD TAPER SCREW, NO.1
11432BPLUG, W/HEAD TAPER SCREW, NO.2
LPG PACKAGE,3YP
11434APIN, STRAIGHT(FOR TIMING GEAR COVER SET)
11434CPIN, STRAIGHT (FOR CYLINDER HEAD SET)
11434DPIN, STRAIGHT(FOR ENGINE REAR OIL SEAL)
11434GPIN, STRAIGHT(FOR END PLATE)
L=22,OD=10
11448ORIFICE, CYLINDER BLOCK OIL
11452GUIDE, OIL LEVEL GAGE
LPG PACKAGE,3YP
11459SUPPORT, OIL LEVEL GAGE GUIDE
11462LINER, CYLINDER
11475SHIM, CYLINDER LINER
T=0.05
T=0.10
12101PAN SUB-ASSY, OIL
sub12101-54062
sub12101-54130
LPG PACKAGE,3YP
sub12101-73012
12151GASKET, OIL PAN
1301
15301GAGE SUB-ASSY, OIL LEVEL
LPG PACKAGE,3YP
15605VALVE SUB-ASSY, OIL CHECK
15708NOZZLE SUB-ASSY, OIL, NO.1
9011608279
main90116-08279
9011908571
main90119-08571
9017908038
main90179-08038
30 parts on this diagram · 2 diagrams in section