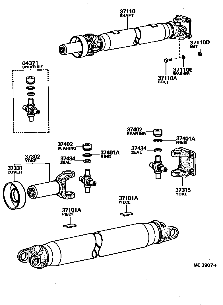
PROPELLER SHAFT & UNIVERSAL JOINT

37110DNUT (FOR PROPELLER SHAFT)
37302YOKE SUB-ASSY, UNIVERSAL JOINT SLEEVE
37315YOKE, UNIVERSAL JOINT FLANGE
37331COVER, SLIDING SHAFT DUST
37401ARING, HOLE SNAP (FOR SPIDER BEARING)
T=1.25
T=1.35
37402BEARING SUB-ASSY, UNIVERSAL JOINT SPIDER
37434SEAL, UNIVERSAL JOINT SPIDER BEARING
12 parts on this diagram · 3 diagrams in section