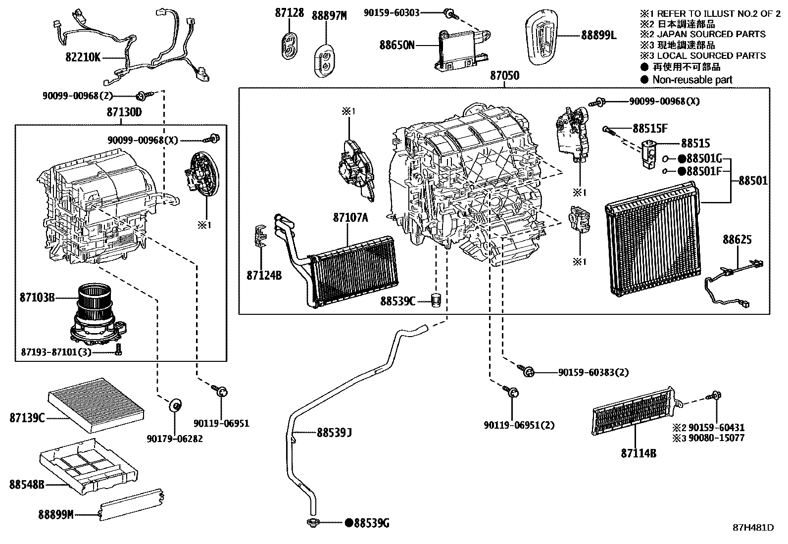
HEATING & AIR CONDITIONING - COOLER UNIT

82210KHARNESS ASSY, AIR CONDITIONER
87050RADIATOR ASSY, AIR CONDITIONER
87103BMOTOR SUB-ASSY, BLOWER W/FAN
87107AUNIT SUB-ASSY, HEATER RADIATOR
87114BCOVER, HEATER
87124BCLAMP, HEATER
87128GROMMET, HEATER
87130DBLOWER ASSY
87139CFILTER, CLEAN AIR
88501EVAPORATOR SUB-ASSY, COOLER, NO.1
88501FO-RING, COOLER EVAPORATOR NO.1(DISCHARGE)
88501GO-RING, COOLER EVAPORATOR NO.1(SUCTION)
88515VALVE, COOLER EXPANSION
88515FBOLT(FOR COOLER EXPANSION VALVE)
88539CHOSE, COOLER UNIT DRAIN, NO.2
88539GGROMMET (FOR COOLER UNIT DRAIN HOSE)
88539JHOSE, DRAIN COOLER
88548BCASE, AIR FILTER
88650NAMPLIFIER ASSY, AIR CONDITIONER
88897MGROMMET (FOR HEATER PIPE)
88899MPLATE, COVER(FOR AIR FILTER)
8719387101
main87193-87101
9008015077
main90080-15077
9009900968
main90099-00968
9011906951
main90119-06951
9015960303
main90159-60303
9015960383
main90159-60383
9015960431
main90159-60431
9017906282
main90179-06282
31 parts on this diagram · 4 diagrams in section