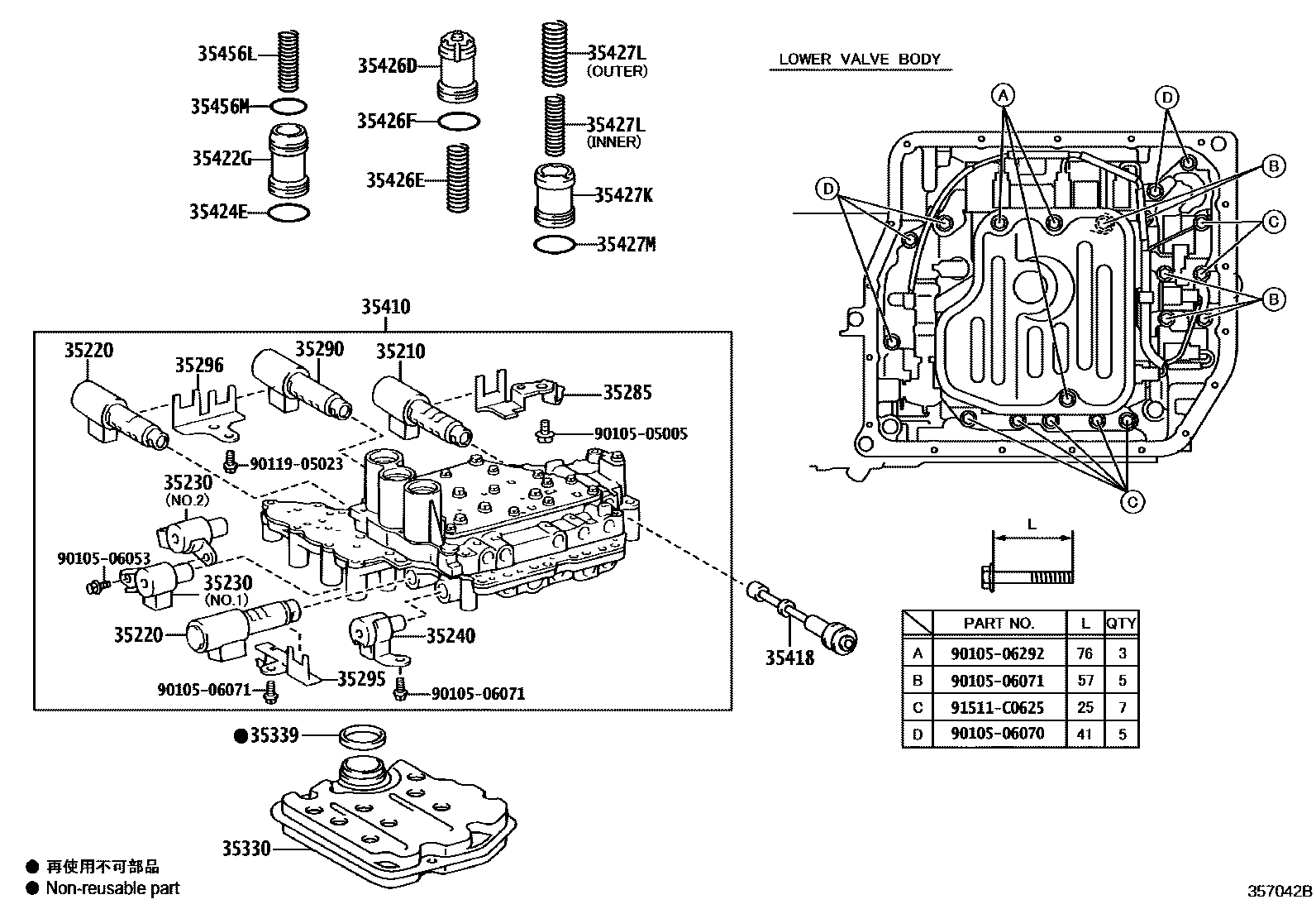
VALVE BODY & OIL STRAINER (ATM)

35210SOLENOID ASSY, CLUTCH CONTROL, NO.1
35220SOLENOID ASSY, CLUTCH CONTROL, NO.2
35230SOLENOID ASSY, TRANSMISSION 3WAY, NO.2
35240SOLENOID ASSY, AUTOMATIC TRANSMISSION 3WAY
35285PLATE, SOLENOID LOCK
35290SOLENOID ASSY, LINE PRESSURE CONTROL
35295PLATE, SOLENOID LOCK, NO.2
35296PLATE, SOLENOID LOCK, NO.3
35330STRAINER ASSY, VALVE BODY OIL
35339GASKET, OIL STRAINER
35410BODY ASSY, TRANSMISSION VALVE
35418VALVE, MANUAL
35422GPISTON, REVERSE CLUTCH ACCUMULATOR
35424ERING, O (FOR C-1 ACCUMULATOR PISTON)
35426DPISTON, C-3 ACCUMULATOR
35426ESPRING, COMPRESSION (FOR C-3 ACCUMULATOR PISTON)
35426FRING, O (FOR C-3 ACCUMULATOR PISTON)
35427KPISTON, B-3 ACCUMULATOR
35427LSPRING, COMPRESSION (FOR B-3 ACCUMULATOR PISTON)
35427MRING, O (FOR B-3 ACCUMULATOR PISTON)
35456LSPRING, COMPRESSION (FOR C-2 CONTROL VALVE)
35456MRING, O (FOR C-2 CONTROL)
9010505005
main90105-05005
9010506053
main90105-06053
9010506070
main90105-06070
9010506071
main90105-06071
9010506292
main90105-06292
9011905023
main90119-05023
91511C0625
main91511-C0625
29 parts on this diagram · 2 diagrams in section