E
EPC Data

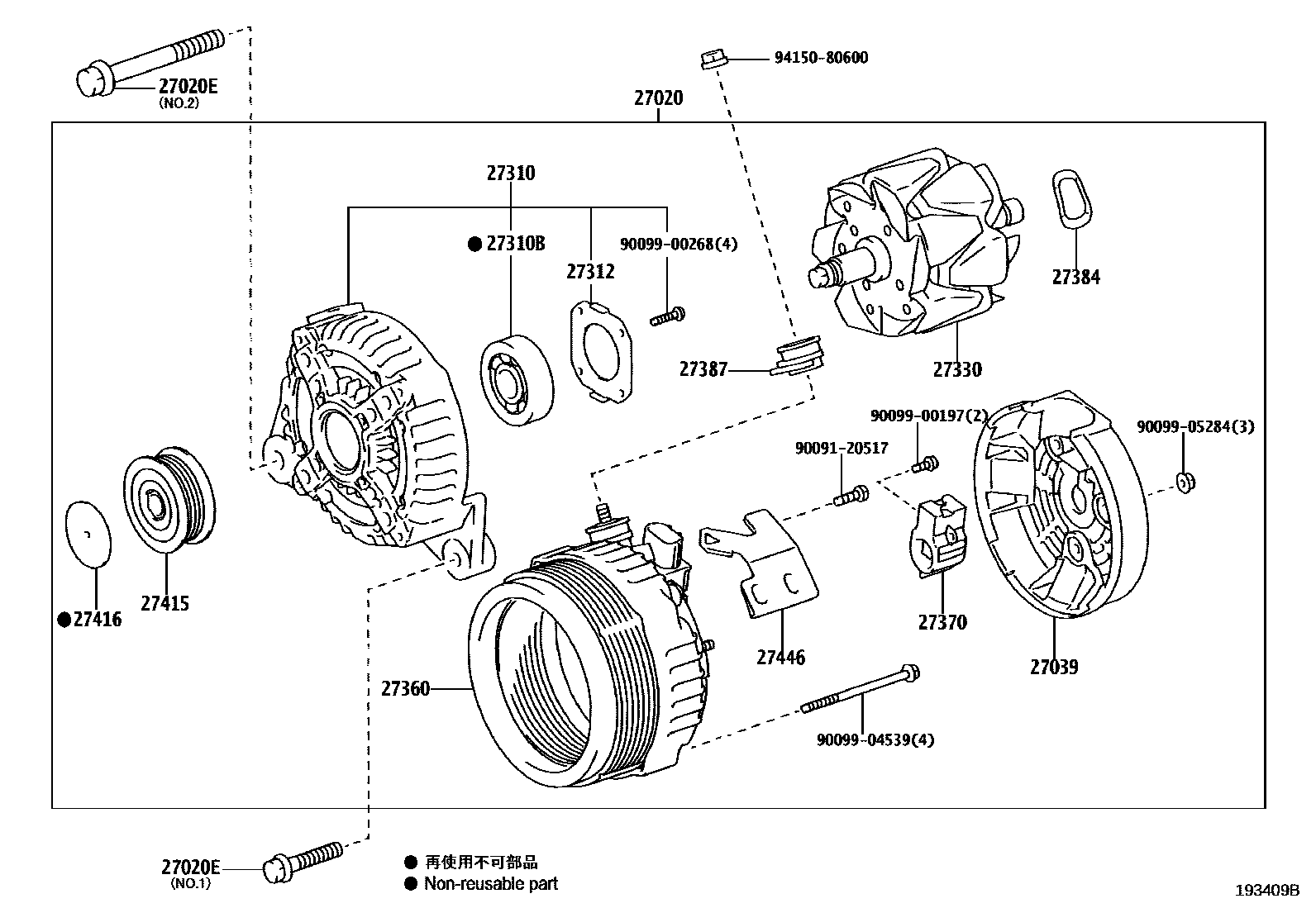
ALTERNATOR

Parts diagram
27020ALTERNATOR ASSY
main27060-28300i200511-200808
main27060-28301i200808-201002
main27060-31091i200708-200909
main27060-31092i200910-201212
27020EBOLT(FOR ALTERNATOR)
main91512-81085i200511-201002
main91551-80840i200511-201002
main91552-81040i200708-201212
main91552-81070i200708-201212
27039COVER, ALTERNATOR REAR END
main27039-27060i200511-200910
main27039-31390i200902-201212
27310FRAME ASSY, DRIVE END, ALTERNATOR
main27310-28120i200511-201002
main27310-31290i200708-201212
27310BBEARING(FOR ALTERNATOR DRIVE END FRAME)
main90099-10142i200511-200611
main90099-10223i200612-201212
27312PLATE, RETAINER
main27312-72100i200511-201212
27330ROTOR ASSY, ALTERNATOR
main27330-30070i200511-201212
27360COIL ASSY, ALTERNATOR
main27360-28170i200511-201002
main27360-31290i200708-201212
27370HOLDER ASSY, ALTERNATOR BRUSH
main27370-31220i200708-201212
main27370-58460i200511-201002
27384WASHER
main27384-50030i200511-201212
27387INSULATOR, TERMINAL
main27387-20130i200511-201212
27415PULLEY, ALTERNATOR W/CLUTCH
main27415-0W010i200708-200907
main27415-0W040i200511-200901
main27415-0W041i200902-201310
main27415-0W042i201310-201606
main27415-0W130i200907-201212
27416CAP, ALTERNATOR PULLEY
main27416-0W010i200708-200907
main27416-0W020i200511-201310
main27416-0W050i200907-201606
27446CLIP, ALTERNATOR CORD
main27446-28120i200511-201002
9009120517
9009900197
9009900268
9009904539
9009905284
9415080600

20 parts on this diagram · 2 diagrams in section

ALTERNATOR — Toyota Parts Diagram with OEM Numbers & Prices | EPC Data