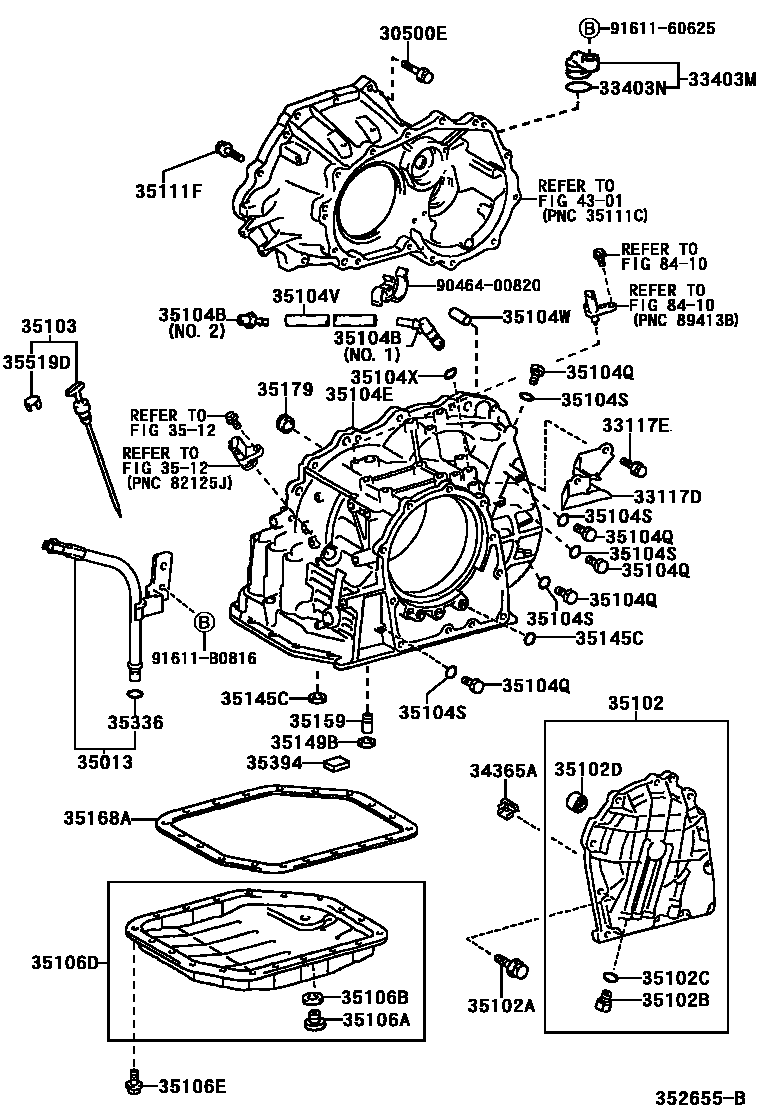
TRANSMISSION CASE & OIL PAN (ATM)

30500EBOLT(FOR TRANSAXLE & ENGINE SETTING)
33117DPROTECTOR, AUTOMATIC TRANSMISSION CASE
33117EBOLT(FOR AUTOMATIC TRANSMISSION CASE PROTECTOR)
33403MCOVER SUB-ASSY, SPEEDOMETER DRIVEN HOLE (ATM)
33403NRING, O (FOR ATM SPEEDOMETER DRIVEN HOLE COVER)
34365ARETAINER, OUTER RACE
35013TUBE SUB-ASSY, TRANSMISSION OIL FILLER
35102COVER SUB-ASSY, TRANSAXLE REAR
35102ABOLT (FOR TRANSAXLE REAR COVER SETTING)
35102BPLUG(FOR TRANSAXLE REAR COVER)
35102CRING, O(FOR TRANSAXLE REAR COVER PULG)
35102DBEARING, NEEDLE ROLLER(FOR TRANSAXLE REAR COVER)
35103GAGE SUB-ASSY, TRANSMISSION OIL LEVEL
35104BPLUG, BREATHER, NO.1 (ATM)
35104ECASE SUB-ASSY, AUTOMATIC TRANSAXLE
35104QPLUG, NO.1 (FOR TRANSAXLE CASE)
35104SRING, O (FOR TRANSAXLE CASE PLUG NO.1)
35104VHOSE (FOR BREATHER PLUG)
35104WPIN, STRAIGHT (FOR TRANSAXLE CASE)
35104XRING, O (FOR BREATHER PLUG)
35106APLUG SUB-ASSY, DRAIN (ATM)
35106BGASKET, DRAIN PLUG (ATM)
35106DPAN SUB-ASSY, AUTOMATIC TRANSAXLE OIL
35106EBOLT (FOR TRANSAXLE OIL PAN)
35111FBOLT (FOR TRANSAXLE HOUSING & TRANSAXLE CASE SETTING)
3512VALVE BODY & OIL STRAINER (ATM)
35145CGASKET, TRANSAXLE CASE
35149BGASKET, TRANSAXLE CASE 2ND BRAKE
35159GASKET, BRAKE DRUM
35168AGASKET, AUTOMATIC TRANSAXLE OIL PAN
35179GASKET, OVERDRIVE BRAKE
35336RING, O (FOR TRANSMISSION OIL FILLER TUBE)
35394MAGNET, OIL CLEANER (FOR TRANSMISSION)
35519DLABEL, AUTOMATIC TRANSMISSION INFORMATION
4301FRONT AXLE HOUSING & DIFFERENTIAL
8410OVERDRIVE & ELECTRONIC CONTROLLED TRANSMISSION
9046400820
main90464-00820
9161160625
main91611-60625
91611B0816
main91611-B0816
39 parts on this diagram · 2 diagrams in section