E
EPC Data

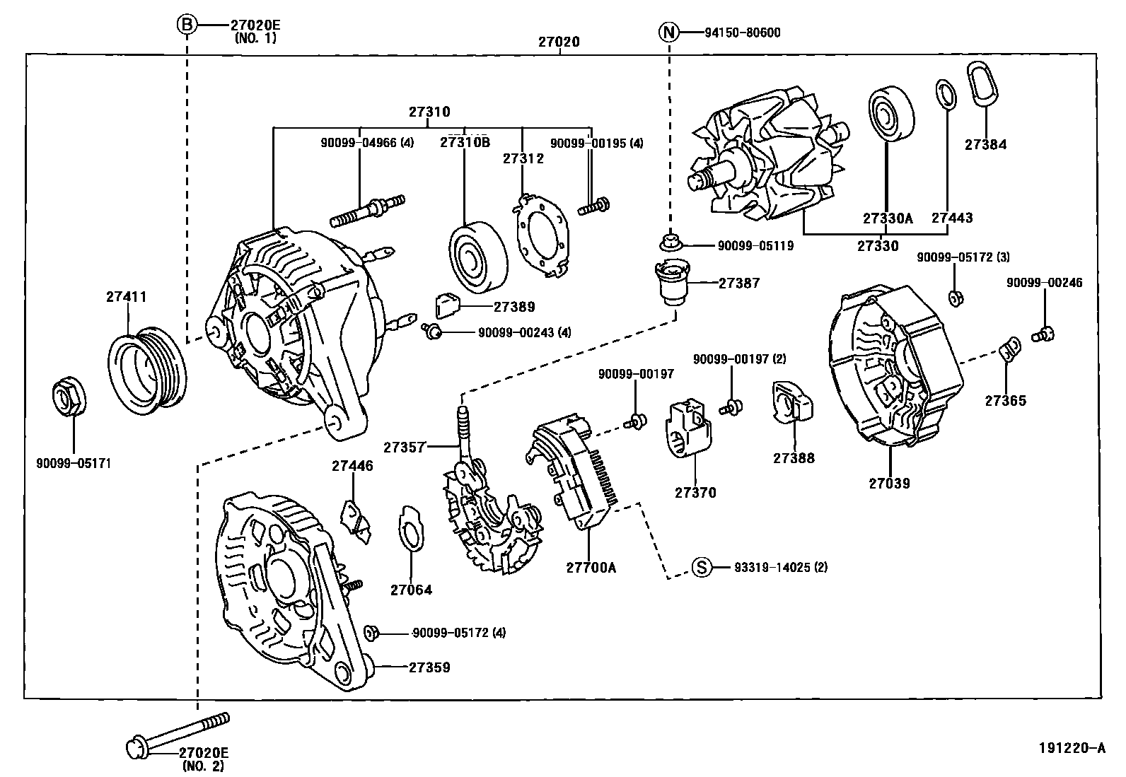
ALTERNATOR

Parts diagram
27020ALTERNATOR ASSY
main27060-22050i200005-200307
main27060-28080i200005-200307
main27060-28100i200005-200307
main27060-28190i200307
27020EBOLT(FOR ALTERNATOR)
main90105-10075i200005-200307
main91511-60840i200005-200307
main91511-80830i200005-200307
main91511-J0840i200307
main91512-81085i200005-200307
27039COVER, ALTERNATOR REAR END
main27039-20060i200005-200101
main27039-20160i200101-200307
main27039-22050i200101-200307
main27039-27060i200307
main27039-46190i200005-200101
27064SEAL, ALTERNATOR PLATE
main27064-42010i200005-200307
27310FRAME ASSY, DRIVE END, ALTERNATOR
main27310-22060i200005-200307
main27310-28050i200005-200307
main27310-28060i200005-200307
main27310-28120i200307-200511
27310BBEARING(FOR ALTERNATOR DRIVE END FRAME)
main90099-10142i200307-200511
main90099-10219i200005-200307
27312PLATE, RETAINER
main27312-42010i200005-200307
main27312-72100i200307-200511
27330ROTOR ASSY, ALTERNATOR
main27330-20070i200005-200307
main27330-28050i200005-200307
main27330-30070i200307
main27330-74550i200005-200307
27330ABEARING(FOR ALTERNATOR ROTOR)
main90099-10140i200005-200511
27357HOLDER, ALTERNATOR, W/RECTIFIER
main27357-22070i200005-200307
main27357-70450i200005-200307
27359FRAME, ALTERNATOR RECTIFIER END
main27359-22040i200005-200307
main27359-28060i200005-200307
27365PLATE, TERMINAL
main27365-55080i200005-200307
27370HOLDER ASSY, ALTERNATOR BRUSH
main27370-58460i200307
main27370-75060i200005-200307
27384WASHER
main27384-50030i200005-200307
27387INSULATOR, TERMINAL
main27387-20130i200307
main27387-42021i200005-200307
27388COVER, ALTERNATOR BRUSH
main27388-42010i200005-200307
27389INSULATOR, TERMINAL
main27389-42010i200005-200307
27411PULLEY, ALTERNATOR
main27411-28060i200005-200307
main27411-50050i200005-200307
main27415-0W090i200005-200307
27443COVER, ALTERNATOR BEARING
main27443-63020i200005-200307
27446CLIP, ALTERNATOR CORD
main27446-22040i200005-200307
main27446-28060i200005-200307
main27446-28120i200307
27700AREGULATOR ASSY, GENERATOR
main27700-20050i200005-200307
9009900195
9009900197
9009900243
9009900246
9009904966
9009905119
9009905171
9009905172
9331914025
9415080600

31 parts on this diagram · 4 diagrams in section

ALTERNATOR — Toyota Parts Diagram with OEM Numbers & Prices | EPC Data