E
EPC Data

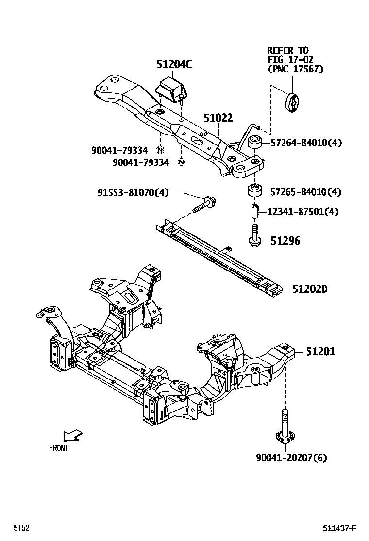
SUSPENSION CROSSMEMBER & UNDER COVER

Parts diagram
1702EXHAUST PIPE
51022MEMBER SUB-ASSY, ENGINE REAR SUPPORT
main51022-B4010i200601-200811
main51022-B4020i200901-201409
51201CROSSMEMBER SUB-ASSY, FRONT SUSPENSION
main51210-B4010i200601-200811
main51210-B4020i200811-201204
main51210-B4021i201205-201409
51202DCROSSMENBER SUB-ASSY, FRONT SUSPENSION, LOWER
main51202-B4010i200601-200811
main51202-B4020i200901-201409
51204CDAMPER SUB-ASSY, ENGINE REAR SUPPORT MEMBER
main51204-B4010i200601-200707
main51204-B4020i200708-200811
main51204-B4021i201305-201409
51296BOLT, FRONT SUSPENSION MEMBER MOUNTING
main51296-87402×4i200601-200811
1234187501SPACER, ENGINE MOUNTING
57264B4010
57265B4010
9004120207
9004179334
9155381070

12 parts on this diagram · 2 diagrams in section

SUSPENSION CROSSMEMBER & UNDER COVER — Toyota Parts Diagram with OEM Numbers & Prices | EPC Data