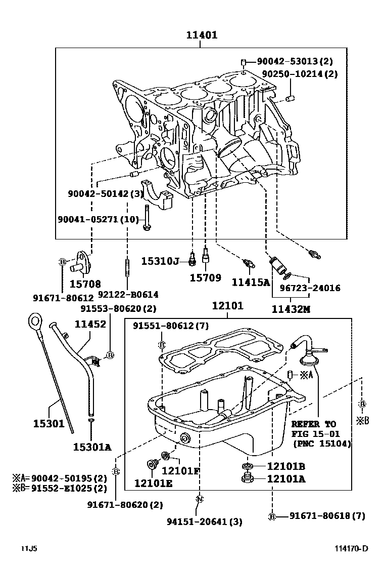
CYLINDER BLOCK

11401BLOCK SUB-ASSY, CYLINDER
.
11415APLUG, WATER DRAIN COCK(FOR CYLINDER BLOCK)
11432MUNION(FOR CYLINDER BLOCK)
11452GUIDE, OIL LEVEL GAGE
12101PAN SUB-ASSY, OIL
12101APLUG(FOR OIL PAN DRAIN)
12101BGASKET(FOR OIL PAN DRAIN PLUG)
12101EPLUG, OIL PAN(FOR OIL COOLER)
12101FGASKET(FOR OIL COOLER)
1501ENGINE OIL PUMP
15301GAGE SUB-ASSY, OIL LEVEL
15301ARING, O(FOR OIL LEVEL GAGE)
15310JREGULATOR ASSY, OIL
15708NOZZLE SUB-ASSY, OIL, NO.1
15709NOZZLE SUB-ASSY, OIL, NO.2
9004105271
main90041-05271
9004250142
main90042-50142
9004250195
main90042-50195
9004253013
main90042-53013
9025010214
main90250-10214
9155180612
main91551-80612
91552E1025
main91552-E1025
9155380620
main91553-80620
9167180612
main91671-80612
9167180618
main91671-80618
9167180620
main91671-80620
92122B0614
main92122-B0614
9415120641
main94151-20641
9672324016
main96723-24016
29 parts on this diagram · 1 diagram in section