TRANSFER VALVE BODY & VALVE LEVER

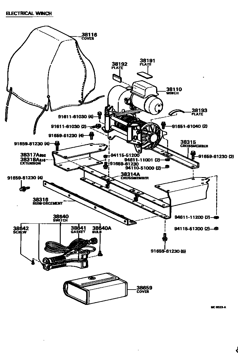
38110WINCH ASSY
ELECTRICAL
MECHANICAL
38116COVER, WINCH
ELECTRICAL
MECHANICAL
38191PLATE, WINCH CAUTION, NO.1
ELECTRICAL
MECHANICAL
38192PLATE, WINCH CAUTION, NO.2
38193PLATE, WINCH CAUTION, NO.3
38314ACROSSMEMBER, WINCH SUPPORT, FRONT
38315CROSSMEMBER, WINCH SUPPORT, REAR
ELECTRICAL
MECHANICAL
38316REINFORCEMENT, WINCH SUPPORT, FRONT
38317AEXTENSION, WINCH SUPPORT, RH
ELECTRICAL
MECHANICAL
38318AEXTENSION, WINCH SUPPORT, LH
ELECTRICAL
MECHANICAL
38640SWITCH ASSY, WINCH CONTROL
38640ABULB (FOR WINCH CONTROL SWITCH)
38641GASKET (FOR WINCH CONTROL SWITCH)
ELECTRICAL
38642SCREW (FOR WINCH CONTROL SWITCH)
38659COVER, WINCH CONTROL SWITCH
ELECTRICAL
9161161030
main91611-61030
9165161040
main91651-61040
9165961230
main91659-61230
9411051000
main94110-51000
9411551200
main94115-51200
9461111001
main94611-11001
9461111200
main94611-11200
22 parts on this diagram · 8 diagrams in section