E
EPC Data

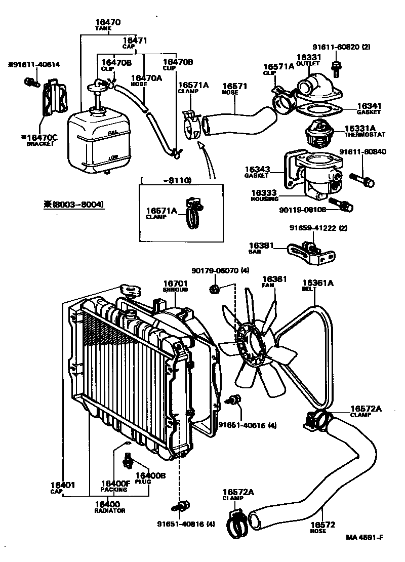
RADIATOR & WATER OUTLET

Parts diagram
16331OUTLET, WATER
main16331-54010i198003-198404
main16331-54020i198003-198404
W/COOLER
16331ATHERMOSTAT
main90916-03042i198003-198110
*WAX 82-95
main90916-03043i198003-198110
*WAX 88-100,COLD SPEC
main90916-03061i198110-198308
*WAX 82-95
main90916-03062i198110-198308
16333HOUSING, WATER OUTLET
main16333-54010i198003-198008
main16333-54011i198008-198404
16341GASKET, WATER OUTLET
main16341-38010i198003-198008
main16341-41010i198008-198304
main16341-54020i198304-198404
16343GASKET, WATER OUTLET HOUSING
main16343-54010i198003-198008
main16343-54011i198008-198404
16361FAN
main16361-34030i198003-198404
7 BLADES
16361ABELT, V(FOR FAN & ALTERNATOR)
main90916-02133i198211-198404
L=990
main99332-00985i198003-198204
L=985
main99332-10985i198204-198207
L=985
main99332-11000i198207-198211
L=1000
16381BAR, FAN BELT ADJUSTING
main16381-54011i198003-198404
16400RADIATOR ASSY
main16400-87610i198003-198404
16400BPLUG, RADIATOR DRAIN COCK
main90910-09052i198008-198404
main90910-09054i198003-198008
16400FPACKING(FOR RADIATOR DRAIN COCK)
main90099-06030i198008-198404
main96710-01007i198003-198008
16401CAP SUB-ASSY, RADIATOR
main16401-87706i198003-198404
16470TANK ASSY, RADIATOR RESERVE
main16470-87606i198003-198404
16470AHOSE OR PIPE(FOR RADIATOR RESERVE TANK)
main90445-12730i198003-198404
16470BCLAMP OR CLIP(FOR RADIATOR RESERVE TANK HOSE)
main90467-11085×2i198003-198404
16470CBRACKET(FOR RADIATOR RESERVE TANK)
main53294-87603i198003-198004
16471CAP SUB-ASSY, RESERVE TANK
main16471-87606i198003-198404
16571HOSE, RADIATOR, INLET
main16571-87608i198003-198404
16571ACLAMP OR CLIP, HOSE(FOR RADIATOR INLET)
main90467-37001i198003-198110
ENGINE SIDE
main96111-10450i198003-198110
RADIATOR SIDE
16572HOSE, RADIATOR, OUTLET
main16572-87606i198003-198110
main16572-87607i198110-198404
16572ACLAMP OR CLIP, HOSE(FOR RADIATOR OUTLET NO.1)
main96111-10480×2i198003-198110
main96111-10490×2i198110-198404
16701SHROUD SUB-ASSY, FAN
main16711-87610i198003-198404
9011908108
9017906070
9161140614
9161160820
9161160840
9165140616
9165140816
9165941222

30 parts on this diagram · 1 diagram in section

RADIATOR & WATER OUTLET — Toyota Parts Diagram with OEM Numbers & Prices | EPC Data