E
EPC Data

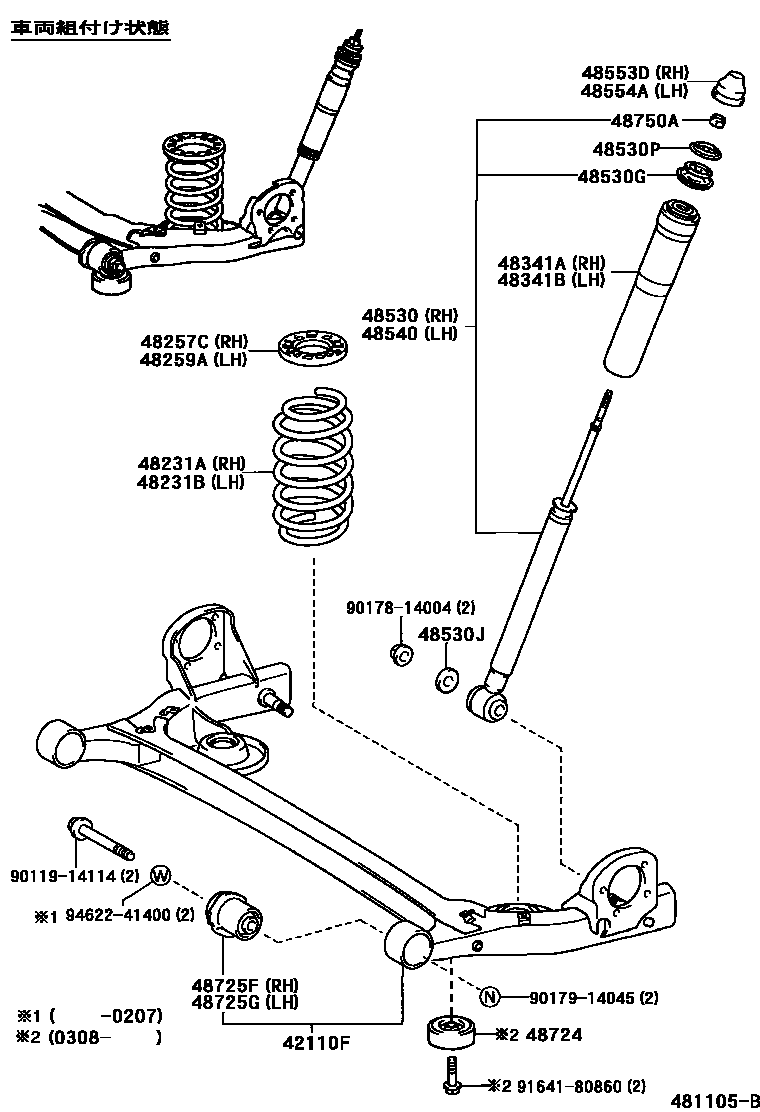
REAR SPRING & SHOCK ABSORBER

Parts diagram
42110FBEAM ASSY, REAR AXLE
main42110-28520i200105-200308
main42110-28521i200308
48231ASPRING, COIL, REAR RH
main48231-28A20i200308
main48231-28A50i200308
main48231-2J070i200105-200308
main48231-2J100i200111-200305
48231BSPRING, COIL, REAR LH
main48231-28A20i200308
main48231-28A50i200308
main48231-2J070i200105-200308
main48231-2J100i200111-200305
48257CINSULATOR, REAR COIL SPRING, UPPER RH
main48257-28060i200105-200308
48259AINSULATOR, REAR COIL SPRING, UPPER LH
main48257-28060i200105-200308
48341ABUMPER, REAR SPRING, NO.1 RH
main48341-28100i200105-200308
48341BBUMPER, REAR SPRING, NO.1 LH
main48341-28100i200105-200308
48530ABSORBER ASSY, SHOCK, REAR RH
main48530-80122i200308
main48531-29055i200105-200308
main48531-29935i200111-200305
main48531-80714i200308
48530GCUSHION, REAR SHOCK ABSORBER, NO.1
main90905-40019i200105-200308
48530JRETAINER, CUSHION, NO.1(FOR REAR SHOCK ABSORBER)
main90560-14028i200312
main90948-02060i200105-200312
48530PRETAINER, CUSHION, NO.2(FOR REAR SHOCK ABSORBER)
main90948-02159i200105-200304
main90948-02192i200304-200308
48540ABSORBER ASSY, SHOCK, REAR LH
main48530-80122i200308
main48531-29055i200105-200308
main48531-29935i200111-200305
main48531-80714i200308
48553DCAP, REAR SHOCK ABSORBER, RH
main48553-28010i200105-200308
48554ACAP, REAR SHOCK ABSORBER, LH
main48553-28010i200105-200308
48724DAMPER, LWR CONTROL ARM DYNAMIC
main48724-44010i200308
48725FBUSH, REAR AXLE CARRIER, RH
main48725-28050i200105-200308
main48725-58010i200308
48725GBUSH, REAR AXLE CARRIER, LH
main48725-28050i200105-200308
main48725-58010i200308
48750ANUT(FOR REAR SUPPORT TO REAR SHOCK ABSORBER)
main90170-12045i200207-200308
main90177-12002i200105-200207
9011914114
9017814004
9017914045
9164180860
9462241400

23 parts on this diagram · 2 diagrams in section

REAR SPRING & SHOCK ABSORBER — Toyota Parts Diagram with OEM Numbers & Prices | EPC Data