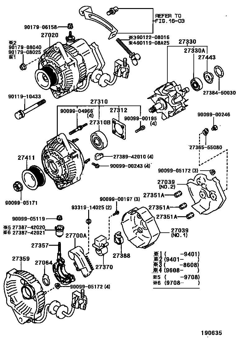
ALTERNATOR

27020ALTERNATOR ASSY
27064SEAL, ALTERNATOR PLATE
27310FRAME ASSY, DRIVE END, ALTERNATOR
27312PLATE, RETAINER
27330ABEARING(FOR ALTERNATOR ROTOR)
27351ACOLLAR, ADJUSTING ALTERNATOR
L=17.0
L=27.8
L=22.0
27359FRAME, ALTERNATOR RECTIFIER END
27370HOLDER ASSY, ALTERNATOR BRUSH
27388COVER, ALTERNATOR BRUSH
27411PULLEY, ALTERNATOR
27443COVER, ALTERNATOR BEARING
2736555080PLATE, TERMINAL
main27365-55080
2738450030WASHER
main27384-50030
2738742020INSULATOR, TERMINAL
main27387-42020
2738742021INSULATOR, TERMINAL
main27387-42021
2738942010INSULATOR, TERMINAL
main27389-42010
9009900195
main90099-00195
9009900197
main90099-00197
9009900243
main90099-00243
9009900246
main90099-00246
9009904966
main90099-04966
9009905119
main90099-05119
9009905171
main90099-05171
9009905172
main90099-05172
9011908A25
main90119-08A25
9011910433
main90119-10433
9012208016
main90122-08016
9017906158
main90179-06158
9017908025
main90179-08025
9017908040
main90179-08040
9331914025
main93319-14025
36 parts on this diagram · 3 diagrams in section