E
EPC Data

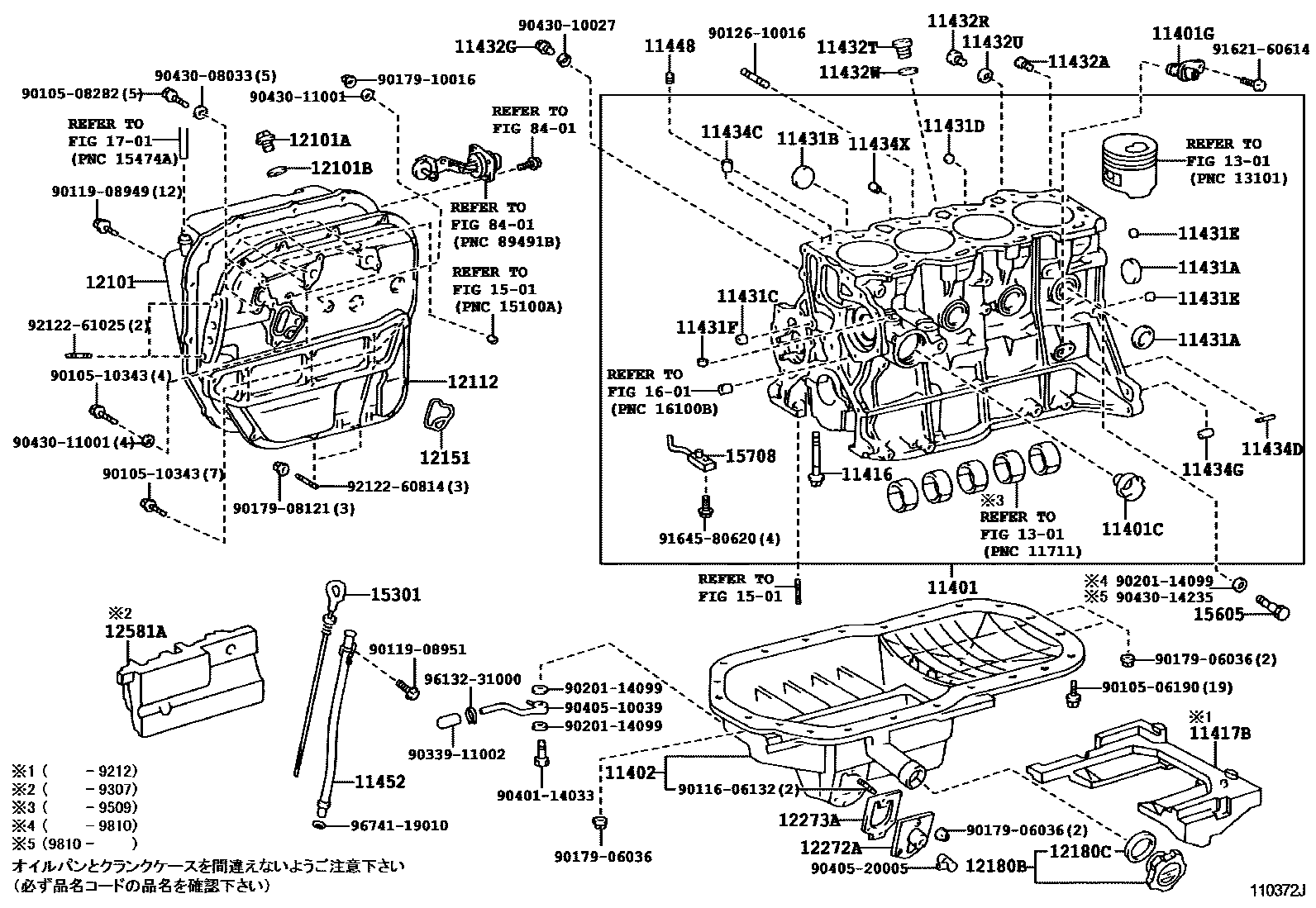
CYLINDER BLOCK

Parts diagram
11401BLOCK SUB-ASSY, CYLINDER
main11401-69495i199201-199209
main11401-69496i199209-199308
main11401-69555i199308-199501
main11401-69556i199501-199504
main11401-69645i199504-199509
main11401-69646i199509-199606
main11401-69647i199606-199812
main11401-69648i199812-199908
main11401-79506i199201-199307
main11401-79507i199307-199904
main11401-79508i199904-199912
11401CFLANGE(FOR WATER BY-PASS)
main16353-64010i199201-199204
main16353-64011i199204-199908
11401GSENSOR, CRANK POSITION
main90919-05014i199308-199908
11402CRANKCASE SUB-ASSY
main11402-64010i199201-199304
main11402-64011i199304-199501
main11402-64020i199501-199807
main11402-64021i199807-199908
main11402-76010i199201-199401
main11402-76020i199401-199912
11416BOLT(FOR CRANKSHAFT BEARING CAP SET)
main90910-02061i199201-199812
main90910-02135i199812-199908
11417BINSULATOR, CRANKCASE
main11417-64010i199201-199212
11431APLUG, TIGHT, NO.1(FOR CYLINDER BLOCK)
main96411-43500i199201-199703
main96411-63500i199703-199908
11431BPLUG, TIGHT, NO.2(FOR CYLINDER BLOCK)
main96411-43000i199201-199703
main96411-63000i199308-199912
11431CPLUG, TIGHT, NO.3(FOR CYLINDER BLOCK)
main96411-41800i199201-199908
main96411-44000i199201-199308
main96411-64000i199308-199912
11431DPLUG, TIGHT, NO.4(FOR CYLINDER BLOCK)
main96411-41800i199201-199908
main96411-43500i199201-199308
main96411-63500i199308-199912
11431EPLUG, TIGHT, NO.5(FOR CYLINDER BLOCK)
main96411-01800i199201-199912
main96411-41800i199201-199908
11431FPLUG, TIGHT, NO.6(FOR CYLINDER BLOCK)
main90249-17002i199201-199908
11432APLUG, W/HEAD TAPER SCREW, NO.1
main90345-52001i199201-199209
main90345-52003i199209-199908
11432GPLUG, W/HEAD STRAIGHT SCREW, NO.5
main90341-10002i199201-199908
11432RPLUG, W/HEAD STRAIGHT SCREW, NO.1(FOR CYLINDER BLOCK)
main90341-18006i199201-199908
11432TPLUG, W/HEAD STRAIGHT SCREW, NO.3(FOR CYLINDER BLOCK)
main90341-22001i199201-199908
11432UGASKET, STRAIGHT SCREW PLUG NO.1(FOR CYLINDER BLOCK)
main90430-18001i199201-199908
11432WGASKET, STRAIGHT SCREW PLUG NO.3(FOR CYLINDER BLOCK)
main90430-22003i199201-199908
11434CPIN, STRAIGHT (FOR CYLINDER HEAD SET)
main90253-14001i199201-199208
main90253-14002i199208-199708
main90253-14004i199708-199908
11434DPIN, STRAIGHT(FOR ENGINE REAR OIL SEAL)
main90250-06003i199201-199912
main90250-06068i199201-199908
11434GPIN, STRAIGHT(FOR END PLATE)
main90250-10113i199201-199908
11434XPIN, RING(FOR CHAIN CACE)
main90253-11005i199308-199912
main90253-11021i199201-199908
11448ORIFICE, CYLINDER BLOCK OIL
main11448-64010i199201-199908
main90977-02011i199201-199912
11452GUIDE, OIL LEVEL GAGE
main11409-76010i199201-199401
main11409-76020i199401-199912
main11452-64050i199201-199908
main11452-76020i199201-199912
12101PAN SUB-ASSY, OIL
main12101-64120i199201-199908
main12101-76050i199201-199912
12101APLUG(FOR OIL PAN DRAIN)
main90341-12012i199201-199308
main90341-12026i199208-199912
12101BGASKET(FOR OIL PAN DRAIN PLUG)
main90430-12027i199201-199309
main90430-12031i199304-199912
12112PAN, OIL NO.2
main12112-64070i199201-199908
12151GASKET, OIL PAN
main15691-64040i199201-199804
main15691-64041i199804-199908
12180BCAP ASSY, OIL FILLER
main12180-13030i199201-199308
main12180-55010i199308-199908
12180CGASKET, OIL FILLER CAP
main90430-37140i199201-199908
12272ACAP, OIL SEPARATOR
main12272-64010i199201-199908
12273AGASKET, OIL SEPARATOR
main12273-64010i199201-199908
12581AINSULATOR, CYLINDER BLOCK, NO.1
main12581-64020i199201-199307
main12581-76010i199201-199912
1301
1501
15301GAGE SUB-ASSY, OIL LEVEL
main15301-64060i199201-199501
main15301-64080i199501-199908
main15301-76030i199201-199608
main15301-76040i199608-199912
15605VALVE SUB-ASSY, OIL CHECK
main15605-64020i199201-199810
main15703-27010i199810-199908
15708NOZZLE SUB-ASSY, OIL, NO.1
main15790-64021i199201-199908
1601
1701
8401
9010506190
9010508282
9010510343
9011606132
9011908949
9011908951
9012610016
9017906036
9017908121
9017910016
9020114099
9033911002
9040114033
9040510039
9040520005
9043008033
9043010027
9043011001
9043014235
9162160614
9164580620
9212260814
9212261025
9613231000
9674119010

67 parts on this diagram · 2 diagrams in section

CYLINDER BLOCK — Toyota Parts Diagram with OEM Numbers & Prices | EPC Data