E
EPC Data

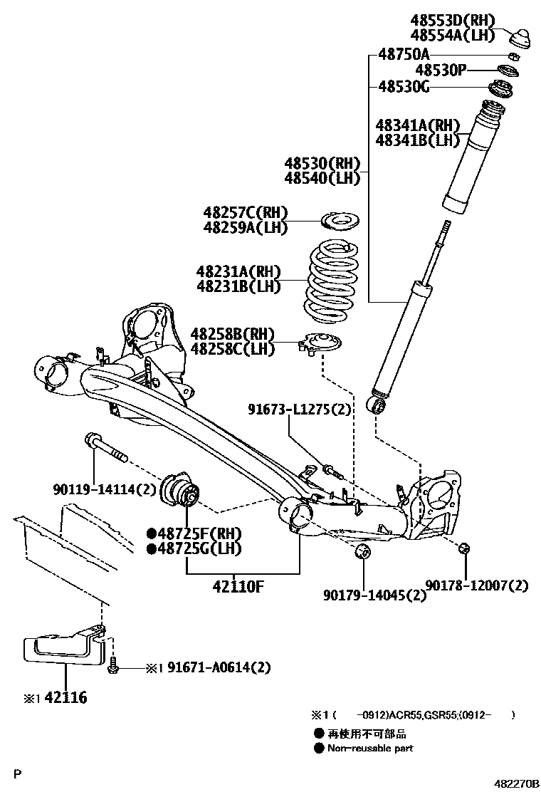
REAR SPRING & SHOCK ABSORBER

Parts diagram
42110FBEAM ASSY, REAR AXLE
main42110-28580i200812-201204
42116COVER, REAR AXLE BEAM
main42116-28020i201605
48231ASPRING, COIL, REAR RH
main48231-28A80i200601-200812
main48231-28B00i201204-201605
main48231-28B30i200601-200812
main48231-28B50i200601-200812
main48231-28C80i201605
main48231-28C90i201605
48231BSPRING, COIL, REAR LH
main48231-28A80i200812-201204
main48231-28B00i200812-201204
main48231-28B30i200601-200812
main48231-28B50i200601-200812
main48231-28C80i201605
main48231-28C90i201605
48257CINSULATOR, REAR COIL SPRING, UPPER RH
main48257-28070i200601-200812
48258BINSULATOR, REAR COIL SPRING, LOWER RH
main48258-28050i201605
48258CINSULATOR, REAR COIL SPRING, LOWER LH
main48258-28050i200601-200812
48259AINSULATOR, REAR COIL SPRING, UPPER LH
main48257-28070i200601-200812
48341ABUMPER, REAR SPRING, NO.1 RH
main48341-28110i201204-201605
48341BBUMPER, REAR SPRING, NO.1 LH
main48341-28110i200812-201204
48530ABSORBER ASSY, SHOCK, REAR RH
main48530-80359i200601-200812
main48530-80361i200601-200812
main48530-80516i201204-201605
main48530-80519i200812-201204
main48530-80801i201605-201806
main48530-80802i201605-201806
main48530-80884i201806
main48530-80885i201806
main48530-80362supersedes 48530-80517i200601-200812
main48530-80517i200812-201204
48530GCUSHION, REAR SHOCK ABSORBER, NO.1
main90905-40019×2i200812-201204
48530PRETAINER, CUSHION, NO.2(FOR REAR SHOCK ABSORBER)
main90948-02192×2i200601-200812
48540ABSORBER ASSY, SHOCK, REAR LH
main48530-80359i200601-200812
main48530-80361i200601-200812
main48530-80516i201204-201605
main48530-80519i200812-201204
main48530-80801i201605-201806
main48530-80802i201605-201806
main48530-80884i201806
main48530-80885i201806
main48530-80362supersedes 48530-80517i200601-200812
main48530-80517i200812-201204
48553DCAP, REAR SHOCK ABSORBER, RH
main48553-28010i200812-201204
48554ACAP, REAR SHOCK ABSORBER, LH
main48553-28010i200601-200812
48725FBUSH, REAR AXLE CARRIER, RH
main48725-28080i200601-200812
48725GBUSH, REAR AXLE CARRIER, LH
main48725-28080i200601-200812
48750ANUT(FOR REAR SUPPORT TO REAR SHOCK ABSORBER)
main90170-12045×2i200601-200709
main94130-61200×2i200709-200812
9011914114
9017812007
9017914045
91671A0614
91673L1275

24 parts on this diagram · 1 diagram in section

REAR SPRING & SHOCK ABSORBER — Toyota Parts Diagram with OEM Numbers & Prices | EPC Data