E
EPC Data

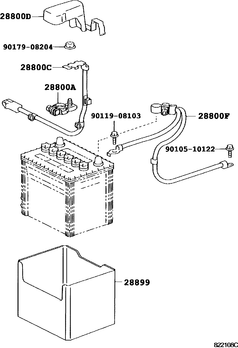
BATTERY & BATTERY CABLE

Parts diagram
28800ATERMINAL, BATTERY POSITIVE
main90982-05028i200002-200003
main90982-05034i200003-200304
main90982-05035i199912-200304
main90982-05053i200304
28800CCABLE, BATTERY TO STARTER(FOR BATTERY TO MAIN SWITCH)
main82122-28390i200304
main82122-28450i200002-200304
main82122-28490i200304
28800DCOVER, CONNECTOR(FOR BATTERY TERMINAL)
main82821-20350i199912-200304
main82821-68010i200304
28800FCABLE, BATTERY TO BATTERY
main82123-28230i199912-200304
main82123-28240i200002-200304
main82123-28390i200304
28899INSULATOR, BATTERY
main28899-74170i199912-200304
9010510122
9011908103
9017908204

8 parts on this diagram · 2 diagrams in section

BATTERY & BATTERY CABLE — Toyota Parts Diagram with OEM Numbers & Prices | EPC Data