E
EPC Data

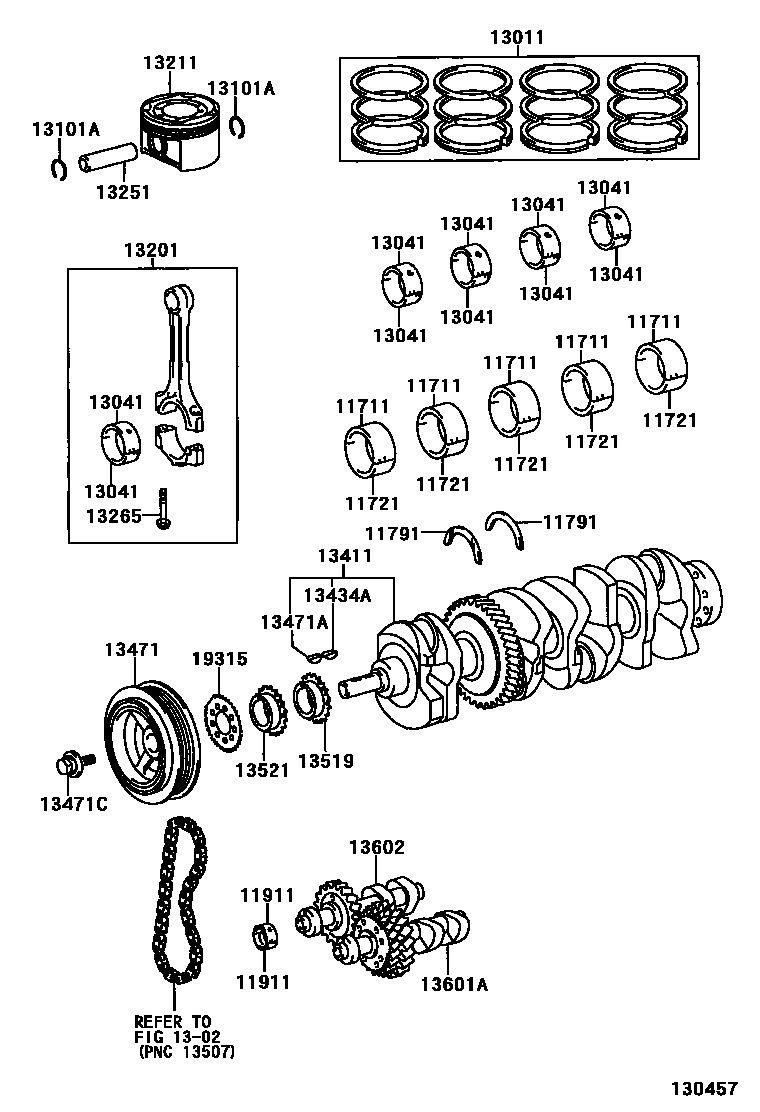
CRANKSHAFT & PISTON

Parts diagram
11711BEARING, CRANKSHAFT
main11071-20020-01×2i199912-200010
main11071-20020-02×2i200304-200412
main11071-20020-03×2i200304-200412
main11071-20020-04×2i200010-200304
main11071-20020-05×2i200010-200304
main11071-20020-06×2i200304-200412
main11071-20020-07×2i199912-200010
main11071-20021-01×2i200412
main11071-20021-02×2i200412
main11071-20021-03×2i200412
main11071-20021-04×2i200412
main11071-20021-05×2i200412
main11071-20021-06×2i200412
main11071-20021-07×2i200412
main11701-20020-01×2i199912-200010
main11701-20020-02×2i199912-200010
main11701-20020-03×2i200010-200304
main11701-20020-04×2i200010-200304
main11701-20020-05×2i199912-200010
main11701-20020-06×2i200304-200412
main11701-20020-07×2i200010-200304
main11701-20030-01×2i200412
main11701-20030-02×2i200412
main11701-20030-03×2i200412
main11701-20030-04×2i200412
main11701-20030-05×2i200412
main11701-20030-06×2i200412
main11701-20030-07×2i200412
main11711-28010-01×5i200304-200511
main11711-28010-02×5i200304-200511
main11711-28010-03×5i200304-200511
main11711-28010-04×5i200304-200511
main11711-28020-01×5i200511
main11711-28020-02×5i200511
main11711-28020-03×5i200511
main11711-28020-04×5i200511
11721BEARING, CRANKSHAFT, NO.2
main11721-28010-01×5i200002-200304
main11721-28010-02×5i200304-200511
main11721-28010-03×5i200002-200304
main11721-28010-04×5i200002-200304
main11721-28020-01×5i200511
main11721-28020-02×5i200511
main11721-28020-03×5i200511
main11721-28020-04×5i200511
11791WASHER, CRANKSHAFT THRUST, UPPER
main11791-28020×2i200002-200304
11911BEARING, BALANCESHAFT, NO.1
main11911-28010-01×8i200002-200304
main11911-28010-02×8i200002-200304
main11911-28010-03×8i200002-200304
13011RING SET, PISTON
main13011-20022i199912-200207
main13011-20023i200304
main13011-28100i200002-200107
main13011-28101i200107-200208
main13011-28102i200208-200304
1302CAMSHAFT & VALVE
13041BEARING, CONNECTING ROD
main13041-20010-01×6i200304-200412
main13041-20010-02×6i199912-200304
main13041-20010-03×6i199912-200304
main13041-20010-04×6i199912-200304
main13041-20011-01×6i200412
main13041-20011-02×6i200412
main13041-20011-03×6i200412
main13041-20011-04×6i200412
main13281-28010-01×8i200002-200304
main13281-28010-02×8i200304
main13281-28010-03×8i200304
13101PISTON SUB-ASSY, W/PIN
main13101-20030×3i199912-200107
main13101-20040×3i200107-200304
main13101-20041×3i200307
main13301-20020×3i199912-200107
main13301-20030×3i200107-200304
main13301-20031×3i200307
13101ARING, HOLE SNAP(FOR PISTON PIN)
main90520-22025×12i200304
main90521-25004×8i200002-200005
13201ROD SUB-ASSY, CONNECTING
main13201-09790-A0×4i200504-200601
main13201-09790-B0×4i200504-200601
main13201-09790-C0×4i200504-200601
main13201-29015×6i199912-200205
main13201-29125-A0×4i200002-200304
main13201-29125-B0×4i200002-200304
main13201-29125-C0×4i200002-200304
main13201-29155×6i200205-200302
main13201-29165×6i200304-200404
main13201-29525×6i200404
main13201-29685-A0×4i200404-200504
main13201-29685-B0×4i200404-200504
main13201-29685-C0×4i200504-200601
13211PISTON
main13211-28030-A0×4i200002-200107
main13211-28030-B0×4i200002-200107
main13211-28030-C0×4i200002-200107
main13211-28031-A0×4i200304
main13211-28031-B0×4i200107-200304
main13211-28031-C0×4i200107-200304
13251PIN, PISTON
main13251-28010-A0×4i200304
main13251-28010-B0×4i200304
main13251-28010-C0×4i200002-200304
13265BOLT, CONNECTING ROD
main13265-28010×8i200002-200304
main13265-50020×12i199912-200205
13411CRANKSHAFT
main13401-0H010i200411
main13401-20030i199912-200304
main13401-28010i200304
main13401-28900i200002-200112
13434AKEY(FOR OIL PUMP DRIVE SPLINE)
main95161-30416i200002-200304
13471PULLEY, CRANKSHAFT
main13408-0A010i200304
main13408-20010i199912-200304
main13470-28010i200002-200003
main13470-28020i200304
13471AKEY, CRANKSHAFT(FOR CRANKSHAFT PULLEY SET)
main95161-30416i200304
main95161-30516×2i200304
13471CBOLT(FOR CRANKSHAFT PULLEY SET)
main90119-14106i200304
main90119-16004i200304
13519GEAR, OIL PUMP DRIVE
main13519-28010i200002-200304
13521GEAR OR SPROCKET, CRANKSHAFT TIMING
main13521-28010i200002-200304
main13521-28030i200601
13601ABALANCESHAFT SUB-ASSY, NO.1
main13601-28010i200002-200304
main13601-28011i200505-200509
main13601-28030i200509
13602BALANCESHAFT SUB-ASSY, NO.2
main13602-28010i200002-200304
main13602-28011i200505-200509
main13602-28030i200509
19315PLATE, CRANK ANGLE SENSOR, NO.1
main19315-28010i200002-200304

23 parts on this diagram · 2 diagrams in section

CRANKSHAFT & PISTON — Toyota Parts Diagram with OEM Numbers & Prices | EPC Data