E
EPC Data

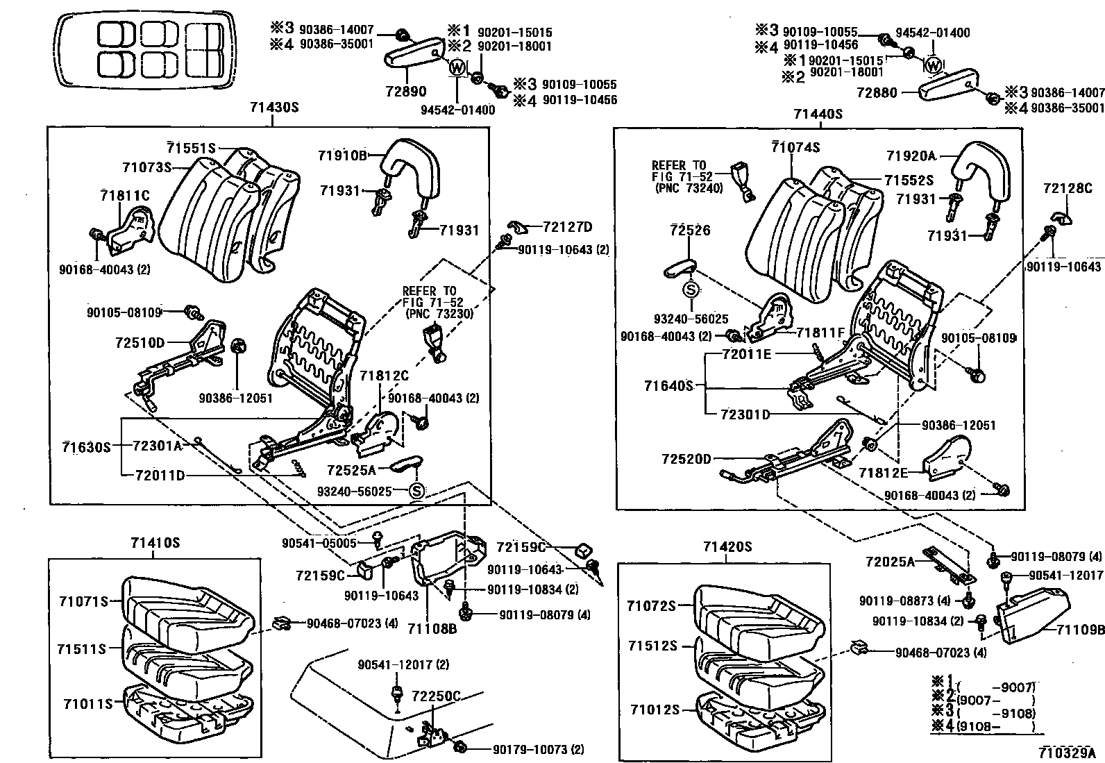
SEAT & SEAT TRACK

Parts diagram
71011SFRAME SUB-ASSY, FRONT SEAT CUSHION, RH
main71011-28160i199608-199912
main71011-95D03i199005-199608
71012SFRAME SUB-ASSY, FRONT SEAT CUSHION, LH
main71012-28130i199608-199912
main71012-95D00i199005-199608
71071SCOVER, FRONT SEAT CUSHION, RH(FOR SEPARATE TYPE)
main71071-28400-B0i199302-199408
LIGHT GRAY,TRIM1#
main71071-28630-B0i199408-199608
GRAY,TRIM1#
main71071-28640-B0i199408-199608
BLUISH GRAY,TRIM1#
main71071-2J020-B0i199608-199701
BLUISH GRAY,TRIM1#
main71071-2J021-B0i199701-199801
BLUISH GRAY,TRIM1#
main71071-2J030-B0i199608-199801
BLUISH GRAY,TRIM1#
main71071-2J031-B3i199801-199912
BLUISH GRAY,TRIM1#
main71071-2J040-B0i199608-199801
BLUISH GRAY,TRIM1#
main71071-2J041-B1i199801-199912
BLUISH GRAY,TRIM1#
main71071-2J050-E0i199704-199708
main71071-2J051-E1i199708-199712
main71071-2J240-B0i199801-199912
BLUISH GRAY,TRIM1#
main71071-2J280-B0i199804-199912
main71071-2J360-E0i199810-199912
main71071-2J400-C0i199901-199912
main71071-2J440-B0i199904-199912
main71071-95D07-03i199005-199109
LIGHT GRAY,TRIM1#
main71071-95D07-05i199005-199202
LIGHT GREIGE,TRIM4#
main71071-95D07-B1i199109-199308
LIGHT GRAY,TRIM1#
main71071-95D07-B2i199308-199408
LIGHT GRAY,TRIM1#
main71071-95D07-E3i199202-199408
LIGHT GREIGE,TRIM4#
71072SCOVER, FRONT SEAT CUSHION, LH(FOR SEPARATE TYPE)
main71071-2J360-E0i199810-199912
main71071-2J400-C0i199901-199912
main71071-2J440-B0i199904-199912
main71072-28400-B0i199302-199408
LIGHT GRAY,TRIM1#
main71072-28620-B0i199408-199608
GRAY,TRIM1#
main71072-28630-B0i199408-199608
BLUISH GRAY,TRIM1#
main71072-2J010-B0i199608-199701
BLUISH GRAY,TRIM1#
main71072-2J011-B0i199701-199801
BLUISH GRAY,TRIM1#
main71072-2J020-B0i199608-199801
BLUISH GRAY,TRIM1#
main71072-2J021-B3i199801-199912
BLUISH GRAY,TRIM1#
main71072-2J030-B0i199608-199801
BLUISH GRAY,TRIM1#
main71072-2J031-B1i199801-199912
BLUISH GRAY,TRIM1#
main71072-2J080-E0i199704-199708
main71072-2J081-E1i199708-199712
main71072-2J230-B0i199801-199912
BLUISH GRAY,TRIM1#
main71072-2J270-B0i199804-199912
main71072-95D13-03i199005-199109
LIGHT GRAY,TRIM1#
main71072-95D13-05i199005-199202
LIGHT GREIGE,TRIM4#
main71072-95D13-B0i199109-199308
LIGHT GRAY,TRIM1#
main71072-95D13-B1i199308-199408
LIGHT GRAY,TRIM1#
main71072-95D13-E0i199202-199408
LIGHT GREIGE,TRIM4#
71073SCOVER, FRONT SEATBACK, RH(FOR SEPARATE TYPE)
main71073-28370-B0i199302-199408
LIGHT GRAY,TRIM1#
main71073-28520-B0i199308-199408
LIGHT GRAY,TRIM1#
main71073-28520-E0i199308-199408
LIGHT GREIGE,TRIM4#
main71073-28560-B0i199408-199608
GRAY,TRIM1#
main71073-28570-B0i199408-199608
BLUISH GRAY,TRIM1#
main71073-28830-B0i199608-199701
BLUISH GRAY,TRIM1#
main71073-28831-B0i199701-199801
BLUISH GRAY,TRIM1#
main71073-2J060-B0i199608-199801
BLUISH GRAY,TRIM1#
main71073-2J061-B3i199801-199912
BLUISH GRAY,TRIM1#
main71073-2J070-B0i199608-199801
BLUISH GRAY,TRIM1#
main71073-2J071-B2i199801-199912
BLUISH GRAY,TRIM1#
main71073-2J220-E0i199704-199708
main71073-2J221-E1i199708-199712
main71073-2J300-B0i199801-199912
BLUISH GRAY,TRIM1#
main71073-2J360-B0i199804-199912
main71073-2J460-E0i199810-199912
main71073-2J490-C0i199901-199912
main71073-2J540-B0i199904-199912
main71073-95D14-03i199005-199109
LIGHT GRAY,TRIM1#
main71073-95D14-05i199005-199202
LIGHT GREIGE,TRIM4#
main71073-95D14-B0i199109-199308
LIGHT GRAY,TRIM1#
main71073-95D14-E0i199202-199308
LIGHT GREIGE,TRIM4#
71074SCOVER, FRONT SEATBACK, LH(FOR SEPARATE TYPE)
main71071-2J440-C0i199901-199912
main71074-28420-B0i199302-199408
LIGHT GRAY,TRIM1#
main71074-28630-B0i199408-199608
GRAY,TRIM1#
main71074-28640-B0i199408-199608
BLUISH GRAY,TRIM1#
main71074-28720-E0i199704-199708
main71074-28721-E1i199708-199712
main71074-28850-B0i199608-199701
BLUISH GRAY,TRIM1#
main71074-28851-B0i199701-199801
BLUISH GRAY,TRIM1#
main71074-2J150-B0i199608-199801
BLUISH GRAY,TRIM1#
main71074-2J151-B3i199801-199912
BLUISH GRAY,TRIM1#
main71074-2J160-B0i199608-199801
BLUISH GRAY,TRIM1#
main71074-2J161-B1i199801-199912
BLUISH GRAY,TRIM1#
main71074-2J310-B0i199801-199912
BLUISH GRAY,TRIM1#
main71074-2J350-B0i199804-199912
main71074-2J410-E0i199810-199912
main71074-2J450-C0i199901-199912
main71074-2J480-B0i199904-199912
main71074-95D13-03i199005-199109
LIGHT GRAY,TRIM1#
main71074-95D13-05i199005-199202
LIGHT GREIGE,TRIM4#
main71074-95D13-B0i199109-199308
LIGHT GRAY,TRIM1#
main71074-95D13-B1i199308-199408
LIGHT GRAY,TRIM1#
main71074-95D13-E0i199202-199308
LIGHT GREIGE,TRIM4#
main71074-95D13-E1i199308-199408
LIGHT GREIGE,TRIM4#
71108BLEG SUB-ASSY, FRONT SEAT, RH
main71108-95D01-03i199005-199308
GRAY,TRIM1#
main71108-95D01-05i199005-199308
GREIGE,TRIM4#
main71108-95D01-B0i199308-199912
GRAY,TRIM1#
main71108-95D01-E2i199708-199712
main71108-95D01-E2i199308-199408
GREIGE,TRIM4#
main71108-95D01-E2i199704-199708
main71108-95D01-E2i199810-199912
71109BLEG SUB-ASSY, FRONT SEAT, LH
main71109-28030-B0i199308-199608
GRAY,TRIM1#
main71109-28030-E0i199308-199408
GREIGE,TRIM4#
main71109-28080-B0i199608-199912
BLUISH GRAY,TRIM1#
main71109-28080-E0i199810-199912
main71109-28080-E0i199704-199708
main71109-28080-E0i199708-199712
main71109-95D01-03i199005-199308
GRAY,TRIM1#
main71109-95D01-05i199005-199308
GREIGE,TRIM4#
71410SCUSHION ASSY, FRONT SEAT, RH(FOR SEPARATE TYPE)
main71410-28330-B0i199302-199308
***,LIGHT GRAY,TRIM1#
main71410-28330-B1i199308-199408
***,LIGHT GRAY,TRIM1#
main71410-28480-B0i199408-199608
***,GRAY,TRIM1#
main71410-28490-B0i199408-199608
***,LIGHT GRAY,TRIM1#
main71410-2J020-B0i199608-199801
***,BLUISH GRAY,TRIM1#
main71410-2J030-B0i199608-199801
***,BLUISH GRAY,TRIM1#
main71410-2J031-B1i199801-199912
***,BLUISH GRAY,TRIM1#
main71410-2J040-B0i199608-199801
***,BLUISH GRAY,TRIM1#
main71410-2J041-B2i199801-199912
***,BLUISH GRAY,TRIM1#
main71410-2J120-E0i199704-199708
main71410-2J121-E1i199708-199712
main71410-2J180-B0i199801-199912
***,BLUISH GRAY,TRIM1#
main71410-2J220-B0i199804-199912
main71410-2J300-E0i199810-199912
main71410-2J340-C0i199901-199912
main71410-2J380-B0i199904-199912
main71410-95D09-03i199005-199109
***,LIGHT GRAY,TRIM1#
main71410-95D09-05i199005-199202
***,LIGHT GREIGE,TRIM4#
main71410-95D09-B0i199109-199308
***,LIGHT GRAY,TRIM1#
main71410-95D09-B1i199308-199408
***,LIGHT GRAY,TRIM1#
main71410-95D09-E3i199202-199308
***,LIGHT GREIGE,TRIM4#
main71410-95D09-E4i199308-199408
***,LIGHT GREIGE,TRIM4#
71420SCUSHION ASSY, FRONT SEAT, LH (FOR SEPARATE TYPE)
main71420-28330-B0i199302-199308
***,LIGHT GRAY,TRIM1#
main71420-28330-B1i199308-199408
***,LIGHT GRAY,TRIM1#
main71420-28460-B0i199408-199608
***,GRAY,TRIM1#
main71420-28470-B0i199408-199608
***,LIGHT GRAY,TRIM1#
main71420-28850-B0i199608-199801
***,BLUISH GRAY,TRIM1#
main71420-28860-B0i199608-199801
***,BLUISH GRAY,TRIM1#
main71420-28861-B1i199801-199912
***,BLUISH GRAY,TRIM1#
main71420-28870-B0i199608-199801
***,BLUISH GRAY,TRIM1#
main71420-28871-B1i199801-199912
***,BLUISH GRAY,TRIM1#
main71420-2J070-E0i199704-199708
main71420-2J071-E1i199708-199712
main71420-2J130-B0i199801-199912
***,BLUISH GRAY,TRIM1#
main71420-2J170-B0i199804-199912
main71420-2J270-E0i199810-199912
main71420-2J340-C0i199901-199912
main71420-2J360-B0i199904-199912
main71420-95D03-03i199005-199109
***,LIGHT GRAY,TRIM1#
main71420-95D03-05i199005-199202
***,LIGHT GREIGE,TRIM4#
main71420-95D03-B0i199109-199308
***,LIGHT GRAY,TRIM1#
main71420-95D03-B1i199308-199408
***,LIGHT GRAY,TRIM1#
main71420-95D03-E3i199202-199308
***,LIGHT GREIGE,TRIM4#
main71420-95D03-E4i199308-199408
***,LIGHT GREIGE,TRIM4#
71430SBACK ASSY, FRONT SEAT, RH(FOR SEPARATE TYPE)
main71040-28010-E0i199704-199708
main71040-28011-E1i199708-199712
main71040-28120-B0i199801-199912
***,BLUISH GRAY,TRIM1#
main71040-28140-E0i199810-199912
main71040-28240-B0i199804-199912
main71040-28370-C0i199901-199912
main71040-28450-B0i199904-199912
main71430-28210-B0i199108-199109
***,LIGHT GRAY,TRIM1#
main71430-28210-B1i199109-199308
***,LIGHT GRAY,TRIM1#
main71430-28210-E0i199108-199202
***,LIGHT GREIGE,TRIM4#
main71430-28210-E1i199202-199308
***,LIGHT GREIGE,TRIM4#
main71430-28211-B2i199308-199408
***,LIGHT GRAY,TRIM1#
main71430-28211-E2i199308-199408
***,LIGHT GREIGE,TRIM4#
main71430-28450-B0i199302-199308
***,LIGHT GRAY,TRIM1#
main71430-28450-B1i199308-199408
***,LIGHT GRAY,TRIM1#
main71430-28690-B0i199408-199608
***,GRAY,TRIM1#
main71430-28700-B0i199408-199608
***,LIGHT GRAY,TRIM1#
main71430-2J420-B0i199608-199801
***,BLUISH GRAY,TRIM1#
main71430-2J430-B0i199608-199801
***,BLUISH GRAY,TRIM1#
main71430-2J431-B3i199801-199912
***,BLUISH GRAY,TRIM1#
main71430-2J440-B0i199608-199801
***,BLUISH GRAY,TRIM1#
main71430-2J441-B1i199801-199912
***,BLUISH GRAY,TRIM1#
main71430-95D19-03i199005-199108
***,LIGHT GRAY,TRIM1#
main71430-95D19-05i199005-199108
***,LIGHT GREIGE,TRIM4#
71440SBACK ASSY, FRONT SEAT, LH(FOR SEPARATE TYPE)
main71070-28020-E0i199704-199708
main71070-28021-E1i199708-199712
main71070-28080-E0i199810-199912
main71070-28090-B0i199801-199912
***,BLUISH GRAY,TRIM1#
main71070-28140-B0i199804-199912
main71070-28210-C0i199901-199912
main71070-28220-C0i199901-199912
main71070-28250-B0i199904-199912
main71440-28190-B0i199108-199109
***,LIGHT GRAY,TRIM1#
main71440-28190-B1i199109-199308
***,LIGHT GRAY,TRIM1#
main71440-28190-B2i199308-199408
***,LIGHT GRAY,TRIM1#
main71440-28190-E0i199108-199202
***,LIGHT GREIGE,TRIM4#
main71440-28190-E1i199202-199308
***,LIGHT GREIGE,TRIM4#
main71440-28190-E2i199308-199408
***,LIGHT GREIGE,TRIM4#
main71440-28450-B0i199302-199308
***,LIGHT GRAY,TRIM1#
main71440-28450-B1i199308-199408
***,LIGHT GRAY,TRIM1#
main71440-28680-B0i199408-199608
***,GRAY,TRIM1#
main71440-28690-B0i199408-199608
***,LIGHT GRAY,TRIM1#
main71440-2J300-B0i199608-199801
***,BLUISH GRAY,TRIM1#
main71440-2J310-B0i199608-199801
***,BLUISH GRAY,TRIM1#
main71440-2J311-B1i199801-199912
***,BLUISH GRAY,TRIM1#
main71440-2J320-B0i199608-199801
***,BLUISH GRAY,TRIM1#
main71440-2J321-B1i199801-199912
***,BLUISH GRAY,TRIM1#
main71440-95D18-03i199005-199108
***,LIGHT GRAY,TRIM1#
main71440-95D18-05i199005-199108
***,LIGHT GREIGE,TRIM4#
71511SPAD, FRONT SEAT CUSHION, RH(FOR SEPARATE TYPE)
main71511-28140i199408-199608
main71511-28180i199608-199912
main71511-95D01i199005-199408
71512SPAD, FRONT SEAT CUSHION, LH (FOR SEPARATE TYPE)
main71511-28180i199608-199912
main71512-28120i199408-199608
main71512-95D01i199005-199408
7152
71551SPAD, FRONT SEATBACK, RH(FOR SEPARATE TYPE)
main71551-28150i199408-199608
main71551-28210i199608-199912
main71551-95D02i199005-199408
71552SPAD, FRONT SEATBACK, LH(FOR SEPARATE TYPE)
main71551-28210i199608-199912
main71552-28180i199408-199608
main71552-95D01i199005-199408
71630SSPRING ASSY, FRONT SEATBACK, RH(FOR SEPARATE TYPE)
main71630-28080i199108-199408
main71630-28250i199408-199608
main71630-28320i199608-199801
main71630-28340i199801-199912
main71630-95D00i199005-199108
71640SSPRING ASSY, FRONT SEATBACK, LH(FOR SEPARATE TYPE)
main71640-28080i199108-199408
main71640-28350i199408-199608
main71640-28370i199608-199610
main71640-28430i199610-199801
main71640-28480i199801-199804
main71640-28510i199804-199912
main71640-95D00i199005-199108
71811CCOVER, RECLINING ADJUSTER, RH
main71811-28090-B0i199608-199912
BLUISH GRAY,TRIM1#
main71811-28090-E0i199708-199712
main71811-28090-E0i199704-199708
main71811-28090-E0i199810-199912
main71811-95D01-03i199005-199308
LIGHT GRAY,TRIM1#
main71811-95D01-05i199005-199308
LIGHT GREIGE,TRIM4#
main71811-95D01-B0i199308-199608
GRAY,TRIM1#
main71811-95D01-E2i199308-199408
GREIGE,TRIM4#
71811FCOVER, RECLINING ADJUSTER, RH
main71811-28100-B0i199608-199912
BLUISH GRAY,TRIM1#
main71811-28100-E0i199708-199712
main71811-28100-E0i199810-199912
main71811-28100-E0i199704-199708
main71811-95D03-03i199005-199308
LIGHT GRAY,TRIM1#
main71811-95D03-05i199005-199308
LIGHT GREIGE,TRIM4#
main71811-95D03-B0i199308-199608
GRAY,TRIM1#
main71811-95D03-E2i199308-199408
GREIGE,TRIM4#
71812CCOVER, RECLINING ADJUSTER, LH
main71812-28130-B0i199608-199912
BLUISH GRAY,TRIM1#
main71812-28130-E0i199704-199708
main71812-28130-E0i199810-199912
main71812-28130-E0i199708-199712
main71812-95D01-03i199005-199308
LIGHT GRAY,TRIM1#
main71812-95D01-05i199005-199308
LIGHT GREIGE,TRIM4#
main71812-95D01-B0i199308-199608
GRAY,TRIM1#
main71812-95D01-E2i199308-199408
GREIGE,TRIM4#
71812ECOVER, RECLINING ADJUSTER, LH
main71812-28100-B0i199608-199912
BLUISH GRAY,TRIM1#
main71812-28100-E0i199704-199708
main71812-28100-E0i199708-199712
main71812-28100-E0i199810-199912
main71812-95D04-03i199005-199308
LIGHT GRAY,TRIM1#
main71812-95D04-05i199005-199308
LIGHT GREIGE,TRIM4#
main71812-95D04-B0i199308-199608
GRAY,TRIM1#
main71812-95D04-E2i199308-199408
GREIGE,TRIM4#
71910BHEADREST ASSY, FRONT SEAT
main71910-28190-B0i199302-199308
LIGHT GRAY,TRIM1#
main71910-28190-B1i199308-199408
LIGHT GRAY,TRIM1#
main71910-28360-B0i199408-199608
BLUISH GRAY,TRIM1#
main71910-28370-B0i199408-199608
BLUISH GRAY,TRIM1#
main71910-28520-E1i199704-199708
main71910-28521-E3i199708-199712
main71910-28550-B0i199608-199801
BLUISH GRAY,TRIM1#
main71910-28560-B0i199608-199801
BLUISH GRAY,TRIM1#
main71910-28561-B2i199801-199912
BLUISH GRAY,TRIM1#
main71910-28570-B0i199608-199801
BLUISH GRAY,TRIM1#
main71910-28571-B1i199801-199912
BLUISH GRAY,TRIM1#
main71910-28730-E1i199810-199912
main71910-28740-B1i199801-199912
BLUISH GRAY,TRIM1#
main71910-28770-B1i199804-199912
main71910-2J010-C0i199901-199912
main71910-2J020-C0i199901-199912
main71910-2J050-B0i199904-199912
main71910-95D01-03i199005-199308
LIGHT GRAY,TRIM1#
main71910-95D01-05i199005-199308
LIGHT GREIGE,TRIM4#
main71910-95D01-B0i199308-199408
LIGHT GRAY,TRIM1#
main71910-95D01-E4i199308-199408
LIGHT GREIGE,TRIM4#
71920AHEADREST ASSY, FRONT SEAT, LH
main71910-28520-E1i199704-199708
main71910-28521-E3i199708-199712
main71910-28560-B0i199608-199801
BLUISH GRAY,TRIM1#
main71910-28561-B2i199801-199912
BLUISH GRAY,TRIM1#
main71910-28730-E1i199810-199912
main71910-28740-B1i199801-199912
BLUISH GRAY,TRIM1#
main71910-28770-B1i199804-199912
main71910-2J010-C0i199901-199912
main71910-2J020-C0i199901-199912
main71910-2J050-B0i199904-199912
main71920-28020-B0i199302-199308
LIGHT GRAY,TRIM1#
main71920-28020-B1i199308-199408
LIGHT GRAY,TRIM1#
main71920-28070-B0i199408-199608
BLUISH GRAY,TRIM1#
main71920-28080-B0i199408-199608
BLUISH GRAY,TRIM1#
main71920-28130-B0i199608-199801
BLUISH GRAY,TRIM1#
main71920-28150-B0i199608-199801
BLUISH GRAY,TRIM1#
main71920-28151-B1i199801-199912
BLUISH GRAY,TRIM1#
main71920-95D02-03i199005-199308
LIGHT GRAY,TRIM1#
main71920-95D02-05i199005-199308
LIGHT GREIGE,TRIM4#
main71920-95D02-B0i199308-199408
LIGHT GRAY,TRIM1#
main71920-95D02-E1i199308-199408
LIGHT GREIGE,TRIM4#
71931SUPPORT, FRONT SEAT HEADREST
main71930-12050-13×4i199005-199308
main71930-12050-15×4i199005-199308
main71930-12050-B0×4i199308-199408
main71930-12050-E1×4i199308-199408
main71930-28030-B0×2i199408-199912
main71930-28030-E0i199704-199708
main71930-28030-E0i199810-199912
main71930-28030-E0i199708-199712
main71930-32020-B1×2i199505-199608
main71931-28030-B0×2i199408-199912
main71931-28030-E0i199708-199712
main71931-28030-E0i199810-199910
main71931-28030-E0i199704-199708
main71931-32020-B1×2i199505-199608
72011DSPRING, TENSION, RH(FOR FRONT SEAT ADJUSTER OUTER)
main90506-16061i199005-199608
72011ESPRING, TENSION, LH(FOR FRONT SEAT ADJUSTER OUTER)
main90506-16061i199005-199608
72025ASTRIKER SUB-ASSY, FRONT SEAT LOCK
main72025-28050i199608-199912
main72025-95D02i199005-199608
72127DCOVER, SEAT TRACK BRACKET, FRONT, RH
main72127-28020-B0×2i199608-199912
BLUISH GRAY,TRIM1#
main72127-28020-E0i199810-199912
main72127-28020-E0×2i199704-199708
main72127-28020-E0×2i199708-199712
main72127-95D01-03×2i199005-199308
GRAY,TRIM1#
main72127-95D01-05×2i199005-199308
GREIGE,TRIM4#
main72127-95D01-B0×2i199308-199608
GRAY,TRIM1#
main72127-95D01-E2×2i199308-199408
GREIGE,TRIM4#
72128CCOVER, SEAT TRACK BRACKET, FRONT, LH
main72128-28020-B0×2i199608-199912
BLUISH GRAY,TRIM1#
main72128-28020-E0i199810-199912
main72128-28020-E0×2i199704-199708
main72128-28020-E0×2i199708-199712
main72128-95D00-03×2i199005-199308
GRAY,TRIM1#
main72128-95D00-05×2i199005-199308
GREIGE,TRIM4#
main72128-95D00-B0×2i199308-199608
GRAY,TRIM1#
main72128-95D00-E2×2i199308-199408
GREIGE,TRIM4#
72159CCOVER, FRONT SEAT TRACK BRACKET
main71139-28020-B0i199608-199912
BLUISH GRAY,TRIM1#
main71139-28020-E0i199810-199912
main71139-28020-E0i199704-199708
main71139-28020-E0i199708-199712
main72159-95D00-03×2i199005-199308
GRAY,TRIM1#
main72159-95D00-05×2i199005-199308
GREIGE,TRIM4#
main72159-95D00-B0×2i199308-199608
GRAY,TRIM1#
main72159-95D00-E2×2i199308-199408
GREIGE,TRIM41
72250CLOCK ASSY, FRONT SEAT
main72250-28010i199608-199912
main72250-95D00i199005-199608
72301AWIRE SUB-ASSY, SEAT TRACK EQUALIZING, RH
main72301-28050i199608-199801
main72301-95D00i199005-199608
72301DWIRE SUB-ASSY, SEAT TRACK EQUALIZING, LH
main72301-28050i199608-199801
main72301-95D00i199005-199608
72510DADJUSTER ASSY, RECLINING SEAT, OUTER RH
main72510-95D02-C0i199308-199608
BLACK,TRIM1#
main72510-95D02-C0i199005-199408
BLACK,TRIM1#,4#
72520DADJUSTER ASSY, RECLINING SEAT, OUTER LH
main72520-95D02-C0i199005-199408
BLACK,TRIM1#,4#
main72520-95D02-C0i199308-199608
BLACK,TRIM1#
72525AHANDLE, RECLINING ADJUSTER RELEASE, RH
main72525-28040-B0i199608-199912
BLUISH GRAY,TRIM1#
main72525-28040-E0i199704-199708
main72525-28040-E0i199708-199712
main72525-28040-E0i199810-199912
main72525-95D00-03i199005-199308
GRAY,TRIM1#
main72525-95D00-05i199005-199308
GREIGE,TRIM4#
main72525-95D00-B0i199308-199608
GRAY,TRIM1#
main72525-95D00-E2i199308-199408
GREIGE,TRIM4#
72526HANDLE, RECLINING ADJUSTER RELEASE, LH
main72526-28030-B0i199608-199912
BLUISH GRAY,TRIM1#
main72526-28030-E0i199704-199708
main72526-28030-E0i199708-199712
main72526-28030-E0i199810-199912
main72526-95D00-03i199005-199308
GRAY,TRIM1#
main72526-95D00-05i199005-199308
GREIGE,TRIM4#
main72526-95D00-B0i199308-199608
GRAY,TRIM1#
main72526-95D00-E2i199308-199408
GREIGE,TRIM4#
72880ARMREST ASSY, SEAT, C RH
main72890-28090-B0i199108-199308
LIGHT GRAY,TRIM1#
main72890-28090-B1i199308-199408
LIGHT GRAY,TRIM1#
main72890-28090-E0i199108-199308
LIGHT GREIGE,TRIM4#
main72890-28090-E1i199308-199408
LIGHT GREIGE,TRIM4#
main72890-28150-B0i199302-199308
LIGHT GRAY,TRIM1#
main72890-28150-B1i199308-199408
LIGHT GRAY,TRIM1#
main72890-28240-B0i199408-199508
GRAY,TRIM1#
main72890-28250-B0i199408-199508
LIGHT GRAY,TRIM1#
main72890-28330-E1i199704-199708
main72890-28331-E3i199708-199712
main72890-28340-B0i199508-199608
GRAY,TRIM1#
main72890-28350-B0i199508-199608
GRAY,TRIM1#
main72890-28450-B0i199608-199801
BLUISH GRAY,TRIM1#
main72890-28460-B0i199608-199801
BLUISH GRAY,TRIM1#
main72890-28470-B0i199608-199801
BLUISH GRAY,TRIM1#
main72890-28520-B0i199801-199912
BLUE GRAY,TRIM1#
main72890-28530-B0i199801-199912
BLUISH GRAY,TRIM1#
main72890-28540-B0i199801-199912
BLUISH GRAY,TRIM1#
main72890-28560-B0i199804-199912
main72890-28610-E0i199810-199912
main72890-28640-C0i199901-199912
main72890-28660-B0i199904-199912
main72890-95D10-03i199005-199108
LIGHT GRAY,TRIM1#
main72890-95D10-05i199005-199108
LIGHT GREIGE,TRIM4#
72890ARMREST ASSY, SEAT, C LH
main72880-28080-B0i199108-199308
LIGHT GRAY,TRIM1#
main72880-28080-B1i199308-199408
LIGHT GRAY,TRIM1#
main72880-28080-E0i199108-199308
LIGHT BLUE,TRIM4#
main72880-28080-E1i199308-199408
LIGHT GREIGE,TRIM4#
main72880-28140-B0i199302-199308
LIGHT GRAY,TRIM1#
main72880-28140-B1i199308-199408
LIGHT GRAY,TRIM1#
main72880-28240-B0i199408-199508
GRAY,TRIM1#
main72880-28250-B0i199408-199508
LIGHT GRAY,TRIM1#
main72880-28370-B0i199508-199608
GRAY,TRIM1#
main72880-28380-B0i199508-199608
GRAY,TRIM1#
main72880-28510-B0i199608-199801
BLUISH GRAY,TRIM1#
main72880-28520-B0i199608-199801
BLUISH GRAY,TRIM1#
main72880-28530-B0i199608-199801
BLUISH GRAY,TRIM1#
main72880-28540-B0i199801-199912
BLUISH GRAY,TRIM1#
main72880-28580-E1i199704-199708
main72880-28581-E2i199708-199712
main72880-28640-B0i199801-199912
BLUISH GRAY,TRIM1#
main72880-28650-B0i199801-199912
BLUISH GRAY,TRIM1#
main72880-28690-B1i199804-199912
main72880-28740-E0i199810-199912
main72880-28770-C0i199901-199912
main72880-28800-B0i199904-199912
main72880-95D04-03i199005-199108
LIGHT GRAY,TRIM1#
main72880-95D04-05i199005-199108
LIGHT GREIGE,TRIM4#
9010508109
9010910055
9011908079
9011908873
9011910456
9011910643
9011910834
9016840043
9017910073
9020115015
9020118001
9038612051
9038614007
9038635001
9046807023
9054105005
9054112017
9324056025
9454201400

60 parts on this diagram · 13 diagrams in section

SEAT & SEAT TRACK — Toyota Parts Diagram with OEM Numbers & Prices | EPC Data