HEATING & AIR CONDITIONING - COOLER UNIT

8401SWITCH & RELAY & COMPUTER
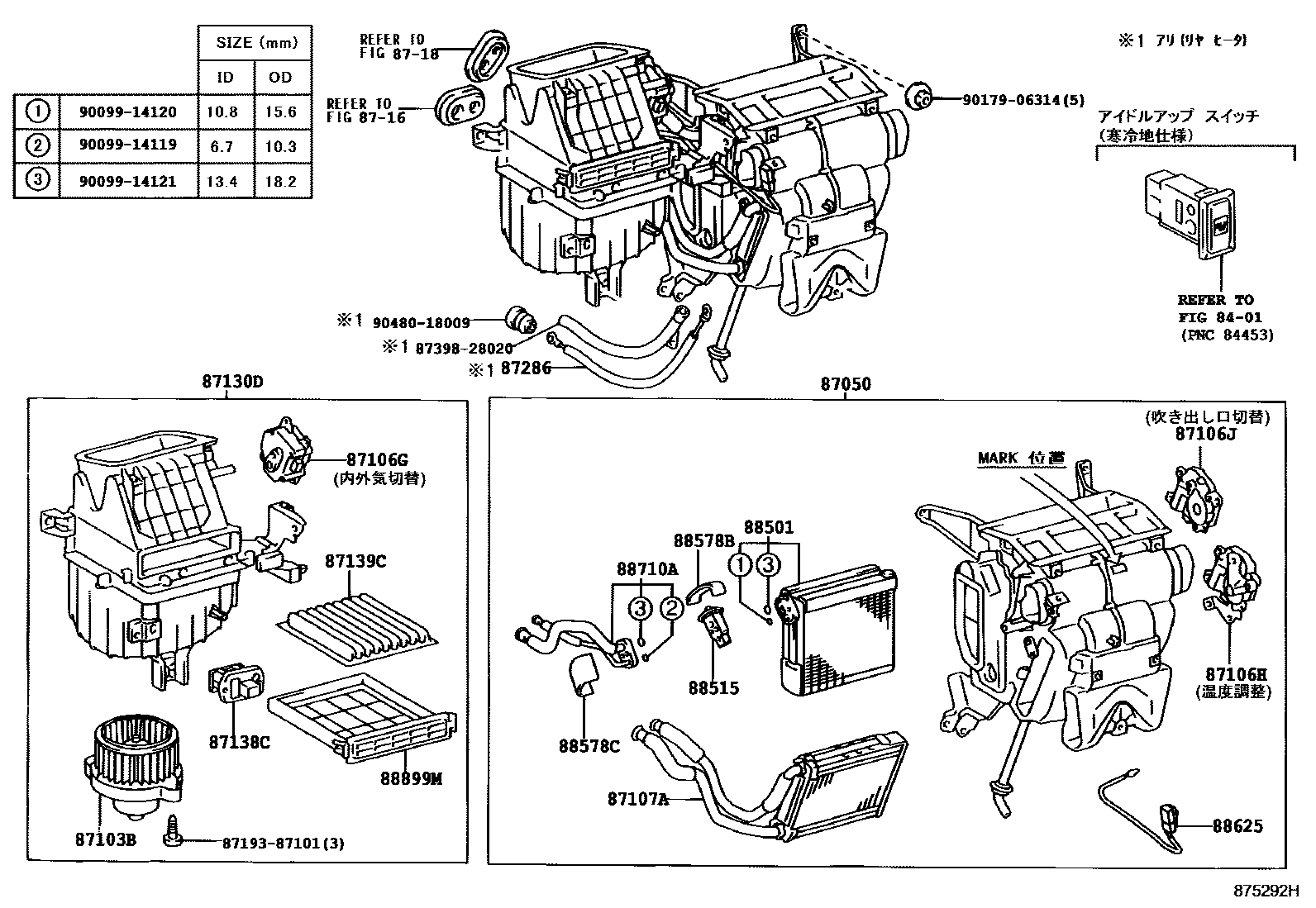
87050RADIATOR ASSY, AIR CONDITIONER
87106GSERVO SUB-ASSY, DAMPER(FOR BLOWER)
87106HSERVO SUB-ASSY, DAMPER(FOR AIRMIX)
87106JSERVO SUB-ASSY, DAMPER(FOR MODE)
87130DBLOWER ASSY
87138CRESISTOR, BLOWER
8716HEATING & AIR CONDITIONING - WATER PIPING
8718HEATING & AIR CONDITIONING - COOLER PIPING
88578BPACKING, COOLING UNIT, NO.1
88578CPACKING, COOLING UNIT, NO.2
88710ATUBE ASSY, AIR CONDITIONER
88899MPLATE, COVER(FOR AIR FILTER)
8719387101
main87193-87101
8739828020BAND ASSY (FOR COMBUSTION HEATER)
main87398-28020
9009914119
main90099-14119
9009914120
main90099-14120
9009914121
main90099-14121
9017906314
main90179-06314
9048018009
main90480-18009
27 parts on this diagram · 7 diagrams in section