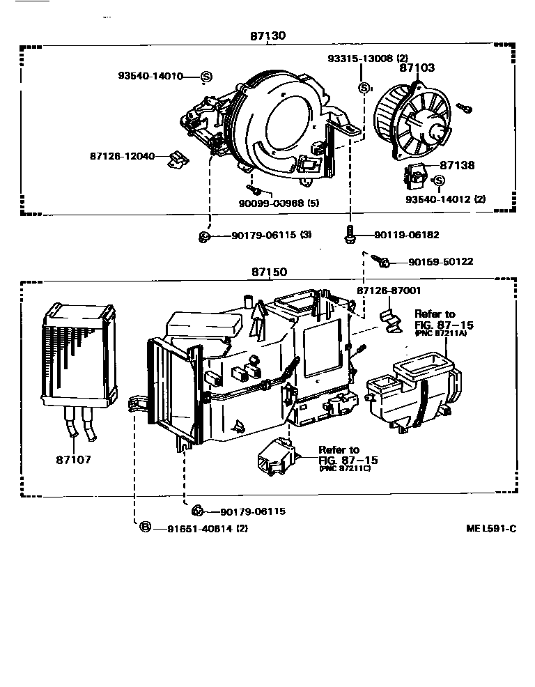
HEATING & AIR CONDITIONING - HEATER UNIT & BLOWER

87103MOTOR SUB-ASSY, HEATER BLOWER, W/FAN
87107UNIT SUB-ASSY, HEATER RADIATOR
87130BLOWER ASSY, HEATER, FRONT
main87130-87018iCR27..D;CR27..5F..N;CR27..SRF..4FC..N;CR21,28,30,37,KR2#,YR2#,3#; CR36..5F;CR27..HRF..4FC..N198902-199201
87138RESISTOR, HEATER BLOWER
8715HEATING & AIR CONDITIONING - CONTROL & AIR DUCT
87150RADIATOR ASSY, HEATER
8712612040CLAMP, HEATER CONTROL
main87126-12040
8712687001CLAMP, HEATER CONTROL
main87126-87001
9009900968
main90099-00968
9011906182
main90119-06182
9015950122
main90159-50122
9017906115
main90179-06115
9165140614
main91651-40614
9331513008
main93315-13008
9354014010
main93540-14010
9354014012
main93540-14012
16 parts on this diagram · 3 diagrams in section