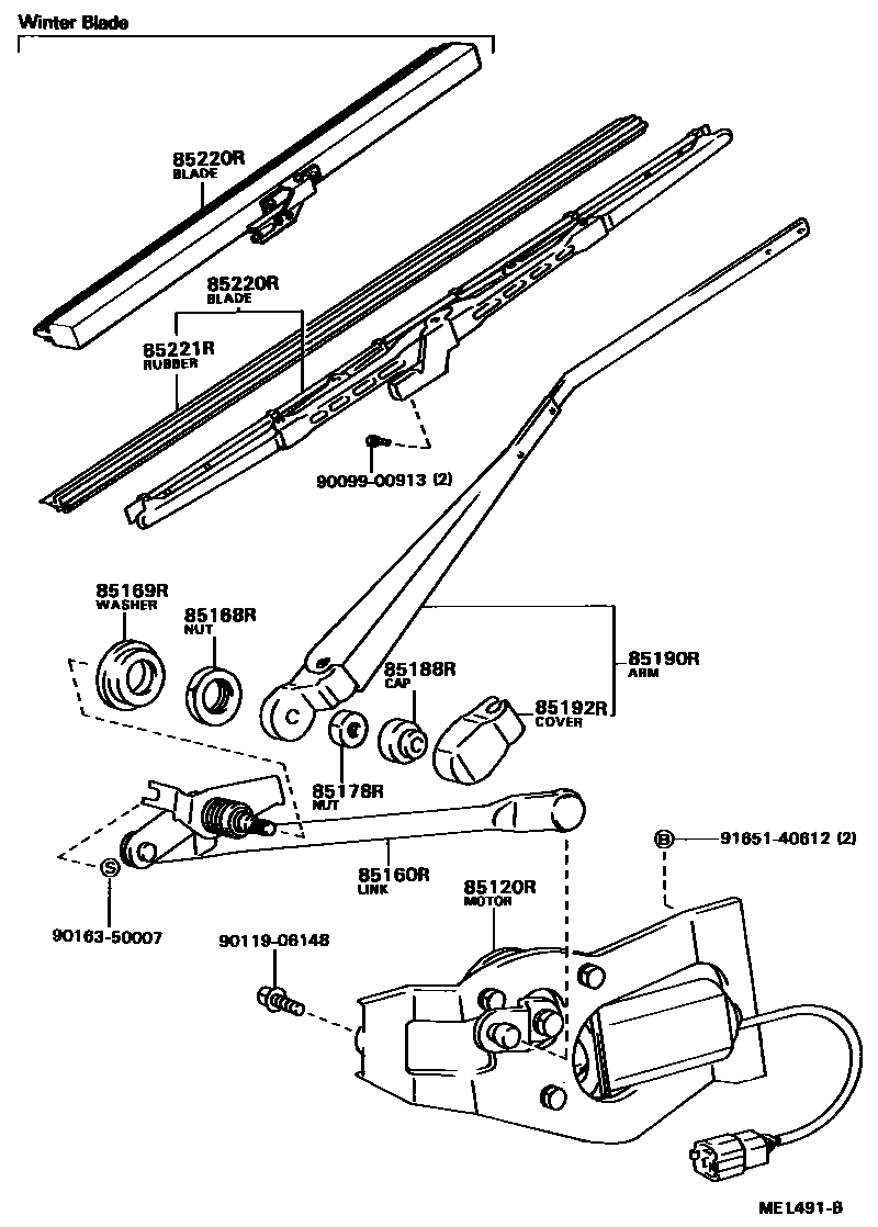
REAR WIPER

85120RMOTOR AND BRACKET ASSY, REAR WIPER
85160RLINK ASSY, REAR WIPER
85168RNUT, REAR WIPER LINK PIVOT, NO.1
85169RWASHER, REAR WIPER LINK PIVOT, NO.1
85178RNUT (FOR REAR WIPER ARM SETTING)
85188RCAP, REAR WIPER PIVOT, NO.1
85190RARM ASSY, REAR WIPER
85192RCOVER, REAR WIPER ARM
85220RBLADE ASSY, REAR WIPER
main85220-22600iCR2#,30,36,YR20,21,25,30..E,F,G,N,Q; CR2#,36,37,KR2#,YR20,25,28,36..B,D198808-199201
main85291-90K00iYR25..4H;YR25..SRF..05S..D; YR25..N;YR25..SRF..5H;YR25..HRF..(4FC,5H)..D;CR2#,3#,KR2#,YR20,21,28,3#198912-199201
85221RBLADE, REAR WIPER
9009900913
main90099-00913
9011906148
main90119-06148
9016350007
main90163-50007
9165140612
main91651-40612
14 parts on this diagram · 1 diagram in section