E
EPC Data

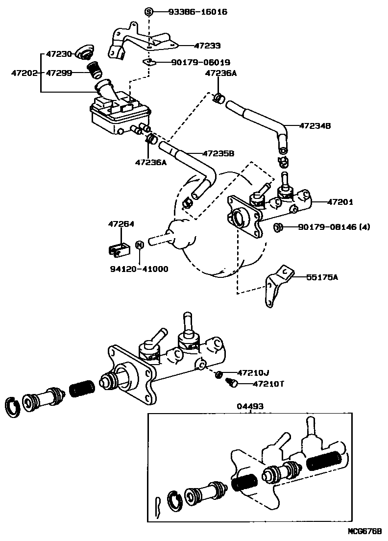
BRAKE MASTER CYLINDER

Parts diagram
04493CYLINDER KIT, BRAKE MASTER
main04493-28060i198808-199201
main04493-28070i198808-199201
47201CYLINDER SUB-ASSY, BRAKE MASTER
main47201-28140i198808-199201
main47201-28150i198808-199201
47202RESERVOIR SUB-ASSY, BRAKE MASTER CYLINDER
main47220-28100i198808-199201
main47220-28110i198808-199201
47210JGASKET(FOR MASTER CYLINDER)
main90430-06104i198808-199201
47210TBOLT(FOR BRAKE MASTER CYLINDER)
main90109-06008i198808-199201
47230CAP ASSY, BRAKE MASTER CYLINDER RESERVOIR FILLER
main47230-28010i198808-199201
47233BRACKET, RESERVOIR
main47233-28060i198808-199201
47234BTUBE, RESERVOIR, NO.1
main47234-28030i198808-199201
main47234-28060i198808-199201
47235BTUBE, BRAKE MASTER CYRINDER RESERVOIR, NO.2
main47235-28030i198808-199201
main47235-28060i198808-199201
47236ACLIP(FOR RESERVOIR TUBE)
main90467-16002i198808-199201
47264CLEVIS, MASTER CYLINDER PUSH ROD
main47264-10080i198808-199201
47299STRAINER, BRAKE MASTER CYLINDER RESERVOIR
main47299-28010i198808-199201
55175ASUPPORT SUB-ASSY, BRAKE MASTER CYLINDER
main55175-87001i198911-199201
main55175-87002i198911-199201
9017906019
9017908146
9338616016
9412041000

17 parts on this diagram · 1 diagram in section

BRAKE MASTER CYLINDER — Toyota Parts Diagram with OEM Numbers & Prices | EPC Data