HEATING & AIR CONDITIONING - CONTROL & AIR DUCT

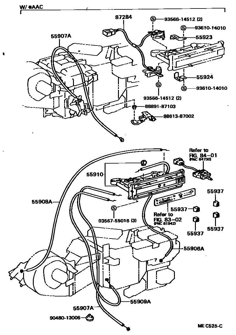
55906CABLE SUB-ASSY, HEATER CONTROL
55906ACABLE SUB-ASSY, DEFROSTER DAMPER CONTROL
55907ACABLE SUB-ASSY, WATER VALVE CONTROL
W/*AAC
55908ACABLE SUB-ASSY, AIR INLET DAMPER CONTROL
main55908-87004iYR20..HRF..(E,Q);YR20..HRF..5F..G;YR20..MRF..(08S,09S);CR2#,3#,KR26,YR21,26,28,3#198508-198808
55909ACABLE SUB-ASSY, AIRMIX DAMPER CONTROL
RR,W/*AAC
FR,W/*AAC
FR HEATER
RR HEATER
55910CONTROL ASSY, HEATER OR BOOST VENTILATOR
FR
RR,CAMPER OR W/*SNR,WINE,RED/MAROON,TRIM4#
WHITE WAGON,RR,BLUE,BLUE,TRIM1#
RR,WINE,RED/MAROON,TRIM4#
RR,BLUE,BLUE,TRIM1#
RR,W/*SNR,W/*SKR,BLUE,BLUE,TRIM8#
RR,W/*SNR,W/*SKR,BROWN,BROWN,TRIM4#
main55910-87015-04iCR26,27,36..V4D..05S; YR20..HRF..E;YR20..HRF..5F..G;YR20..MRF..(08S,09S);CR21,28,30,37,YR21,28,3#..05S,06S,08S; YR26..V4D..N198508-198808
RR,BLUE,BLUE,TRIM8#
main55910-87015-06iCR26,27,36..V4D..05S; YR20..HRF..E;YR20..HRF..5F..G;YR20..MRF..(08S,09S);CR21,28,30,37,YR21,28,3#..05S,06S,08S; YR26..V4D..N198508-198808
RR,BROWN,BROWN,TRIM4#
main55910-87018iYR20..HRF..5F..G;YR20..HRF..(E,Q,X);YR20..MRF..(08S,09S);CR2#,3#,KR26,YR21,26,28,3#198504-198808
FR
55923RETAINER, HEATER CONTROL, UPPER
W/*AAC
55924RETAINER, HEATER CONTROL, LOWER
W/*AAC
55937KNOB, HEATER CONTROL LEVER
FR & RR
RR
8302INDICATOR
8401SWITCH & RELAY & COMPUTER
87284RESISTOR SUB-ASSY, VARIABLE
FR,W/*AAC
RR,W/*AAC
8861387002PULLEY, COOLER DRIVE SHAFT (FOR COOLING FAN DRIVE)
main88613-87002
8889187103PACKING (FOR COOLER)
main88891-87103
9048013006
main90480-13006
9356614512
main93566-14512
9356755016
main93567-55016
9361014010
main93610-14010
18 parts on this diagram · 9 diagrams in section