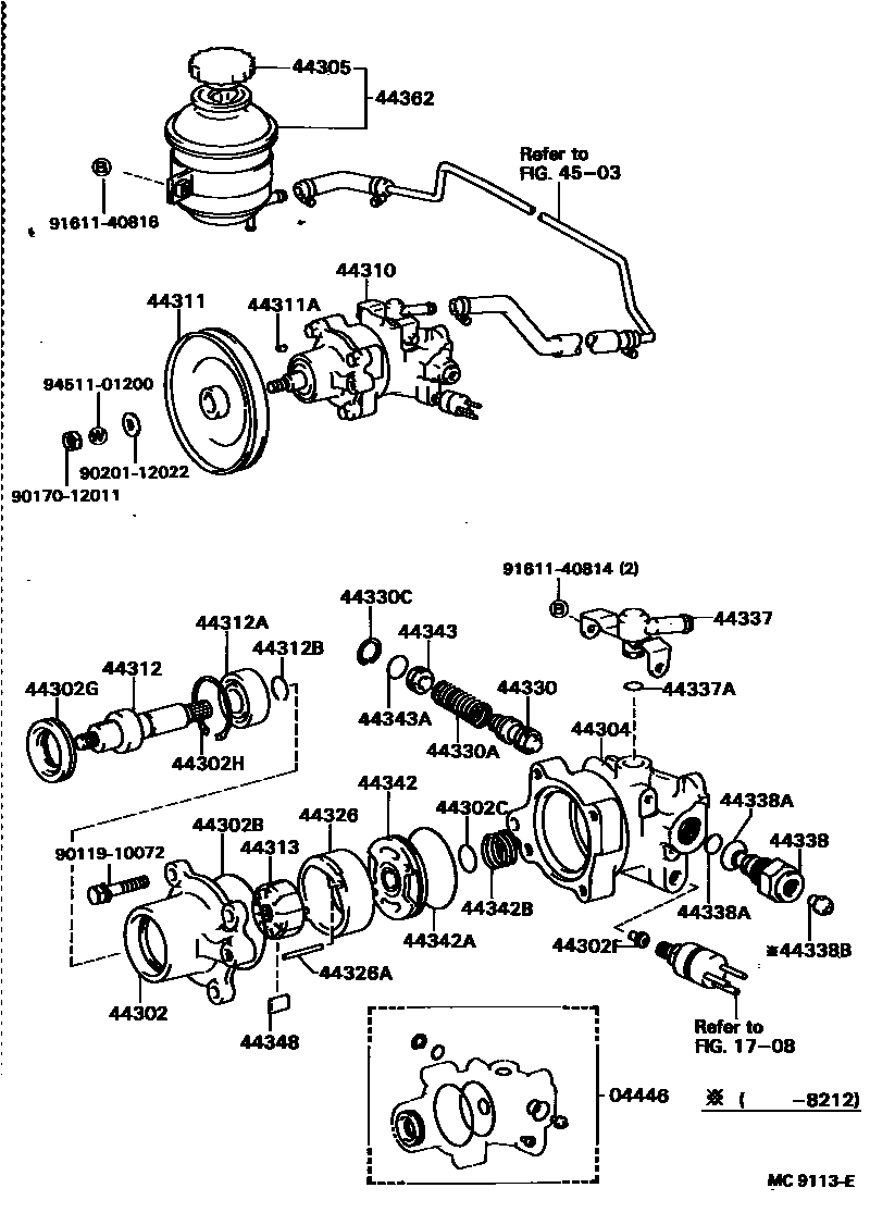
VANE PUMP & RESERVOIR (POWER STEERING)

04446GASKET KIT, POWER STEERING PUMP
main04446-14010iYR20..HRF..(E,Q);YR20..HRF..5F..G;YR20..MRF..(08S,09S);CR2#,3#,YR21,26,28,3#198211-198808
1708VACUUM PIPING
44302HOUSING SUB-ASSY, VANE PUMP, FRONT
44302BRING, O, NO.1(FOR VANE PUMP HOUSING)
44302CRING, O, NO.2(FOR VANE PUMP HOUSING)
44302FSEAT, UNION(FOR VANE PUMP HOUSING)
44302GSEAL, OIL, NO.2(FOR VANE PUMP HOUSING)
44302HRING, SNAP, NO.1(FOR VANE PUMP HOUSING)
44304HOUSING SUB-ASSY, VANE PUMP, REAR
44305CAP SUB-ASSY, VANE PUMP OIL RESERVOIR
44310PUMP ASSY, VANE
44311PULLEY, VANE PUMP
44311AKEY, VANE PUMP PULLEY
44312SHAFT, VANE PUMP
44312ABEARING(FOR VANE PUMP SHAFT)
44312BRING, SNAP, NO.1(FOR VANE PUMP SHAFT)
44313ROTOR, VANE PUMP
main44313-12020iYR20..HRF..(E,Q);YR20..HRF..5F..G;YR20..MRF..(08S,09S);CR2#,3#,YR21,26,28,3#198211-198808
44326RING, CAM(FOR VANE PUMP)
main44325-12030iYR20..HRF..(E,Q);YR20..HRF..5F..G;YR20..MRF..(08S,09S);CR2#,3#,YR21,26,28,3#198211-198808
main44325-12040iYR20..HRF..(E,Q);YR20..HRF..5F..G;YR20..MRF..(08S,09S);CR2#,3#,YR21,26,28,3#198211-198808
main44325-12050iYR20..HRF..(E,Q);YR20..HRF..5F..G;YR20..MRF..(08S,09S);CR2#,3#,YR21,26,28,3#198211-198808
44326APIN, STRAIGHT(FOR VANE PUMP CAM RING)
main90250-05008iYR20..HRF..(E,Q);YR20..HRF..5F..G;YR20..MRF..(08S,09S);CR2#,3#,YR21,26,28,3#198211-198808
44330VALVE ASSY, FLOW CONTROL
44330ASPRING, COMPRESSION(FOR FLOW CONTROL VALVE)
main90501-12103iYR20..HRF..E;YR20..HRF..5F..G;YR20..MRF..(08S,09S);CR2#,3#,YR21,26,28,3#198610-198808
main90501-12447iYR20..HRF..(E,Q);YR20..HRF..5F..G;YR20..MRF..(08S,09S);CR2#,3#,YR21,26,28,3#198211-198610
44330CRING, SNAP(FOR FLOW CONTROL VALVE)
main96151-01700iYR20..HRF..(E,Q);YR20..HRF..5F..G;YR20..MRF..(08S,09S);CR2#,3#,YR21,26,28,3#198211-198808
44337UNION, POWER STEERING SUCTION PORT
44337ARING, O(FOR POWER STEERING SUCTION PORT)
main96711-19013iYR20..HRF..(E,Q);YR20..HRF..5F..G;YR20..MRF..(08S,09S);CR2#,3#,YR21,26,28,3#198211-198808
44338UNION, PRESSURE PORT
44338ARING, O(FOR PRESSURE PORT UNION)
main96711-19014iYR20..HRF..(E,Q);YR20..HRF..5F..G;YR20..MRF..(08S,09S);CR2#,3#,YR21,26,28,3#198211-198808
44338BSEAT, UNION(FOR PRESSURE PORT UNION)
44342PLATE, VANE PUMP SIDE, REAR
44342ARING, O(FOR VANE PUMP SIDE PLATE REAR)
44342BSPRING, COMPRESSION(FOR VANE PUMP SIDE PLATE REAR)
main90501-23014iYR20..HRF..(E,Q);YR20..HRF..5F..G;YR20..MRF..(08S,09S);CR2#,3#,YR21,26,28,3#198211-198808
44343SEAT, FLOW CONTROL SPRING
main44343-12040iYR20..HRF..E;YR20..HRF..5F..G;YR20..MRF..(08S,09S);CR2#,3#,YR21,26,28,3#198610-198808
44343ARING, O(FOR FLOW CONTROL SPRING SEAT)
44348PLATE, VANE PUMP
main44345-12010iYR20..HRF..(E,Q);YR20..HRF..5F..G;YR20..MRF..(08S,09S);CR2#,3#,YR21,26,28,3#198211-198808
main44345-12050iYR20..HRF..(E,Q);YR20..HRF..5F..G;YR20..MRF..(08S,09S);CR2#,3#,YR21,26,28,3#198211-198808
44362RESERVOIR, OIL(FOR VANE PUMP)
main44360-28011iYR20..HRF..5F..G;YR20..MRF..(08S,09S);YR20,26,28..(HRF,SRF)..(B,D,E,N,Q)198211-198808
4503POWER STEERING TUBE
9011910072
main90119-10072
9017012011
main90170-12011
9020112022
main90201-12022
9161140814
main91611-40814
9161140816
main91611-40816
9451101200
main94511-01200
41 parts on this diagram · 3 diagrams in section