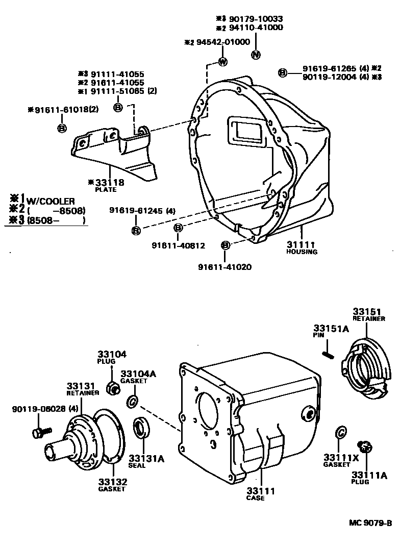
CLUTCH HOUSING & TRANSMISSION CASE (MTM)

31111HOUSING, CLUTCH
33104PLUG SUB-ASSY, DRAIN(MTM)
33104AGASKET, DRAIN PLUG(MTM)
33111CASE, MANUAL TRANSMISSION
33111APLUG, MANUAL TRANSMISSION CASE
33111XGASKET, TRANSMISSION CASE PLUG
33118PLATE, STIFFENER, RH(MTM)
W/COOLER
33131RETAINER, BEARING, FRONT(MTM)
33131ASEAL, OIL(FOR TRANSMISSION FRONT BEARING RETAINER)
33132GASKET, FRONT BEARING RETAINER(MTM)
33151RETAINER, OUTPUT SHAFT REAR BEARING(MTM)
33151APIN, SLOTTED SPRING(FOR OUTPUT SHAFT REAR BEARING RETAINER)
9011906028
main90119-06028
9011912004
main90119-12004
9017910033
main90179-10033
9111141055
main91111-41055
9111151065
main91111-51065
9161140812
main91611-40812
9161141020
main91611-41020
9161141055
main91611-41055
9161161018
main91611-61018
9161961245
main91619-61245
9161961265
main91619-61265
9411041000
main94110-41000
9454201000
main94542-01000
25 parts on this diagram · 5 diagrams in section