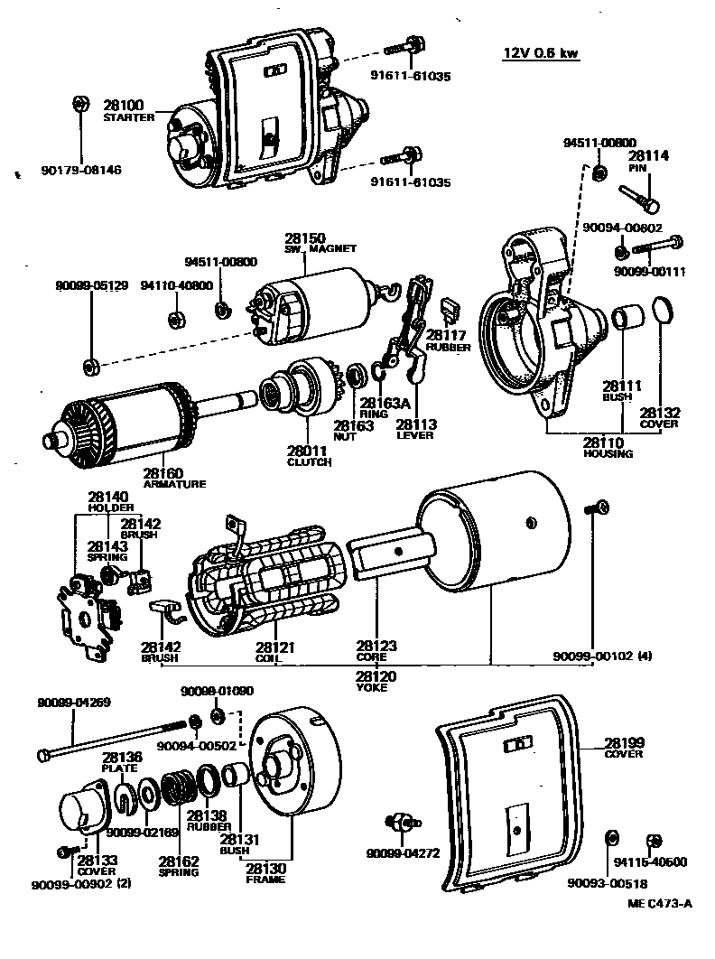
STARTER

28011CLUTCH SUB-ASSY, STARTER
12V 0.6KW
12V 0.8KW
12V 1.0KW
12V 2.0KW
12V 2.5KW
28110HOUSING ASSY, STARTER DRIVE
12V 0.8KW
12V 0.6KW
12V 0.6KW
12V 1.4KW
12V 1.0KW
12V 1.4KW
12V 2.0KW
12V 2.5KW
12V 2.2KW
28111BUSH(FOR STARTER HOUSING)
12V 0.8KW
12V 0.6KW
28113LEVER, STARTER PINION DRIVE
12V 0.6KW
12V 0.8KW
12V 0.6KW
28114PIN, STARTER DRIVE LEVER SET
12V 0.6KW
28117RUBBER(FOR STARTER YOKE)
12V 0.6KW
12V 1.4KW
12V 1.4KW
28120YOKE ASSY, STARTER
12V 0.6KW
12V 1.4KW
12V 0.6KW
12V 1.0KW
12V 0.8KW
12V 1.4KW
12V 2.5KW
12V 2.0KW
12V 2.2KW
28121COIL, STARTER FIELD
28123CORE, STARTER POLE
12V 0.6KW
28130FRAME ASSY, STARTER COMMUTATOR END
12V 0.8KW
12V 0.6KW
12V 0.6KW
12V 2.5KW
12V 1.4KW
12V 1.0KW
28131BUSH, COMMUTATOR END FRAME
STD,12V 0.6KW
U/S 0.3,12V 0.6KW
U/S 0.5,12V 0.6KW
12V 0.8KW
12V 0.6KW
28132COVER, STARTER BEARING(FOR DRIVE HOUSING)
12V 0.6KW
28133COVER, BEARING(FOR END FRAME)
12V 0.6KW
28136PLATE, STARTER LOCK
12V 0.8KW
12V 0.6KW
28138RUBBER(FOR STARTER BEARING COVER)
12V 0.8KW
12V 0.6KW
28140HOLDER ASSY, STARTER BRUSH
12V 0.8KW
12V 1.4KW
12V 0.6KW
12V 1.0KW
12V 1.4KW
12V 2.0KW
12V 2.2KW
12V 2.5KW
28142BRUSH, STARTER
12V 0.6KW
12V 0.6KW
28143SPRING, STARTER BRUSH
12V 0.6KW
12V 1.0KW,1.4KW
12V 2.2KW
28150SWITCH ASSY, MAGNET STARTER
12V 0.8KW
12V 1.0KW
12V 1.4KW
12V 2.0KW
12V 2.2KW
12V 1.4KW
28160ARMATURE ASSY, STARTER
12V 0.6KW
12V 0.8KW
12V 0.6KW
12V 1.4KW
28162SPRING, STARTER BRAKE
12V 0.8KW
12V 0.6KW
28163NUT OR COLLAR, PINION STOP, STARTER
12V 0.6KW,0.8KW
28163ARING, SNAP(FOR STARTER PINION STOP NUT)
12V 0.8KW
12V 0.6KW
28199COVER, STARTER
12V 0.6KW
12V 0.8KW
12V 0.6KW
12V 0.8KW
9009300518
main90093-00518
9009400502
main90094-00502
9009400602
main90094-00602
9009900102
main90099-00102
9009900111
main90099-00111
9009900902
main90099-00902
9009901090
main90099-01090
9009902169
main90099-02169
9009904269
main90099-04269
9009904272
main90099-04272
9009905129
main90099-05129
9017908146
main90179-08146
9161161035
main91611-61035
9411040800
main94110-40800
9411540500
main94115-40500
9451100800
main94511-00800
41 parts on this diagram · 9 diagrams in section