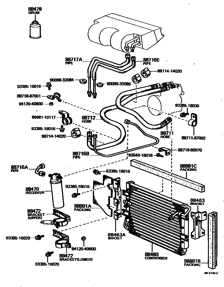
HEATING & AIR CONDITIONING - COOLER PIPING

88460CONDENSER ASSY, COOLER
NO.1
NO.2
NO.1
NO.1
NO.2
88463BRACKET, COOLER CONDENSER, NO.1
88463ABRACKET, COOLER CONDENSER, NO.2
88470RECEIVER & DRYER ASSY, COOLER
88472BRACKET, RECEIVER TANK, NO.1
UPR
LWR
UPR
88479FREON GAS, AIR CONDITIONER (DRUM, COOLER REFRIGERANT)
88711HOSE, COOLER REFRIGERANT DISCHARGE, NO.1
88712HOSE, COOLER REFRIGERANT SUCTION, NO.1
88716APIPE, COOLER REFRIGERANT LIQUID, A
88716BPIPE, COOLER REFRIGERANT LIQUID, B
88716EPIPE, COOLER REFRIGERANT LIQUID, E
88717APIPE, COOLER REFRIGERANT SUCTION, A
88891APACKING A (FOR COOLER)
88891BPACKING B (FOR COOLER)
88891CPACKING C (FOR COOLER)
8871187002HOSE, COOLER REFRIGERANT DISCHARGE, NO.1
main88711-87002
8871414020HOSE, COOLER REFRIGERANT LIQUID, NO.1
main88714-14020
8871860070PIPE, COOLER REFRIGERANT SUCTION, NO.2
main88718-60070
8871887001PIPE, COOLER REFRIGERANT SUCTION, NO.2
main88718-87001
9009932084
main90099-32084
9009932085
main90099-32085
9046110117
main90461-10117
9338516016
main93385-16016
9338516020
main93385-16020
9338518016
main93385-18016
9338518030
main93385-18030
9354016016
main93540-16016
9412040600
main94120-40600
28 parts on this diagram · 8 diagrams in section