E
EPC Data

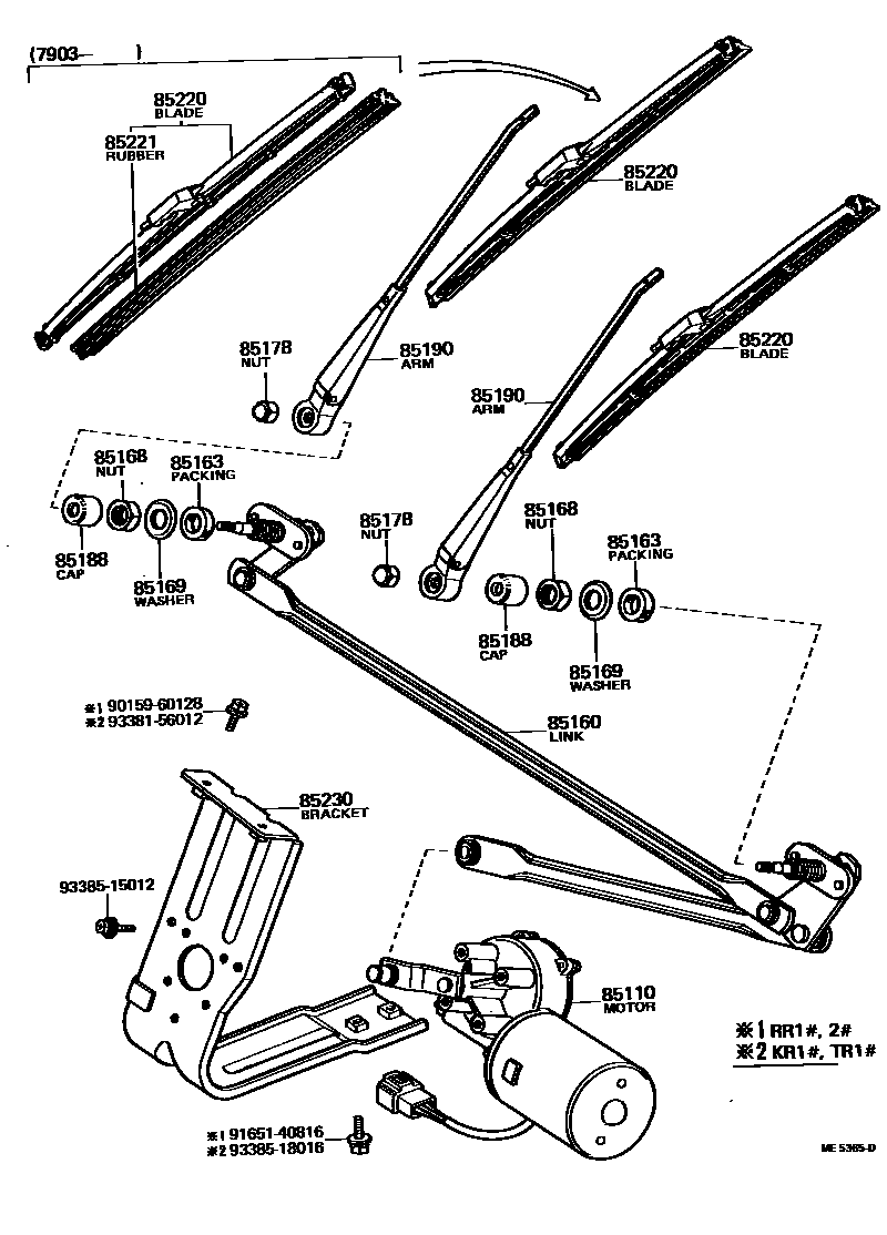
WINDSHIELD WIPER

Parts diagram
85110MOTOR ASSY, WINDSHIELD WIPER
main85110-87001i197610-198210
main85110-87002i197610-198210
COLD SPEC
85160LINK ASSY, WINDSHIELD WIPER
main85160-87001i197610-198210
85163PACKING, WINDSHIELD WIPER PIVOT
main85185-25040×2i197610-198210
85168NUT, WINDSHIELD WIPER LINK PIVOT
main85168-90300×2i197808-197910
main90170-12001×2i197610-197910
85169WASHER, WINDSHIELD WIPER LINK PIVOT, NO.1
main85169-90300×2i197808-197910
main90209-12002×2i197610-197910
85178NUT (FOR FRONT WIPER ARM SETTING)
main85193-87001×2i197706-197706
SPECIAL WAGON
main85193-87301×2i197610-197910
main90176-06004×2i197808-197910
85188CAP, WINDSHIELD WIPER PIVOT, NO.1
main85135-55010×2i197610-198210
85190ARM ASSY, WINDSHIELD WIPER
main85190-87001×2i197910-198210
main85190-95404×2i197610-197910
85220BLADE ASSY, WINDSHIELD WIPER
main85220-26010×2i197610-197903
main85220-87001×2i197706-197706
SPECIAL WAGON
main85220-90350×2i197808-197903
main85220-95705×2i197903-197910
main85220-95706×2i197903-197910
85221BLADE, WINDSHIELD WIPER
main85221-95701×2i197903-198210
85230BRACKET ASSY, WINDSHIELD WIPER
main85230-87001i197610-198101
main85230-87002i198101-198210
9015960128
9165140816
9338156012
9338515012
9338518016

16 parts on this diagram · 1 diagram in section

WINDSHIELD WIPER — Toyota Parts Diagram with OEM Numbers & Prices | EPC Data