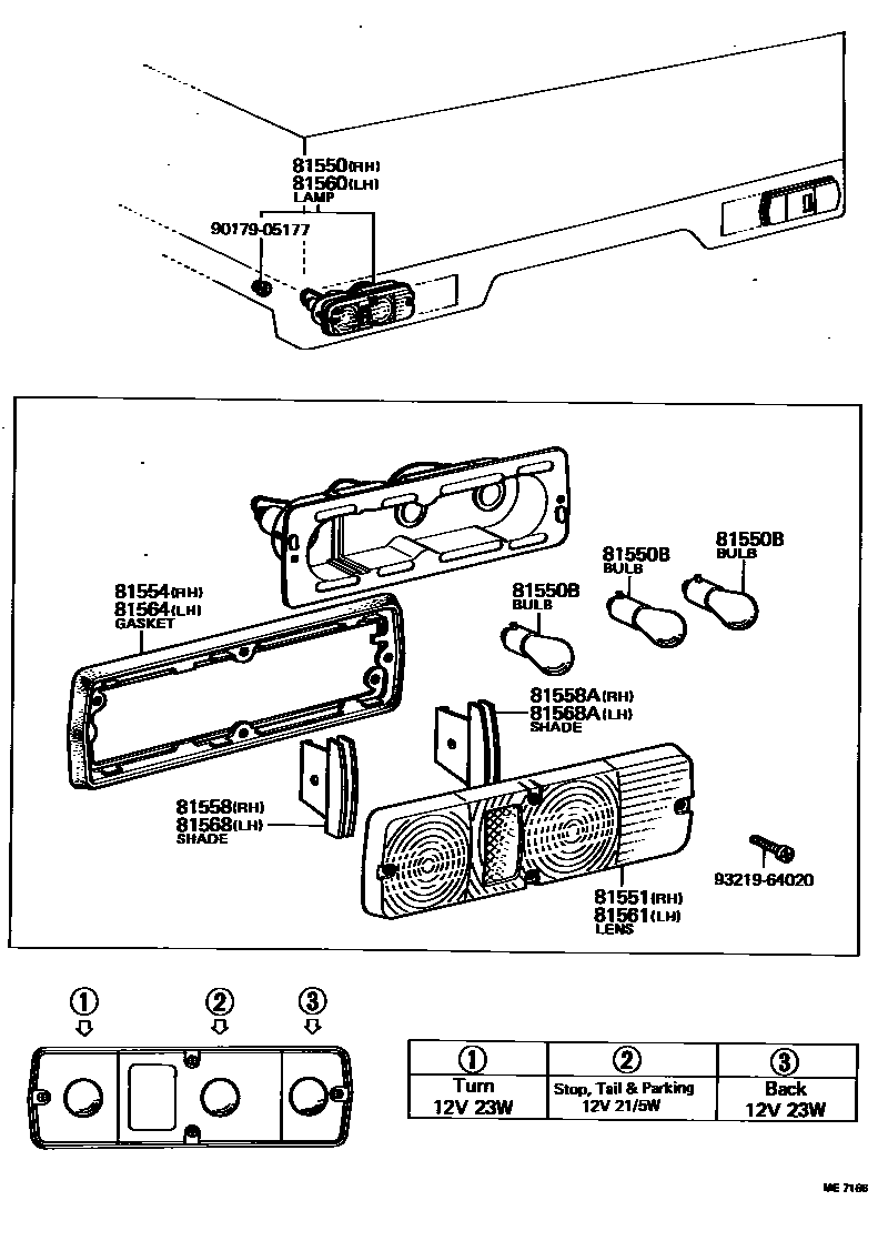
REAR COMBINATION LAMP

81550LAMP ASSY, REAR COMBINATION, RH
81550BBULB(FOR REAR COMBINATION LAMP)
81551LENS, REAR COMBINATION LAMP, RH
RED
CLEAR
AMBER
81554GASKET, REAR COMBINATION LAMP BODY, RH
81558SHADE, REAR COMBINATION LAMP, NO.1 RH
81558ASHADE, REAR COMBINATION LAMP, NO.2 RH
81560LAMP ASSY, REAR COMBINATION, LH
81561LENS, REAR COMBINATION LAMP, LH
RED
CLEAR
AMBER
81564GASKET, REAR COMBINATION LAMP BODY, LH
81568SHADE, REAR COMBINATION LAMP, NO.1 LH
81568ASHADE, REAR COMBINATION LAMP, NO.2 LH
9017905177
main90179-05177
9321964020
main93219-64020
13 parts on this diagram · 2 diagrams in section