E
EPC Data

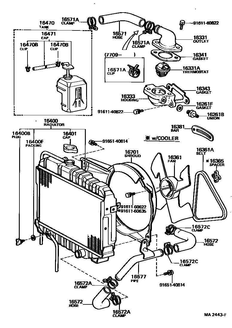
RADIATOR & WATER OUTLET

Parts diagram
16261HOSE, WATER BY-PASS
main16261-25020i197610-198210
16261BUNION(FOR WATER BY-PASS HOSE)
main90404-16197i197610-197910
16261FGASKET(FOR WATER BY-PASS HOSE)
main90430-16003i197610-197910
16331OUTLET, WATER
main16331-18010i197910-198210
main16331-24010i197610-197709
main16331-24011i197709-198210
main16331-26020i197610-197711
main16331-26021i197711-197910
main16331-31082i197808-198210
16331ATHERMOSTAT
main90916-03020i197610-197911
*WAX 82-95,*(F)
main90916-03034i197610-198210
*WAX 82-95,*(F)
main90916-03036i197610-198210
*WAX 88-100,*(F); COLD SPEC,*WAX 88-100,*(F)
main90916-03037i197610-198210
*WAX 82-95,KUZEH
main90916-03038i197610-197911
*WAX 82-95,KUZEH
main90916-03040i197808-198202
COLD SPEC,*WAX 88-100,KUZEH
main90916-03054i198202-198210
main90916-03055i198202-198210
16333HOUSING, WATER OUTLET
main16303-26041i197910-198210
main16303-26050i197808-197910
main16303-26051i197910-198004
main16303-26052i198004-198210
main16303-26060i197702-197910
main16303-27010i197702-197808
main16333-13040i197910-198210
main16333-22021i197802-197910
main16333-24030i197610-197802
16341GASKET, WATER OUTLET
main16341-13010i197803-197812
main16341-13011i197812-198210
main16341-22010i197610-197803
main16341-38010i197810-198201
main16341-38011i198201-198210
main16341-49010i197610-197810
16343GASKET, WATER OUTLET HOUSING
main16343-22010i197910-198201
main16343-22011i198201-198210
main16343-26011i197808-197910
16361FAN
main16361-24041i197610-197910
4 BLADES
main16361-26020i197610-197910
main16361-26030i197610-197910
4 BLADES,W/COOLER
main16361-26040i197808-197910
main16361-26050i197910-198210
main16361-31050i197808-197911
W/COOLER
main16361-41050i197911-198210
7BLADES OD=380
16361ABELT, V(FOR FAN & ALTERNATOR)
main99321-00810i197808-197910
L=810
main99321-00830i197910-198210
W/COOLER,L=830
main99321-00840i197910-198210
L=840
main99321-00860i198101-198210
COLD SPEC & W/RR WINDOW DEF; W/COOLER,L=860
main99321-00870i198101-198210
L=870; W/RR WINDOW DEF,L=870
main99321-00885i197808-197910
L=885
main99321-50895i197802-197910
L=895
main99332-00890i197808-198210
L=890
main99521-10808i197610-197808
L=808
main99521-10851i197610-197708
W/COOLER,L=851
main99521-10860i197610-197708
L=860
main99521-10889i197708-197802
W/COOLER,L=889
main99521-10902i197708-197802
L=902
16365SPACER, FAN
main16365-24010i197610-197910
W/COOLER
main16365-31020i197808-197911
W/COOLER
16381BAR, FAN BELT ADJUSTING
main16381-24011i197610-198210
main16381-25010i197610-198210
main16381-31012i197808-198210
16400RADIATOR ASSY
main16400-13050i197802-197808
main16400-13070i197808-197910
main16400-13071i197910-198210
main16400-18010i197808-197910
main16400-18011i197910-198210
main16400-18030i198101-198210
main16400-24200i197610-197802
main16400-26150i197610-197808
main16400-26190i197808-197910
main16400-26270i197910-198210
main16400-27010i197610-197808
main16400-31261i197808-198210
16400BPLUG, RADIATOR DRAIN COCK
main16417-24200i197610-198210
16400FPACKING(FOR RADIATOR DRAIN COCK)
main16418-24200i197610-198210
16401CAP SUB-ASSY, RADIATOR
main16401-23070i197610-197808
main16401-41020i197808-197901
main16401-41021i197901-198210
16470TANK ASSY, RADIATOR RESERVE
main16470-87001i197808-198210
main16470-87003i197808-197910
main16470-87004i197910-198210
main16470-95D00i197808-197911
main16470-95D01i197911-198210
16470BCLAMP OR CLIP(FOR RADIATOR RESERVE TANK HOSE)
main90467-11085×2i197808-198210
16471CAP SUB-ASSY, RESERVE TANK
main16471-34030i197911-198210
main16471-87001i197808-198210
main16471-87003i197808-198210
main16471-95D00i197808-197911
16571HOSE, RADIATOR, INLET
main16571-18010i197808-197910
main16571-24020i197610-197709
main16571-24021i197709-198210
main16571-26050i197610-197910
main16572-31100i197808-197911
main16572-31130i197911-198210
16571ACLAMP OR CLIP, HOSE(FOR RADIATOR INLET)
main90467-31001×2i198004-198210
main90467-37001i197711-197910
ID=37
main96111-10380i197808-197910
RADIATOR SIDE
main96111-10430i197711-197910
ID=43
main96111-10440i197808-198011
RADIATOR SIDE,ID=44
16572HOSE, RADIATOR, OUTLET
main16571-31070i197808-197911
main16571-31100i197911-198210
main16572-24020i197610-197910
ENGINE SIDE
main16572-24021i197910-198210
ENGINE SIDE
main16572-26010i197610-198210
PIPE TO WATER PUMP
main16573-18010i197808-197910
RADIATOR TO PIPE
main16573-24020i197610-198210
RADIATOR SIDE
16572ACLAMP OR CLIP, HOSE(FOR RADIATOR OUTLET NO.1)
main90460-47036×2i197610-198210
main96111-10460×2i197808-198210
ID=46
16572CCLAMP OR CLIP, HOSE(FOR RADIATOR OUTLET NO.2)
main90460-47036i198001-198210
ENGINE SIDE
main90467-37001i198001-198210
PIPE SIDE
main96111-10500i197610-198210
WATER PUMP SIDE
16577PIPE, RADIATOR, NO.7
main16577-24030i197610-198210
main16577-24031i197910-198210
16701SHROUD SUB-ASSY, FAN
main16711-18010i197808-197910
main16711-24080i197610-197701
main16711-24081i197701-197910
main16711-26050i197610-197612
main16711-26051i197612-197910
main16711-27010i197610-197808
main16711-28080i197910-198210
main16711-31170i197808-197911
main16711-31180i197808-197911
W/COOLER
main16711-31190i197911-198210
9161140822
9161160622
9161160635
9161160822
9165140814

31 parts on this diagram · 7 diagrams in section

RADIATOR & WATER OUTLET — Toyota Parts Diagram with OEM Numbers & Prices | EPC Data