E
EPC Data

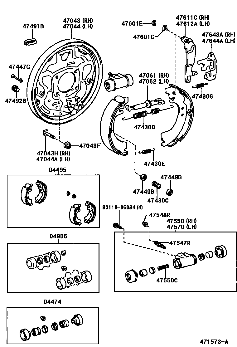
REAR DRUM BRAKE WHEEL CYLINDER & BACKING PLATE

Parts diagram
04474CYLINDER KIT, REAR WHEEL
main04474-22030×2i199906-200208
main04474-22040×2i200208-200408
main04474-28020×2i199906-200208
main04474-28030×2i199906-200208
04495SHOE KIT, REAR BRAKE
main04495-26180i199906-200208
main04495-27060i199906-200208
main04495-28120i200208-200408
main04495-44010i199906-200208
main04495-44020i200208
04906CUP KIT, REAR WHEEL CYLINDER
main04906-22040i200208-200408
main04906-28020i200208-200408
main04906-28030i199906-200208
47043PLATE SUB-ASSY, BRAKE BACKING, REAR RH
main47043-26120i199906-200208
main47043-28100i200208
main47043-28130i200208-200408
main47043-35061i199906-200208
47043FNUT(FOR BACKING PLATE TO REAR AXLE HOUSING SETTING)
main90179-10067×8i199906-200208
main90179-10150×8i200208-200408
47043HBOLT, NO.1(FOR REAR BRAKE BACKING PLATE RH)
main42184-28010×4i199906-200208
main90114-10002×4i199906-200208
47044PLATE SUB-ASSY, BRAKE BACKING, REAR LH
main47044-26120i199906-200208
main47044-28100i200208
main47044-28130i200208
main47044-35051i199906-200208
47044ABOLT, NO.1(FOR REAR BRAKE BACKING PLATE LH)
main42184-28010×4i199906-200208
main90114-10002×4i199906-200208
47061STRUT SET, PARKING BRAKE SHOE, RH
main47061-35020i199906-200208
main47061-43010i199906-200208
main47062-30030i200208-200408
47062STRUT SET, PARKING BRAKE SHOE, LH
main47061-30030i199906-200208
main47062-35020i199906-200208
main47062-43010i200208-200408
47430CSPRING(FOR REAR BRAKE SHOE HOLD DOWN)
main90501-20012×4i199906-200208
main90501-20604×4i199906-200208
main90501-20756×4i199906-200208
47430DSPRING, TENSION(FOR REAR BRAKE SHOE RETURN)
main90506-20005×2i199906-200208
main90506-20070×2i199906-200208
main90506-23003×2i200208
main90506-29008i199906-200208
main90506-29009i199906-200208
47430ESPRING, TENSION(FOR REAR BRAKE SHOE RETURN)
main90506-12015×2i199906-200208
main90506-18076×2i199906-200208
main90507-12036×2i199906-200208
47430GSPRING, TENSION(FOR REAR BRAKE AUTOMATIC ADJUST LEVER)
main90506-12011×2i200208-200408
main90506-12480×2i199906-200208
47447GPIN, SHOE HOLD DOWN SPRING(FOR REAR BRAKE)
main47447-20010×4i199906-200208
main47447-20030×4i200208
main47447-30020×4i200208
47449BCUP, SHOE HOLD DOWN SPRING(FOR REAR BRAKE)
main47449-30020×8i199906-200208
47491BPLUG, HOLE(FOR REAR BRAKE)
main47491-20011×2i200208-200408
47492BPLUG, SHOE INSPECTION(FOR REAR BRAKE)
main47492-28010×2i200208
47547RPLUG, BLEEDER(FOR DRUM BRAKE, REAR)
main47547-12010×2i199906-200208
main47547-20030×2i199906-200208
main47547-26010×2i199906-200208
47548RCAP, BLEEDER PLUG(FOR DRUM BRAKE, REAR)
main31478-30010×2i200208
47550CYLINDER ASSY, REAR WHEEL BRAKE(FOR RH, FRONT OR UPPER)
main47550-22100i200208-200708
main47550-28040i200208-200708
main47550-28070i199906-200208
47550CSPRING, COMPRESSION(FOR REAR WHEEL BRAKE CYLINDER)
main90029-60011×2i200208
main90501-09079×2i199906-200208
47570CYLINDER ASSY, REAR WHEEL BRAKE(FOR LH, FRONT OR UPPER)
main47550-22100i200208-200708
main47550-28040i199906-200208
main47550-28070i199906-200208
47601CWASHER, C(FOR REAR BRAKE)
main90213-06013×2i199906-200208
main90213-07010×2i199906-200208
47601ERING, E(FOR REAR BRAKE)
main96160-00500×2i200208-200208
47611CLEVER, PARKING BRAKE SHOE, RH
main47601-28010i199906-200208
main47611-26050i199906-200208
main47611-35020i199906-200208
main47611-43010i199906-200208
47612ALEVER, PARKING BRAKE SHOE, LH
main47602-28010i200208
main47612-26050i199906-200208
main47612-35020i199906-200208
main47612-43010i200208
47643ALEVER, REAR BRAKE AUTOMATIC ADJUST, RH
main47643-26010i199906-200208
main47643-33010i199906-200208
main47643-35020i199906-200208
main47644-30010i200208
47644ALEVER, REAR BRAKE AUTOMATIC ADJUST, LH
main47643-30010i200208
main47644-26010i199906-200208
main47644-33010i200208-200408
main47644-35020i199906-200208
9011906084

30 parts on this diagram · 3 diagrams in section

REAR DRUM BRAKE WHEEL CYLINDER & BACKING PLATE — Toyota Parts Diagram with OEM Numbers & Prices | EPC Data